ETF8-24SR-Rev01 PDFA.pdf - 第5页
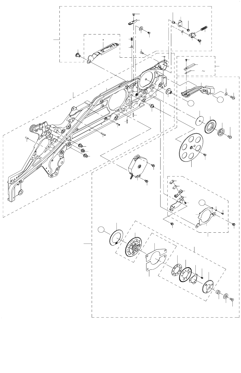
- 2 - NOTE( 注 記 ) #01....FOR EF02HSR EF 0 2 HSR 用 REF .NO NOT E PAR T NO D E S C R I P T I O N 品 名 Qty 1 401-43 653 ASM_EF 8S_MAIN_F R AM E_UNIT_ P 組_ E F 8 S _メイン_ フレー ム_ユニット _ P 1 2 401-43 545 MAI N _ F RAME _8S_ADC メイ…

- 1 -
1. EF02HSR/EF08HSR (1)
2
3
4
5
5
6
7
6
9
8
1
13
14
27
15
16
18
19
20
21
22
23
64
65
17
12
60
34
35
30
31
32
33
29
61
62
36
41
37
38
39
40
43
44
45
46
47 A
A
48
49
63
50
63
42
52
53
54
55
57
56
58
59
B
B
28
57
26
25
51
24
68
70
67
66
71
10
11

- 2 -
NOTE( 注記 ) #01....FOR EF02HSR EF 02 HSR 用
REF.NO NOTE PART NO D E S C R I P T I O N
品 名
Qty
1 401-43653 ASM_EF8S_MAIN_FRAME_UNIT_P
組_ EF 8 S _メイン_フレーム_ユニット_ P
1
2 401-43545 MAIN_FRAME_8S_ADC
メインフレーム_8_ ADC
(1)
3 401-44749 SPROCKET_SH
スプロケットシャフト
(1)
4 401-44753 MAIN_GEAR_SH
メインギアシャフト
(1)
5 PS-0200102-KH SPRING PIN 2.0 X 10
スプリングピン 2.0 X 10
(2)
6 401-44755 PULL_GEAR_SH
プルギアシャフト
(2)
7 401-44756 PULL_INTERMADIATE_SH
プルインターメディエイトシャフト
(1)
8 E6347-705-000 FASTENER PIN BX3
ファスナーピン BX 3
(1)
9 PS-0300142-KH SPRING PIN 0.3 X 14
スプリングピン 3 X 14
(1)
10 PH-0300080-U0 PARALLEL PIN TYPE B 3X8
平行ピン B 種 3 X 8
(1)
11 401-43564 MARK_PLATE
マークプレート
(1)
12 400-82685 UPPER_COVER_UNIT
アッパーカバーユニット
1
13 400-77527 HOOK_PIVOT_SH
フックピボットシャフト
(1)
14 400-68256 HOOK_SPRING
フックスプリング
(1)
15 400-68184 HOOK_SP_COVER
フックスプリングカバー
(1)
16 SL-4030591-SC SCREW M3 L=5
座金付きなべ小ねじ M 3 L =5
(1)
17 400-77524 UPPER_COVER_SH
アッパーカバーシャフト
(1)
18 400-68673 UPPER_COVER_FLANGE
アッパーカバーフランジ
(1)
19 SM-1030501-SC SCREW M3 L=5
皿小ねじ M 3 L =5
(1)
20 400-77530 PLUNGER_PIN
プランジャーピン
(1)
21 400-77529 PLUNGER_SP
プランジャースプリング
(1)
22 400-68668 SPRING_STOPPER_PLATE
スプリングストッパープレート
(1)
23 SM-1030601-SC SCREW M3 L=6
皿ねじ M 3 X 0.5 L =6
(2)
24 WP-0320501-SC WASHER M3
平座金 3.2 X 7 X 0.5
(1)
25 400-68185 HOOK_STOPPER_COLLAR
フックストッパーカラ
(1)
26 SM-1030601-SC SCREW M3 L=6
皿ねじ M 3 X 0.5 L =6
(1)
27 400-84398 UPPER_COVER_HOOK_ASSY
アッパーカバーフック組
(1)
28 401-44759 FEED_UNIT_R
フィードユニット_ R
1
29 400-82688 SPROCKET_WHEEL_UNIT
スプロケットホイールユニット
(1)
30 400-82597 PP_SLIT_PLATE
PP スリットプレート
(1)
31 400-77510 SLIT_PLATE_WP
スリットプレートワッシャ−
(1)
32 SL-4020581-SC WASHER SCREW
座金付きなべ小ねじ
(3)
33 401-12487 SPROCKET_GEAR
スプロケットギア−
(1)
34 400-69643 SPROCKET_WHEEL_ASSY
スプロケットホイール組
(1)
35 400-77509 SPACER
スペーサー
(1)
36 SM-1040801-SC SCREW M4X0.7 L=8
皿小ねじ M 4 X 0.7 L =8
(1)
37 400-77502 SPROCKET_SHIELD_PLATE_A
スプロケットシールドプレート A
(1)
38 400-82636 FRONT_BLOCK
フロントブロック
(1)
39 SM-4041001-SC SCREW M4X0.7 L=10
なべ小ねじ M 4 X 0.7 L =10
(2)
40 WP-0430800-SC WASHER M4
平座金小形丸 M 4
(2)
41 400-57828 SPROCKET_SHIELD_PLATE_B
スプロケットシールドプレート B
(1)
42 400-82690 FEED_ONE_SENSOR_ASSY
フィードワンセンサ_組
(1)
43 400-81301 PP_SENSOR_BR
PP センサ BR
(1)
44 400-74097 PP SENS B PCB ASM
PP センサ B 基板組
(1)
45 400-77513 PP_SENSOR_COVER
ピーピーセンサーカバー
(1)
46 400-77512 PP_SENSOR_PLATE_NUT
ピーピーセンサープレートナット
(1)
47 SL-4020581-SC WASHER SCREW
座金付きなべ小ねじ
(2)
48 400-81302 ENCODER_SHIELD_B
エンコーダースリッド B
(1)
49 400-81299 ENCODER_SHIELD_A
エンコーダースリッド A
(1)
50 ST-4020521-SN TAPPING SCREW D=2 L=5
タッピンねじ D =2 L =5
(2)
51 WP-0220300-SC WASHER
平座金
(2)
52 400-77511 FEED_INTERMEDIATE_GEAR_BASE
フィードインターメディエイトギアベース
(1)
53 401-44750 FEED_INTERMEDIATE_GEAR
フィードインターメディエイトギア
(1)
54 401-44751 INTERMEDIATE_SH
インターメディエイトギア
(1)
55 SM-5040801-SC SCREW M4X8
バインド小ねじ M 4 X 8
(1)
56 400-68901 FEED MOTOR ASM
フィードモータ組
(1)
57 SL-4030881-SC SCREW M3X8
なべ小ねじセムス M 3 X 0.5 L =8
(2)
58 401-44760 FEED_MAIN_GEAR_ASSY_8SR
メインギア組_8 SR
(1)
59 SM-5030501-SC SCREW M3 L=5
バインド小ねじ M 3 X 0.5 L =5
(1)
60 400-77507 SPROCKET_LINER_WP
スロケットライナーワッシャー
(1)
61 400-68679 SPROKET_THRUST_SPRING
スプロケットスラストスプリング
(1)
62 400-77504 SPROCKET_FLANGE_WP
スプロケットフランジワッシャ−
(1)
63 SL-4030691-SC SCREW M3 L=6
座金付きなべ小ねじ M 3 L =6
(4)
64 401-43541 UPPER_COVER_ASSY_S
EF 8 S _組_アッパーカバー組_ S
1
65
#01
401-43554 UPPER_COVER_ASSY_S_02
EF 8 S _組_アッパーカバー組_ S _02
1
66
#01
400-85503 TAPE_SUPPORT_UNIT
テープサポートユニット
1
67 400-85299 TAPE SUPPORT
テープサポート
(1)
68 400-42430 UNDER SUPPORT SHIM 20
アンダーサポートシム20
(2)
69 400-85300 TAPE SUPPORT SHIM 60
テープサポートシム60
(1)
70 400-85301 TAPE SUPPORT SHIM 100
テープサポートシム100
(1)
71 ST-4020521-SN TAPPING SCREW D=2 L=5
タッピンねじ D =2 L =5
(1)

- 3 -
2. EF02HSR/EF08HSR (2)
2
3
5
6
7
8
11
12
13
17
14
15
16
1
21
19
44
25
26
27
28
29
30
32
31
34
35
33
36
38
39
40
41
42
43
45
46
47
48
37
49
50
51
53
55
54
56
52
57
58
59
60
61
63
65
64
23
66
68
69
70
67
24
A
22
A
10
9
4
62
18
45
20