P-0227-001 - 第153页
MODEL TCM-3200J 0102-001 Key No . P AR T No. P AR T NAME Q’ty REMARKS NOTE 151 7-3 1 630 028 9493 GEAR 2 759G--01H-006 2 630 000 8951 SET SCREW 4 M5X8 SET 3 630 091 4849 SHAFT 1 759G--01B-009 4 630 028 9480 GEAR 2 759G--…

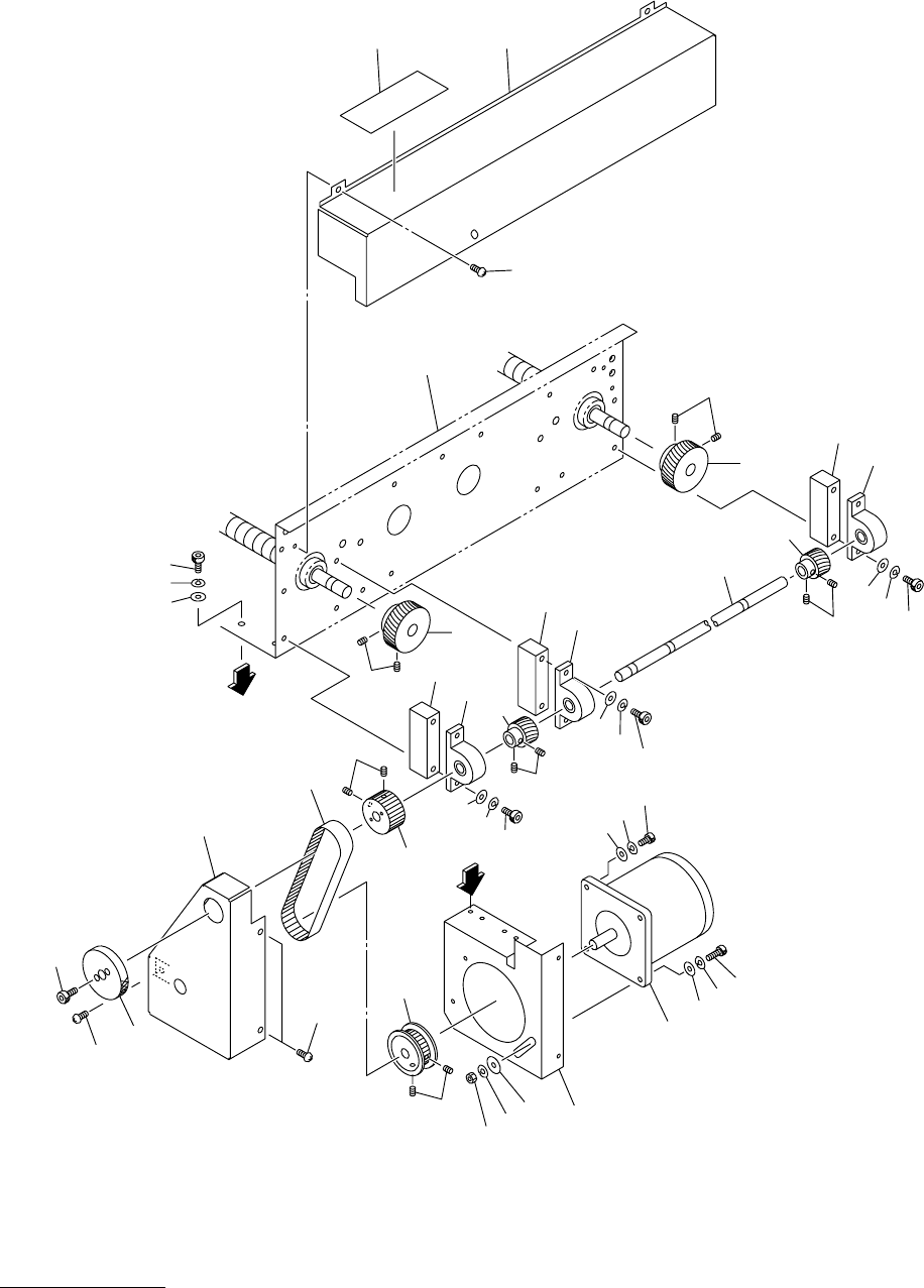
MODEL TCM-3200J
0102-001
150
L コンベア部 L CONVEYOR SECTION
Fig. 7-3 ドライブシャフト Driving Shaft
2
1
6-1
6
5
6-1
6-1
1
6
5
37
38
16
6-1
6-1
6
7
4
3
8
9
7
4
2
17
17
35
36
8
9
7
8
9
13
50
50
14
39
37
37
34
30
30
29
29
28
28
25
24
26
26
27-1
27-1
25
26
26
27
20
20
33
A
22
22
21
21
23
23
A
See Fig.7-1
See Fig.7-1
Key No.2
Key No.2

MODEL TCM-3200J
0102-001
Key No. PART No. PART NAME Q’ty REMARKS
NOTE
151
7-3
1 630 028 9493 GEAR 2 759G--01H-006
2 630 000 8951 SET SCREW 4 M5X8 SET
3 630 091 4849 SHAFT 1 759G--01B-009
4 630 028 9480 GEAR 2 759G--01H-007
5 630 008 2296 SET SCREW 4 M4X4 SET
6 630 001 1890 BEARING,UNIT 3 759G--01H-005
6 -1 630 057 7297 COLLAR 3 759G--01B-036
7 411 141 4107 WASHER V 5X10X1 6 FW5
8 411 141 6705 WASHER SPR 5 6 SW5
9 630 000 7800 BOLT,HEX-SCT 6 M5X35
13 630 057 7303 COVER 1 759G--01B-018
14 411 051 1708 SCR TRS 4X6 3 M4X6 TRS
16 630 091 4764 PULLEY,TIMING 1 759G--01H-043
17 630 000 8951 SET SCREW 2 M5X8 SET
20 630 056 2767 BRACKET(MOTOR L) 1 759G--01B-051
21 411 141 4107 WASHER V 5X10X1 2 FW5
22 411 141 6705 WASHER SPR 5 2 SW5
23 630 000 7749 BOLT,HEX-SCT 2 M5X10
24 630 009 5869 MOTOR,STEPPING 1 PM101(CVW1), #103-8572-7041
759G--01H-041
25 411 141 4107 WASHER V 5X10X1 2 FW5
26 411 141 6705 WASHER SPR 5 2 SW5
27 630 000 7763 BOLT,HEX-SCT 1 M5X16
27 -1 630 000 7787 BOLT,HEX-SCT 1 M5X25
28 630 001 0220 WASHER 1 759G--01H-027
29 411 141 6705 WASHER SPR 5 1 SW5
30 411 141 0505 NUT HEX 5 1 M5
33 630 056 3917 PULLEY,TIMING 1 759G--01H-042
34 630 000 8951 SET SCREW 2 M5X8 SET
35 630 048 9668 BELT,TIMING 1 759G--01H-044
36 630 091 4962 COVER(L) 1 759G--01B-052
37 411 051 1708 SCR TRS 4X6 3 M4X6 TRS
38 630 091 4979 BOSS(HANDLE) 1 759G--01B-055
39 630 000 7558 BOLT,HEX-SCT 2 M3X16
50 630 082 6098 NAME PLATE,PARTS 1 759G--01B-056

MODEL TCM-3200J
0102-001
152
L コンベア部 L CONVEYOR SECTION
Fig. 7-4 基板検出部、基板ストッパ P.C.B. Detector, P.C.B. Stopper
8
7
6
3
4
5
2
1-3
1-3
9-3
9-3
9-2
9-2
9-1
9-1
8
7
6
1
4
5
19
15
16
16
11
12
12
12
13
13-1
13-1
17
18
3
2
1-1
1-1
9-3
9-3
9-2
9-2
9-1
9-1
9-3
9-3
9-2
9-2
9-1
9-1
8
7
6
2
1-2
1-2
1
3
4
5
1
14