P-0227-001 - 第181页
MODEL TCM-3200J 0102-001 Key No . P AR T No. P AR T NAME Q’ty REMARKS NOTE 179 10-2 1 630 092 1274 BASE 1 759L--01B-053 2 630 001 0220 WASHER 3 7 5 9L--01H-071 3 411 1 41 6705 WASHER SPR 5 3 SW5 4 630 000 7763 BO L T ,HE…

MODEL TCM-3200J
0102-001
178
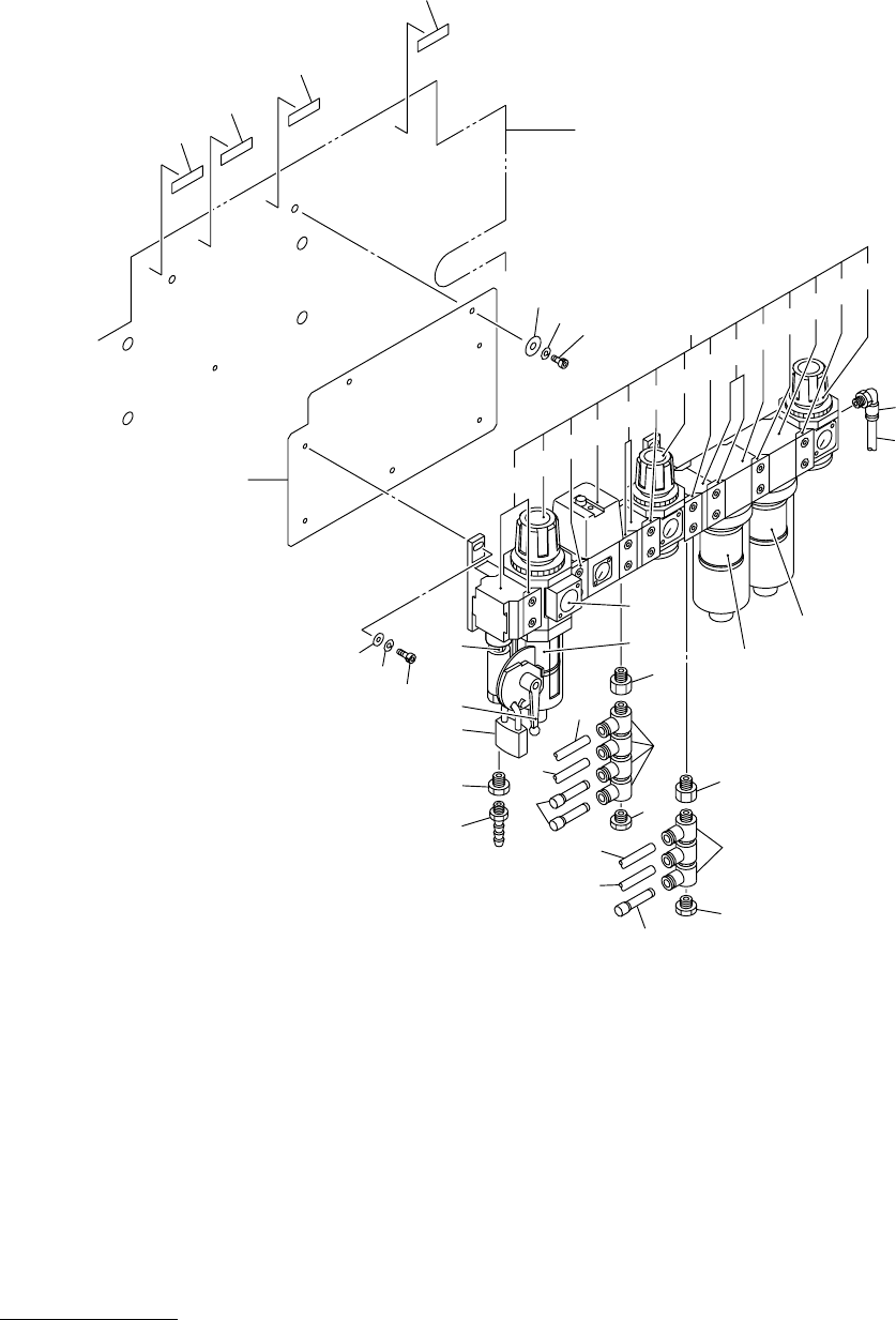
空圧制御部 PNEUMATIC SECTION
Fig. 10-2 エアポート配管 Air Port Piping
8
9
10
10
21
21
11
11
52-1
62
58-1
58-1
59-1
59-1
11
11
12
12
12
13
13
13
14
14
25
25
14
14
15
16
17
18
18
60
60
61
61
22
22
23
23
24
24
51
51
52
53
54
54
2
1
41
41
42
42
43
43
44
See Fig.12-2
See Fig.12-2
Key No.23
Key No.23
3
4
55
55
53
53
50
56
53
53
57
58
58
53
59
59
53
53
56

MODEL TCM-3200J
0102-001
Key No. PART No. PART NAME Q’ty REMARKS
NOTE
179
10-2
1 630 092 1274 BASE 1 759L--01B-053
2 630 001 0220 WASHER 3 759L--01H-071
3 411 141 6705 WASHER SPR 5 3 SW5
4 630 000 7763 BOLT,HEX-SCT 3 M5X16
8 630 003 8033 PIPE FITTINGS 1
9 630 008 0285 PIPE FITTINGS 1
10 630 003 7388 PIPE FITTINGS 1
11 630 003 8231 PIPE FITTINGS 2 759L--01H-010
12 630 003 8224 PIPE FITTINGS 7 759L--01H-009
13 630 003 8248 PIPE FITTINGS 2 759L--01H-011
14 630 003 7814 PIPE FITTINGS 3
15 411 141 4305 WASHER V 6X12.5X1.6 4 FW6
16 411 141 3001 WASHER SPR 6 4 SW6
17 630 000 7893 BOLT,HEX-SCT 4 M6X20
18 630 053 4917 MECH PARTS (PADLOCK) 1 759L--01H-092
50 630 055 2515 AIR LINE EQPT 1 (PS1), #A3-208252- 759L--01H-008
51 630 046 7963 PIPE FITTINGS 1
52 630 077 7918 AIR LINE EQPT 1
52 -1 630 062 4526 AIR LINE EQPT 1
53 630 043 8031 AIR LINE EQPT 5
54 630 046 8014 SWITCH,PRESSURE 1 PS1
55 630 054 9546 PIPE FITTINGS 1
56 630 046 8007 AIR LINE EQPT 2
57 630 046 7970 PIPE FITTINGS 1
58 630 043 8017 AIR CLEAN EQPT 1
58 -1 630 062 4533 AIR LINE EQPT 1
59 630 043 8024 AIR CLEAN EQPT 1
59 -1 630 062 4540 AIR LINE EQPT 1
60 630 003 8187 PIPE FITTINGS 1
61 630 061 4893 VALVE 1
62 630 003 8125 PIPE FITTINGS 1

MODEL TCM-3200J
0102-001
180
空圧制御部 PNEUMATIC SECTION
Fig. 10-3 エア配管 Air Piping
21
21
22
22
23
23
25
25
26
29
29
28
28
27
27
41
41
42
42
22
24
25
1-3
1-3
1-2
1-2
1-4
1-4
1
2
3
4
11
12