P-0227-001 - 第42页
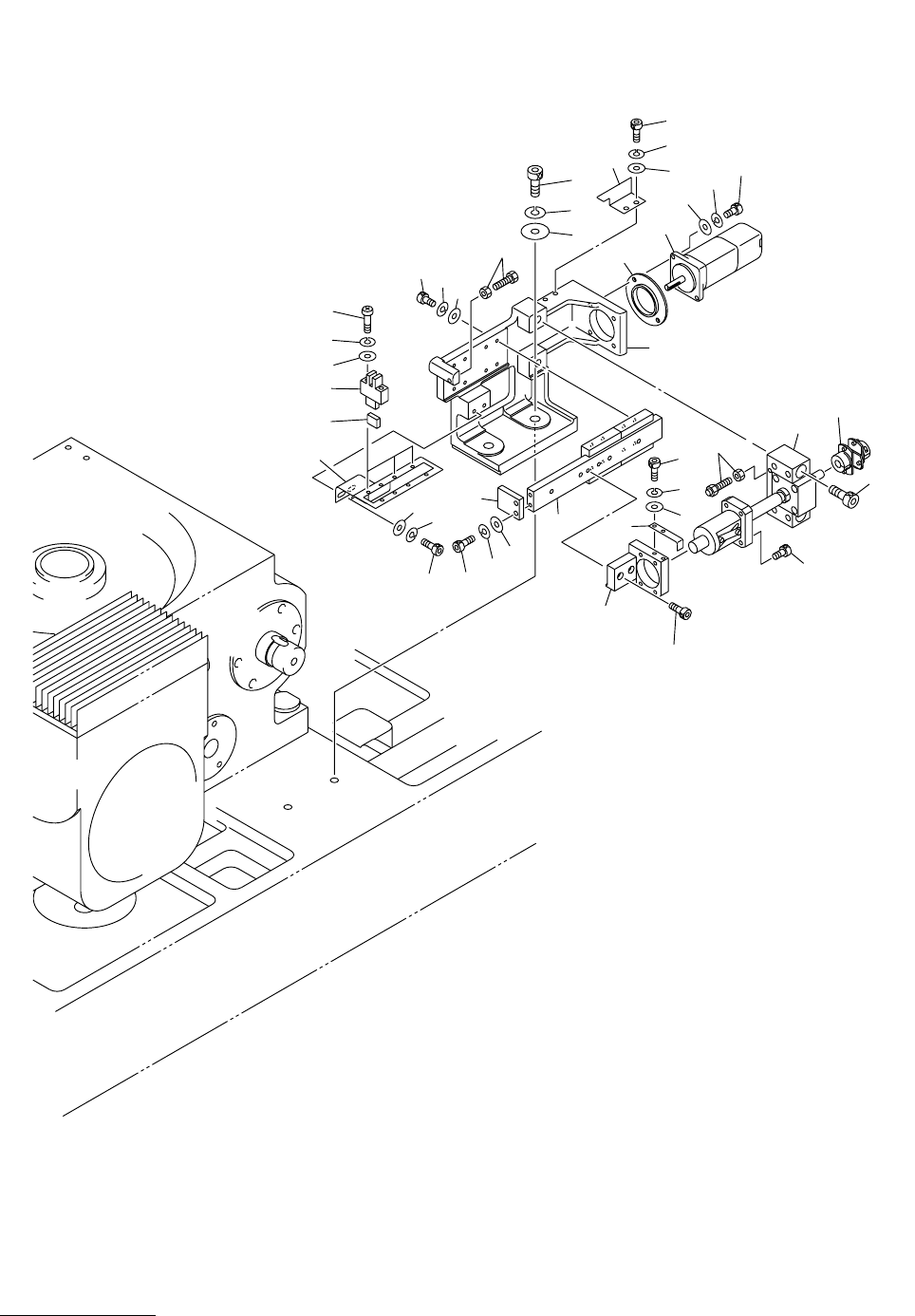
MODEL TCM-3200J 0102-001 40 ヘッド駆動部 HEAD DRIVING SECTION Fig. 3-7 装着上下補正駆動部 Placement Level Adjuster Driver 1 17 19 16 18 20 20 22 22 23 23 24 24 25 25 21 15 10 11 12 13 13 14 2 7 8 9 3 4 5 6 26 26 27 27 28 28 31 31 30 30…

MODEL TCM-3200J
0102-001
Key No. PART No. PART NAME Q’ty REMARKS
NOTE
39
3-6
1 630 048 7169 PLATE 1 759K--01B-024
2 411 141 4503 WASHER V 8X17X1.6 2 FW8
3 411 141 3100 WASHER SPR 8 2 SW8
4 630 000 8029 BOLT,HEX-SCT 2 M8X25
10 630 060 4832 ASSY,LEVER(STOPPER TYPE1) 2
11 630 048 7244 BASE 1 759K--01B-031
12 630 055 2881 SHAFT 1 759K--01B-030
13 630 048 7275 LEVER 1 759K--01B-034
14 630 000 8944 SET SCREW 1 M5X6 SET
15 630 001 1272 BEARING,RADIAL 2 759K--01H-012
16 411 051 1708 SCR TRS 4X6 4 M4X6 TRS
17 630 060 4931 ASSY,CYLINDER(STOPPER R) 2 SV28, SV29
17 -1 630 055 2874 CYLINDER 1 759K--01H-053
17 -2 630 000 0436 CASE,CONN 1
17 -3 630 000 4281 CABLE JOINT,TERMINAL 2
18 411 118 8503 NUT HEX 5 2 M5 F
19 630 000 8647 BOLT,HEX 2 M5X25 HEX
20 630 029 1391 WASHER 8 759K--01H-048
21 411 141 6705 WASHER SPR 5 8 SW5
22 630 000 7763 BOLT,HEX-SCT 8 M5X16
51 630 051 3813 PIPE FITTINGS 1 759K--01H-054
52 630 003 7814 PIPE FITTINGS 1
53 630 003 7791 PIPE FITTINGS 1
54 411 141 3902 WASHER V 3X7X0.5 2 FW3
55 411 141 2806 WASHER SPR 3 2 SW3
56 630 000 7572 BOLT,HEX-SCT 2 M3X25

MODEL TCM-3200J
0102-001
40
ヘッド駆動部 HEAD DRIVING SECTION
Fig. 3-7 装着上下補正駆動部 Placement Level Adjuster Driver
1
17
19
16
18
20
20
22
22
23
23
24
24
25
25
21
15
10
11
12
13
13
14
2
7
8
9
3
4
5
6
26
26
27
27
28
28
31
31
30
30
29
29
33
33
34
35
35
51
52
53
21
64
63
62
61

MODEL TCM-3200J
0102-001
Key No. PART No. PART NAME Q’ty REMARKS
NOTE
41
3-7
1 630 048 4748 BASE 1 759KB-01B-021
2 630 048 7466 GUIDE,LINEAR 1 759KB-01H-021
3 630 048 4694 PLATE 1 759KB-01B-020
4 411 141 4008 WASHER V 4X9X0.8 2 FW4
5 411 141 2905 WASHER SPR 4 2 SW4
6 630 000 7633 BOLT,HEX-SCT 2 M4X12
7 411 141 3902 WASHER V 3X7X0.5 8 FW3
8 411 141 2806 WASHER SPR 3 8 SW3
9 630 000 7510 BOLT,HEX-SCT 8 M3X8
10 630 048 4762 SPACER 1 759KB-01B-025
11 630 091 2999 MOTOR,AC-SERVO 1 SVM7(MZ), #SGMAH-01AAA21
759KB-01H-016
12 411 141 4008 WASHER V 4X9X0.8 2 FW4
13 411 141 2905 WASHER SPR 4 2 SW4
14 630 000 7626 BOLT,HEX-SCT 2 M4X10
15 630 003 1621 COUPLING 1 759KB-01H-015
16 630 048 4779 BRACKET 1 759KB-01B-026
17 630 071 0397 BALL SCREW 1 759KB-01H-014
18 630 000 7633 BOLT,HEX-SCT 4 M4X12
19 630 000 8043 BOLT,HEX-SCT 2 M8X35
20 630 000 7626 BOLT,HEX-SCT 2 M4X10
21 630 048 7527 SHOCK ABSORBER 2 759KB-01H-017
22 630 048 4717 PLATE 1 759KB-01B-028
23 411 141 3902 WASHER V 3X7X0.5 2 FW3
24 411 141 2806 WASHER SPR 3 2 SW3
25 630 000 7510 BOLT,HEX-SCT 2 M3X8
26 630 057 4029 BRACKET 1 759KB-01B-022
27 630 000 0245 SENSOR,PHOTO 3 PHS12, PHS13, PHS14
759KB-01H-011
28 630 000 0269 SENSOR,PHOTO(CONNECTOR) 3 759KB-01H-012
29 411 088 9005 WASHER F 3X6X0.5 6 FWS3 F
30 411 086 4408 WASHER SPR 3 6 SW3 F
31 411 162 1604 SCR PAN 3X20 6 M3X20 PAN
33 411 141 4008 WASHER V 4X9X0.8 2 FW4
34 411 141 2905 WASHER SPR 4 2 SW4
35 630 000 7626 BOLT,HEX-SCT 2 M4X10
51 630 001 0244 WASHER 2 759KB-01H-018
52 411 141 3100 WASHER SPR 8 2 SW8
53 630 000 8036 BOLT,HEX-SCT 2 M8X30
61 630 050 0929 PLATE 1 759KB-01B-036
62 411 141 4008 WASHER V 4X9X0.8 2 FW4
63 411 141 2905 WASHER SPR 4 2 SW4
64 630 000 7626 BOLT,HEX-SCT 2 M4X10