P-0227-001 - 第57页
MODEL TCM-3200J 0102-001 Key No . P AR T No. P AR T NAME Q’ty REMARKS NOTE 55 3-13 2 630 060 4818 ASSY ,LEVER(NOZZEL SELECT) 1 2 -1 630 055 4267 LEVER 1 759K--01B-048 2 -2 630 048 9187 COLLAR 1 759K--01B-053 2 -3 630 001…

MODEL TCM-3200J
0102-001
54
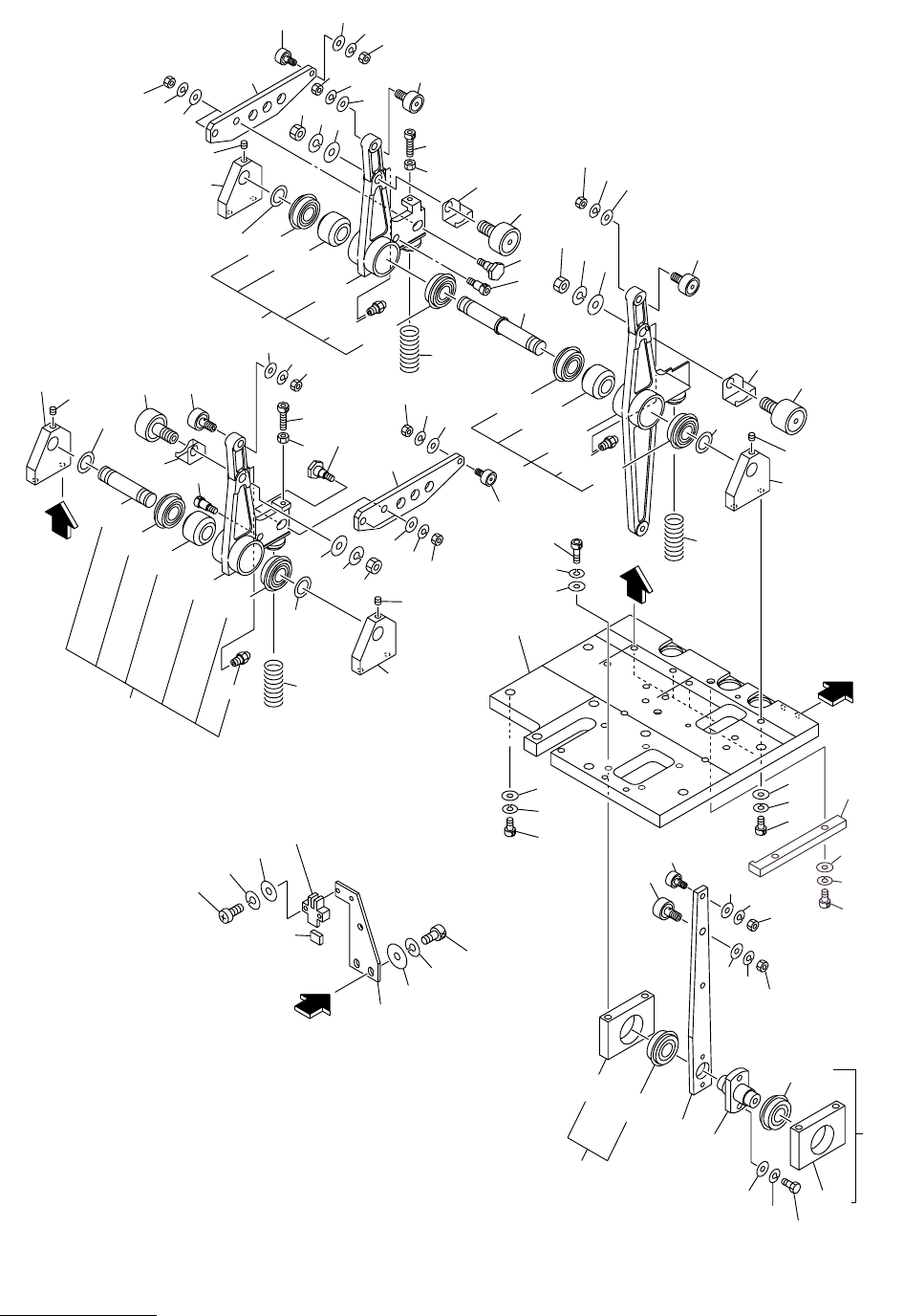
ヘッド駆動部 HEAD DRIVING SECTION
Fig. 3-13 カム軸- 3 レバー Cam Shaft-3 Lever
2-5
2-5
3
4-3
4-3
2-3
2-3
14
14
16
16
15
15
17
17
18
18
19
19
22
27
27
33
33
23
24
25
21
20
20
2-4
2-4
6-2
6-2
13
13
12
12
11
11
6
9
8
7
28
28
30
30
31
31
32
32
85
85
90-2
90-2
90-1
71
71
86
86
87
87
88
88
76
77
77
29-1
29-1
29-2
29-2
29-3
29-3
29-4
29-4
78
78
79
79
72
73
74
74
75
75
Fig.3-13
A
A
2-2
2-2
27-1
27-1
33
33
27
27
33
33
14
14
16
16
15
19
19
18
18
17
22
22
25
25
24
23
2-3
2-3
21
20
6-4
6-4
10
11
12
12
13
13
6
7
8
9
7
8
9
11
11
12
12
13
10
6-1
6-1
90-2
90-2
90-1
90-1
6-5
6-5
10
10
59
58
58
57
51
51
53
53
52
52
54
54
55
55
56
56
26
26
28
28
5-3
5-4
B
B
5-3
5-3
5-2
5-1
5-1
5
26
4
4-2
4-2
4-1
4-1
4-3
4-4
4-4
26
26
28
2-1
2-1
2
26
26
29
29
34
35
36
93
93
92
92
91
91
90
90
27
27
33
TCM-3200J

MODEL TCM-3200J
0102-001
Key No. PART No. PART NAME Q’ty REMARKS
NOTE
55
3-13
2 630 060 4818 ASSY,LEVER(NOZZEL SELECT) 1
2 -1 630 055 4267 LEVER 1 759K--01B-048
2 -2 630 048 9187 COLLAR 1 759K--01B-053
2 -3 630 001 1449 BEARING,RADIAL 2 759K--01H-011
2 -4 630 056 9346 GREASE NIPPLE 1 759K--01H-057
2 -5 630 048 9118 SHAFT 1 759K--01B-044
3 630 048 9125 SHAFT 1 759K--01B-045
4 630 060 9387 ASSY,LEVER(NOZZLE UP) 1
4 -1 630 055 4274 LEVER 1 759K--01B-049
4 -2 630 048 9187 COLLAR 1 759K--01B-053
4 -3 630 001 1449 BEARING,RADIAL 2 759K--01H-011
4 -4 630 056 9346 GREASE NIPPLE 1 759K--01H-057
5 630 060 4825 ASSY,LEVER(SHUTTER) 1
5 -1 630 060 7901 LEVER 1 759K--01B-050
5 -2 630 048 9187 COLLAR 1 759K--01B-053
5 -3 630 001 1449 BEARING,RADIAL 2 759K--01H-011
5 -4 630 056 9346 GREASE NIPPLE 1 759K--01H-057
6 630 056 3658 CAM FOLLOWER 2 759K--01H-018
6 -1 630 061 2318 CAM FOLLOWER 1 759K--01H-058
6 -2 630 058 1928 BOX 1 759K--01B-104
6 -4 630 058 1911 BOX 1 759K--01B-103
6 -5 630 060 8809 BOX 1 759K--01B-106
7 411 141 4701 WASHER V 10X21X2 3 FW10
8 411 141 3209 WASHER SPR 10 3 SW10
9 411 141 1106 NUT HEX 10 9 M10
10 630 007 2501 CAM FOLLOWER 3 759K--01H-020
11 411 141 4503 WASHER V 8X17X1.6 3 FW8
12 411 141 3100 WASHER SPR 8 3 SW8
13 411 141 0901 NUT HEX 8 3 M8
14 630 052 3270 LEVER 2 759K--01B-052
15 630 049 0220 BOLT,HEX-SCT(SHOULDER) 2 759K--01H-037
16 630 052 3287 PIN,LOCATE 2 759K--01B-051
17 411 141 4305 WASHER V 6X12.5X1.6 4 FW6
18 411 141 3001 WASHER SPR 6 4 SW6
19 411 141 0703 NUT HEX 6 4 M6
20 411 141 0505 NUT HEX 5 2 M5
21 630 000 7763 BOLT,HEX-SCT 2 M5X16
22 630 007 2457 CAM FOLLOWER 2 759K--01H-021
23 411 141 4305 WASHER V 6X12.5X1.6 2 FW6
24 411 141 3001 WASHER SPR 6 2 SW6
25 411 141 0703 NUT HEX 6 2 M6
26 630 049 0206 WASHER 4 759K--01H-039
27 630 056 1838 PLATE 3 759K--01B-047
27 -1 630 056 2613 PLATE 1 759K--01B-097
28 630 002 5361 SPRING,COMP 3 759K--01H-030
29 630 091 7390 BASE 1 759K--01B-038
29 -1 630 056 2187 PLATE 1 759K--01B-096
29 -2 411 141 4305 WASHER V 6X12.5X1.6 2 FW6
29 -3 411 141 3001 WASHER SPR 6 2 SW6
29 -4 630 000 7916 BOLT,HEX-SCT 2 M6X30

MODEL TCM-3200J
0102-001
Key No. PART No. PART NAME Q’ty REMARKS
NOTE
56
3-13
30 411 141 4305 WASHER V 6X12.5X1.6 8 FW6
31 411 141 3001 WASHER SPR 6 8 SW6
32 630 000 7916 BOLT,HEX-SCT 8 M6X30
33 630 000 8944 SET SCREW 4 M5X6 SET
34 411 141 4503 WASHER V 8X17X1.6 4 FW8
35 411 141 3100 WASHER SPR 8 4 SW8
36 630 000 8043 BOLT,HEX-SCT 4 M8X35
51 630 048 9743 BRACKET 1 759K--01B-061
52 630 000 0245 SENSOR,PHOTO 1 PHS38 759K--01H-040
53 630 000 0269 SENSOR,PHOTO(CONNECTOR) 1 759K--01H-043
54 411 119 1909 WASHER V 3X7X0.5 2 FW3 F
55 411 086 4408 WASHER SPR 3 2 SW3 F
56 411 040 7803 SCR PAN 3X12 2 M3X12 PAN
57 630 001 0220 WASHER 2 759K--01H-050
58 411 141 6705 WASHER SPR 5 2 SW5
59 630 000 7763 BOLT,HEX-SCT 2 M5X16
71 630 048 9385 LEVER 1 759K--01B-056
72 630 034 0044 CAM FOLLOWER 1 759K--01H-019
73 411 141 4503 WASHER V 8X17X1.6 1 FW8
74 411 141 3100 WASHER SPR 8 1 SW8
75 411 141 0901 NUT HEX 8 1 M8
76 630 007 2457 CAM FOLLOWER 1 759K--01H-021
77 411 141 4305 WASHER V 6X12.5X1.6 1 FW6
78 411 141 3001 WASHER SPR 6 1 SW6
79 411 141 0703 NUT HEX 6 1 M6
85 630 048 9378 SHAFT 1 759K--01B-055
86 411 088 1702 WASHER V 5X10X1 2 FW5 F
87 411 008 2109 WASHER SPR 5 2 SW5 F
88 411 140 5006 BOLT HEX 5X16 2 M5X16 HEX
90 630 060 4894 ASSY,HOLDER(NOZZEL DOWN) 2
90 -1 630 056 1845 HOLDER 1 759K--01B-054
90 -2 630 001 1449 BEARING,RADIAL 1 759K--01H-011
91 411 141 4305 WASHER V 6X12.5X1.6 4 FW6
92 411 141 3001 WASHER SPR 6 4 SW6
93 630 000 7916 BOLT,HEX-SCT 4 M6X30