ETF72-88S-Rev01 - 第5页
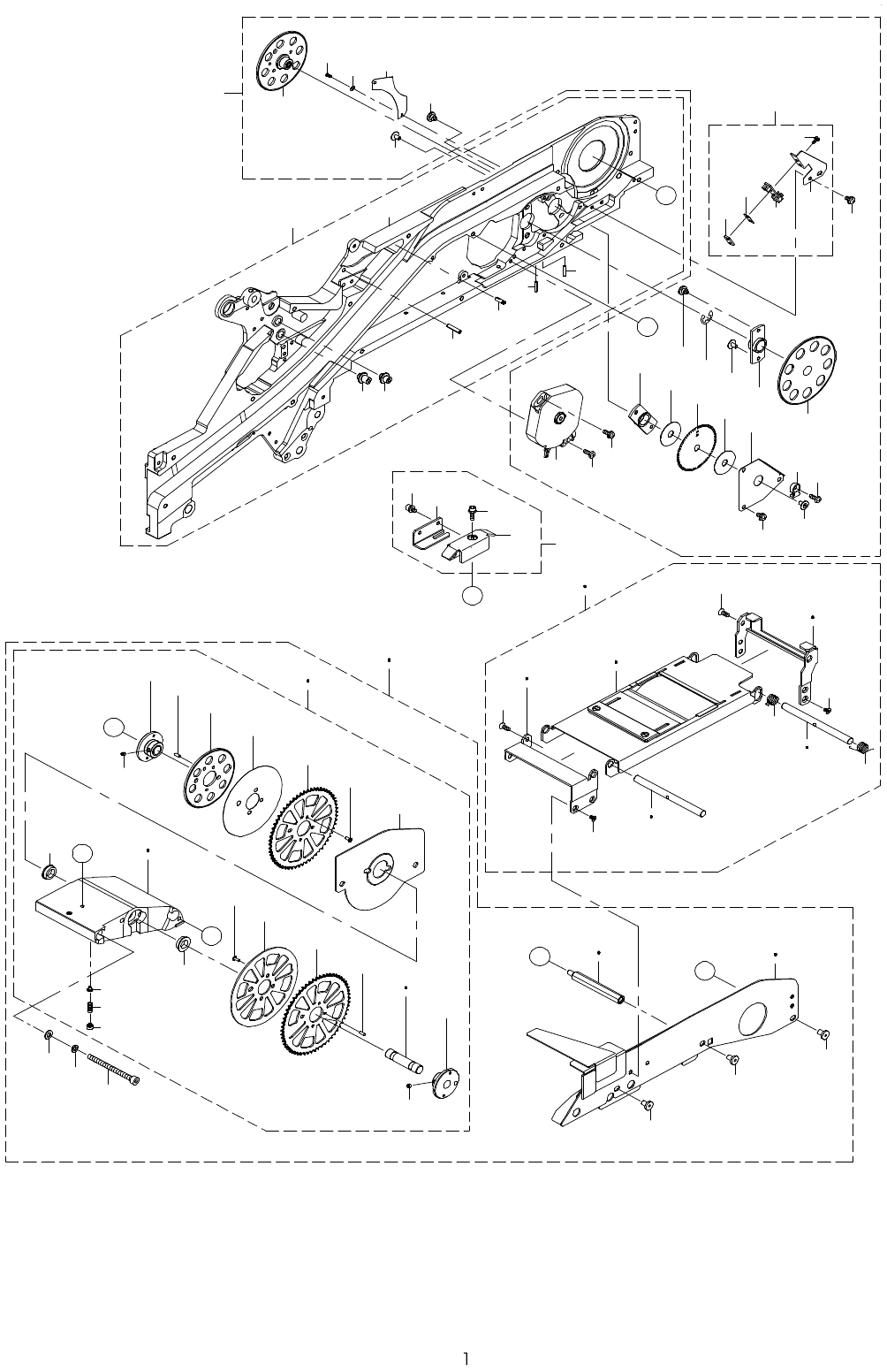
- - REF.NO NOTE PART NO D E S C R I P T I O N Qty 1 400-91578 EF32_MAIN_FRAME_UNIT 1 2 400-91584 MAIN_FRAME_32 (1) 3 PS-0200082-KH SPRING PIN (2) 4 400-68240 PULL_GEAR_SH (1) 5 400-68241 PULL_INTERMEDIATE_SH (1) 6 PS-…

- -
1. EF72FS/EF88FS (1)
1
4 5
6
7
5 4
5 5
5 7
3 3
3 5
3 7
3 7
3 8
3 6
3 9
4 0
4 4
4 5
4 6
3 4
3
3
2
1 2 1 3
1 0 1 1
1 4
1 5
1 0 1 1
1 8
1 8
1 6 1 7
1 9
2 0 2 1
8 9
4 1
4 2
4 3
5 3
4 9
5 6
3 0
3 1
3 2
2 9
4 7
8 0
6 2
6 3
6 4
6 5
6 6
6 7
6 8
6 9
7 0 7 1
7 2 7 3
7 4
7 5
7 6
7 6
7 7
7 8
7 9
A
4 8
5 1
5 0
5 2
8 7
8 6
2 5
2 4
2 7
2 6
2 3
A
7 4
8 4 8 5
8 6
8 2 8 3
6 0 6 1
B
B
C
C
5 8 5 9
2 8
D
D
2 2
8 6
8 8
8 9
8 1
8 1

- -
REF.NO NOTE PART NO D E S C R I P T I O N Qty
1 400-91578 EF32_MAIN_FRAME_UNIT 1
2 400-91584 MAIN_FRAME_32 (1)
3 PS-0200082-KH SPRING PIN (2)
4 400-68240 PULL_GEAR_SH (1)
5 400-68241 PULL_INTERMEDIATE_SH (1)
6 PS-0300142-KH SPRING PIN 0.3 X 14 (1)
7 E6347-705-000 FASTENER PIN BX3 (1)
8
#01
401-32185 EF72_UPPER_COVER_UNIT 1
9
#02
401-32199 EF88_UPPER_COVER_UNIT 1
10
#01
401-13297 UPPER_COVER_SH_72 (2)
11
#02
401-13346 UPPER_COVER_SH_88 (2)
12
#01
401-32186 EF72_UPPER_COVER_ASSY (1)
13
#02
401-32200 EF88_UPPER_COVER_ASSY (1)
14 400-91622 UPPER_COVER_SP_L_32 (1)
15 400-91623 UPPER_COVER_SP_R_32 (1)
16
#01
401-13298 UPPER_COVER_BRKT_F_72 (1)
17
#02
401-13347 UPPER_COVER_BRKT_F_88 (1)
18 SM-1030801-SC SCREW M3 L=8 (2)
19 400-55256 SCREW M3X5 MEC (4)
20
#01
401-13299 UPPER_COVER_BRKT_72 (1)
21
#02
401-13348 UPPER_COVER_BRKT_88 (1)
22 400-55256 SCREW M3X5 MEC (4)
23 400-91583 EF32_EMBOSS_SPACER_ASSY 1
24 E6902-706-R00 EMBOSS SPACER 32B (1)
25 SL-6030692-TN SCREW M3 L=6 (2)
26 SL-6031092-TN SCREW (1)
27 400-91599 EMBOSS_SPACER_ETF (1)
28 400-91579 EF32_FEED_UNIT 1
29 400-85320 FEED_2ND_GEAR_BRKT_12 (1)
30 RE-0600000-K0 E-RING 6 (1)
31 400-85323 BRKT_SCREW_12 (1)
32 E8226-706-000 SCREW (1)
33 400-85324 FEED_3RD_GEAR_BRKT_12 (1)
34 400-91586 FEED_3RD_GEAR_ASSY_32 (1)
35 400-85323 BRKT_SCREW_12 (1)
36 E8226-706-000 SCREW (1)
37 400-85327 PP_SENSOR_WASHER_12 (2)
38 400-91587 PP_SLIT_PLATE_32 (1)
39 E8226-706-000 SCREW (1)
40 400-91588 SLIT_PLATE_COVER_32 (1)
41 SL-4030681-SC SCREW M3 L=6 (2)
42 HX-0056700-00 TIE MOUNT (1)
43 SM-4030801-SC SCREW M3 X 8 (1)
44 400-91589 COVER_PLATE_32 (1)
45 WP-0220300-SC WASHER (2)
46 400-85419 SCREW M2X4 (2)
47 SL-4030681-SC SCREW M3 L=6 (2)
48 400-91590 FEED_ONE_SENSOR_ASSY_32 (1)
49 400-74097 PP SENS B PCB ASM (1)
50 400-77513 PP_SENSOR_COVER (1)
51 400-77512 PP_SENSOR_PLATE_NUT (1)
52 SL-4020581-SC WASHER SCREW (2)
53 400-91594 FEED_ONE_SENSOR_BR_32 (1)
54 400-91704 FEED_MOTOR_ASSY_32 (1)
55 SL-4030881-SC SCREW M3X8 (1)
56 400-91585 FEED_MAIN_GEAR_ASSY_32 (1)
57 SM-4030801-SC SCREW M3 X 8 (1)
58
#01
401-32187 EF72_FEED_GUIDE_UNIT 1
59
#02
401-32201 EF88_FEED_GUIDE_UNIT 1
60
#01
401-32188 EF72_FEED_SPROKET_ASSY (1)
61
#02
401-32202 EF88_FEED_SPROKET_ASSY (1)
62 400-91651 SPROCKET_HOLDER_32 (1)
63 400-91652 FEED_4TH_GEAR (1)
64 E6104-706-R00 SPROCKET SPACER (1)
65 400-91653 SCREW_SETS_M2X5 (2)
66 E6102-706-R00 SPROCKET WHEEL32 (1)
67 400-91651 SPROCKET_HOLDER_32 (1)
68 E6108-706-R00 SPROCKET GUIDE PLATE (1)
69 400-91653 SCREW_SETS_M2X5 (2)
70
#01
401-13302 FRONT_BLOCK_72 (1)
71
#02
401-13351 FRONT_BLOCK_88 (1)
72
#01
401-13303 SPROCKET_SH_72 (1)
73
#02
401-13352 SPROCKET_SH_88 (1)
74 SB-1080014-00 ROLLING BEARING (2)
75 400-91656 SPROCKET_SHIELD_PLATE_32 (1)
76 E2250-525-000 SET SCREW (4)
77 401-01330 SPROCKET_PUSHER_12_OL (1)
78 400-77529 PLUNGER_SP (1)
79 400-85390 SPRING_GUIDE_SCREW_12 (1)
80 E6102-706-R00 SPROCKET WHEEL32 (1)
81 401-22613 PARALLEL_PIN_2X5 (2)
82
#01
401-13304 FRONT_COVER_SH_72 (2)
83
#02
401-13353 FRONT_COVER_SH_88 (2)
84
#01
401-32148 TAPE_GUIDE_72 (1)
85
#02
401-32149 TAPE_GUIDE_88 (1)
86 E6511-706-R00 REINFORCE BL SCREW (3)
87 SM-6045052-TN SCREW M4 L=50 (2)
88 WP-0430800-SC WASHER M4 (2)
89 WS-0410002-KN SPRING WASHER M4 (2)

- -
2. EF72FS/EF88FS (2)
2
3
5
6
7
8
1 1
1 2
1 3
1 9
1 5
1 6
1 7
1 8
1 1 4
1 1 5
1 1 6
1 1 3
1 1 7
A
1 0
9
4
1 4
2 6
2 5
2 4
2 0 2 1
3 1
3 2
2 8
3 0
2 7
3 3 3 4
2 9
6 7 6 8
7 1 7 2
9 3
4 8
2 2
2 3
8 0
7 7 7 8
1 0 1
1 0 2
9 8
1 0 0
9 8
9 9
1 0 3
1 1 2
3 6
3 5
6 2
8 2
3 7
8 1
1 0 4
1 1 1
1 0 7 1 0 8
3 8 3 9
4 1
6 6
6 4 6 5
5 2 5 3
6 0
4 7
5 6 5 7
5 8 5 9
6 1
5 4 5 5
6 3
9 6
9 7
B
B
9 5
A
4 9 5 0
6 9 7 0
1 0 9 1 1 0
1 0 5 1 0 6
1
6 9 7 0
7 5
5 1
C
C
7 6
7 3
4 4
8 4
4 5
8 3 9 4
8 4
4 3
4 2
4 0
1 1 8
9 0
8 9
8 8
4 6
7 9
8 7
9 1 9 2
8 5 8 6
1 1 9
7 4
4 1