5M-1751-004w_G5S - 第142页
4-17 5OM-1751 1304-001-(31010WB---1005) Safety Relay Circuit U U K1 K2 K4 K3 b a b a Control Circuit Timer OFF Delay K4 K3 K2 K1 54 44 34 24 14 A B T22 T21 PE T 11 T12 T31 T32 13 23 33 43 53 A2 A1 62 61 T32 Y1 A1 T33 T31…

4-16
5OM-1751
1304-001-(31010WB---1004)
POWER ON Circuit
1 2 3 4 5 6 7 8
A
B
C
D
E
F
5 4
6 5 4 3
16 13
POWER ON(Front)
S101F
K2B
K1A
K43
K2A
K2B
12 1
K1A
8 1
K2A
(1Sec)
24
22
21
1
2
3
24A0
POWER ON(Rear)
S101B
+ -
+ -
24A2
3 4
K31
5
2
X153
[B-/06/5B]
to X30D1-B
[B-/05/5B]
445
X27153
U27
1
[D-/02/2D]
500
XOPNL-F
:8
XOPNL-F
:9
XOPNL-F
:10
X102704
:2
X202704
:3
X2704
:11
X2704
:12
X2704
:13
X2705
:11
X2705
:13
XOPNL-B
:9
XOPNL-B
:10
XOPNL-B
:8
X2705
:12
X2704
:14
X2705
:14
[D-/03/7E]
From XOPNL-F
From XOPNL-B
10
10
[D-/03/7E]
10 9
8
[B-/07/5B]
to X30D1-F
X202704
:1
from CN150:10
from K3:44
X1027153
:1
:2
X2027153
:1
:2
3
4

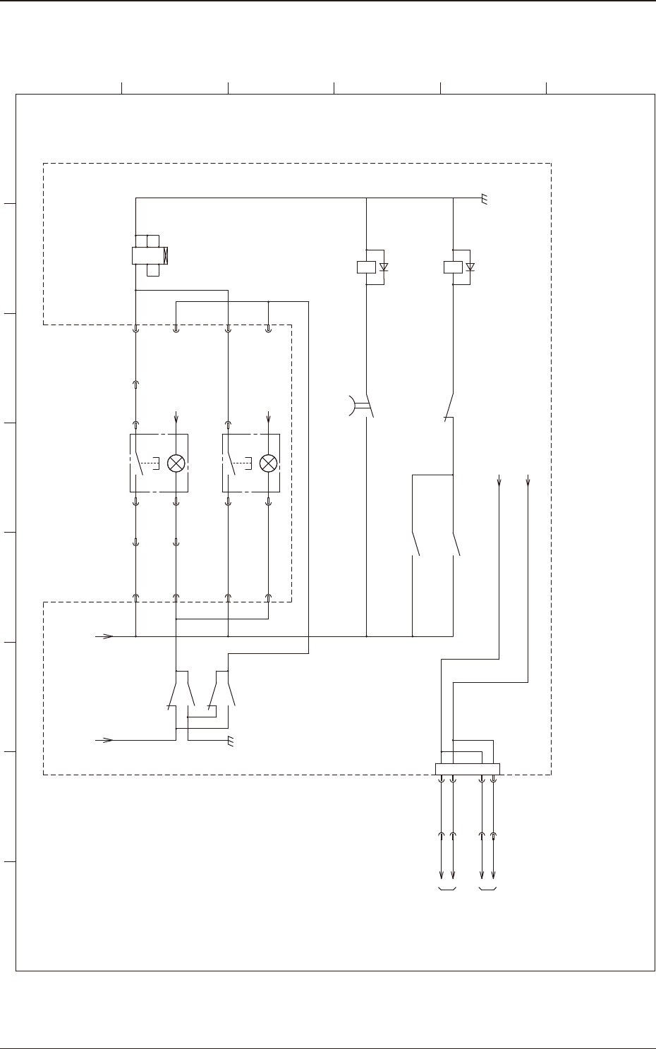
4-17
5OM-1751
1304-001-(31010WB---1005)
Safety Relay Circuit
U
U
K1 K2
K4K3
b
a
b
a
Control
CircuitTimer
OFF Delay
K4
K3
K2
K1
54
44
34
24
14
A
B
T22
T21
PET11
T12
T31
T32
13
23
33
43
53
A2A1
62
61
T32
Y1
A1
T33
T31
T22
T12
T42
T41
S14
S24
D1
D2
D3
D4
A2X1X2
S44
S54
L1
X2709
:5
:6
:7
:8
X2704
:9
:8
:10
:7
X:S151F
:3
:2
:4
:1
:5
X2705
:9
:8
:10
:7
X:S151B
:3
:2
:4
:1
:5
21 22
6 8
6 9
21 22 22 21
K10
S105F
S105B
K2B
K22
S105F
K33A K33B
S131
S131
S132
S132
31 32
11 12
31 32
11 12
K31
K33A
K33B
11 12
11 12
22 21
1 12
A1 A2
A1 A2
K10
A1 A2
K3 K4
24A2
24A2
W
BK
BR
BL
Y
S151B
W
BK
BR
BL
Y
S151F
[D-/02/1F]
to U27-CN9:9
[D-/02/1C]
to U27-CN150:10
U27 U27
U27
U27
U27 U27
[B-/04/5E]
24A2
24A2
331
10
420
24A2
405B
405A
401
24A2
336
441
445
334
500
408
412
10
416415
429
430
446
D2
D3
D4
D1
440
443
420A
414
S105B
22 21
X202704
:9
:8
:10
:7
10
[D-/02/1C]
from U27-CN150:9
Safety Relay Safety Relay
:11
:12
:14
:8
:7
:4
:3
:1
X27150
X27150
X27150
X27150
X27150
X27150
:2
X2704
:1
X2704
:2
X2705
:1
X2705
:2
:1
X202704
X202704
:2
X2723
:1
X2723
:3
X2705
:4
X2705
:3
X2704
:4
X2704
:3
X202704
:4
X202704
:6
X27150
:5
X27150
:13
:15
:16
X27150
:5
X2731
:1
:2
X20520
:1
X2709
:11
:10
X2732:6
X2732:2 X2709:3
X2709:4X2731:6
X2731:2 X2732:1
X2732:5
X10520:3
X10520:6
X10520:2
X10520:5
X10520:1
X10520:4
JP
3 4
to U27-CN1153:2,4
1 2 3 4 5 6 7 8
A
B
C
D
E
F
Emergency Stop SW
(Front)
Emergency Stop SW (Rear)
Feeder Cover Detection
(Front)
Feeder Cover Detection
(Front)
Safety Door Switch
(Front)
Safety Door Switch
(Rear)
Emergency Stop SW (Front)
Emergency Stop SW (Rear)
XY-Beam Main Power Input
XY-Beam Main Power Input

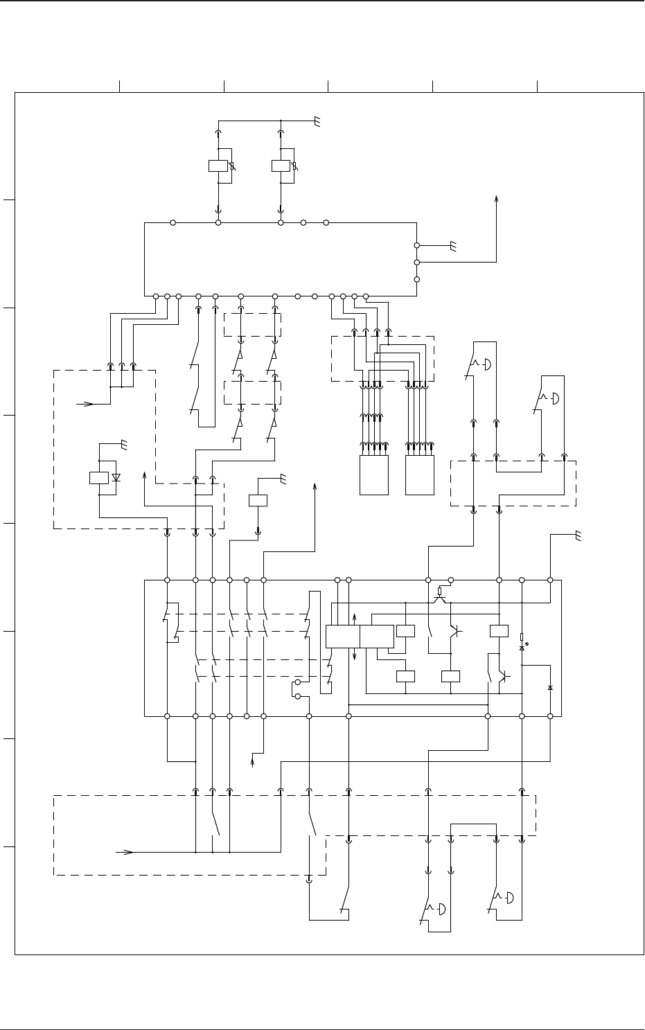
4-18
5OM-1751
1304-001-(31010WB---1006)
X30B Connector Connection Circuit
‹óˆ³
from U27-CN153
[D-/04/1E]
:5
:1
:2
:3
X30A2-B
445
Connector X30B
[B-/02/7E]
from U27-CN111
10
10
10
24G1A
24G1B
24G1B
[B-/01/4E]
from Q201
:1
:2
:1
:2
X30A1-B
L120
L220
:4
:A1
:3
SG
[D-/08/2D]
to U01-CN30,48
:1
:2
:3
:1
:2
:3
X30D1-B
10
648
540
:7
:8
:9
:A1
:A2
:B1
X30D2-B
:4
from A63B-CN2
[DC/01/7C]
:12
:2
:3
COM B
GND
:10
COM A
:1
X30D3-B
:11
E
:4
512
10
10
24A2
24G1A
:3
:B1
:4
:A2
:5
:B2
:6
:A3
:7
:B3
:8
:A4
:9
:B4
:10
:A5
:11
:B5
:12
[N-/05/7C]
from U08-CN2
:1
:2
:3
:4
:5
:1
X30C1-B
DN:RX+
DN:RX-
DN:TX+
DN:TX-
SG
:2
:3
:6
:4
:5
:7
:8
:9
[F-/01/7B]
from U81-SERIAL1
:7
:8
:9
:6
:10
:2
:3
:4
:5
:6
:7
:8
TxD
DTR
GND
RxD
DSR
RTS
CTS
:1
X30C2-B
FG
:9
:6
500
:6
:5
:B2
-CN112
from U27-CN121
[B-/02/7D]
RS232C
1 2 3 4 5 6 7 8
A
B
C
D
E
F
A Module
Tray
AC200V Power
B Module
C Module
EMI Case
Tray
DC24V Power
Feeder
DC24V Power
High-Speed I/O(HSIO)
D Module
SV-NET(1ch)
Connection Check 1(B1)
Connection Check 1(B1)
Tray Inter Lock(B1)
Tray Power Supply(B1)
Emergency stop(Machine)
Multi-Tray(ACV)(OP)
ID Controller