5M-1751-004w_G5S - 第137页
4-12 5OM-1751 1305-002A(21010W A--1001) Integrated Block Diagram (Details D) E F G H 410051 1C5E 210101 1C83(3.5m) 210101 1C84 ( 2.5m ) UB95 310101 1C2V ( 3m ) 310101 1C2W ( 2m ) KB-STP-03LB ( 3m ) 310101 1C6X ( 3.3m ) N…

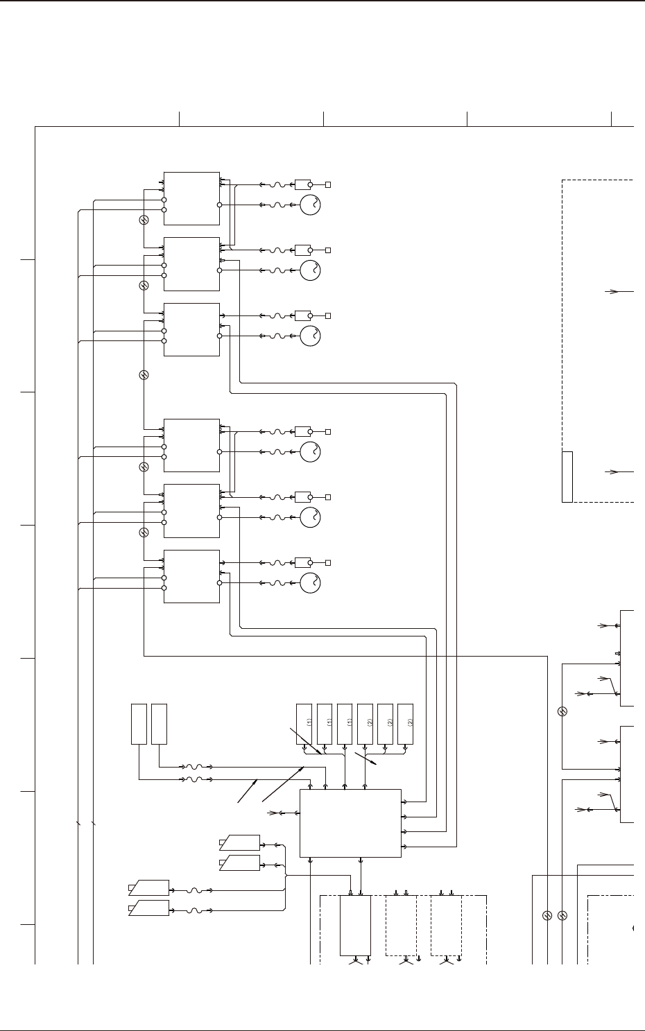
4-11
5OM-1751
1305-002A(21010WA--1001)
Integrated Block Diagram (Details C)
7 8 9 10 11 12
A
B
C
D
UC19
44W200458644W2004586 44W2004586 44W2004586
3101016D01
3100516D0P
3100516D0Q
3100511C1F
3100511C1D
KR-ECM15(SANWA SUPPLY
)
G5はG4W2002692/KRS433XF-07K
44W2004586
44W2004587
3101011C6V
3101011C6W
44W2004588
44W2004589
FO-PF1-2HB209-0.3M
FO-PF1-2HB209-3M
FO-PF1-2HB208-3M
FO-PF1-2HB208-4M
FO-PF1-2HB209-1M
FO-PF1-2HB209-2M
30cm 30cm 30cm 30cm
3101011C6W(2m)
44J1001010 CF-AD1
KB-STP-005LB:0.5M(SANWA SUPPLY
)
No.91
No.91
No.91 No.91
44W2004586
30cm
No.91
No.127 No.128 No.129 No.130 No.131 No.132
3101011C6V(1m)44W2004587(3m) No.89
No.92
No.88
W101016D07
W101016D08
SSCNET3
SSCNET3
3
2
A31B
CNP1 CN1A CN3
A31F
24A224A6 24A2
48D3A 48D3B
U92
PIO
CAM
U93
CN2
CN3
U95
CN6
CN8
CN5
CN7
E192
E39
E39
Option
CN1B
SSCNET3
CNP1 CN1A CN3CN1B
24A6
E193
E191
E192
E193
Servo Motor
M21F
Linear Scale
I/F
U21F
M22F
U22F
M23F
U23F
AMP
Linear Scale Linear Scale
I/F I/F
A21B
M21B
Linear Scale
I/F
U21B
M22B
U22B
M23B
U23B
Linear Scale Linear Scale
I/F I/F
3
M
3
M
3
M
3
M
3
M
3
M
B36(1)
B36(2)
B61(1)
B61(2)
(B) (F) (B) (F)
U94
PIO
CAM
Option
3100511C1F
3100511C1D
PIO
CAM
Linear Motor
AMP
A22B
AMP
A23B
Servo Motor
AMP
A21F
AMP
A22F
AMP
A23F
X-Axis Y1-Axis Y2-Axis X-Axis Y1-Axis Y2-Axis
(1)
(2)
No.127 No.128 No.129 No.130 No.131 No.132
48D3
48D3
AE LINK(CH2)
PCB Recognition
Camera
Recognition
Camera
Component
PCB Recognition
Lighting
CPU1(Operation and Recognition)
Lighting
Control
LED
Linear Motor Linear Motor Linear Motor
COM3 COM4
PCB
COM1 COM2
Frame
Grabber1
Frame
Grabber2
Frame
Grabber3
E191
Ring Lighting
(Rear)
Coaxial Lighting
Base MarkBase Mark
(Rear)
(Rear)
(Front)
(Front)
(Front)
48D
CN1
Ring Lighting
Coaxial Lighting
Base MarkBase Mark
CONVEYOR

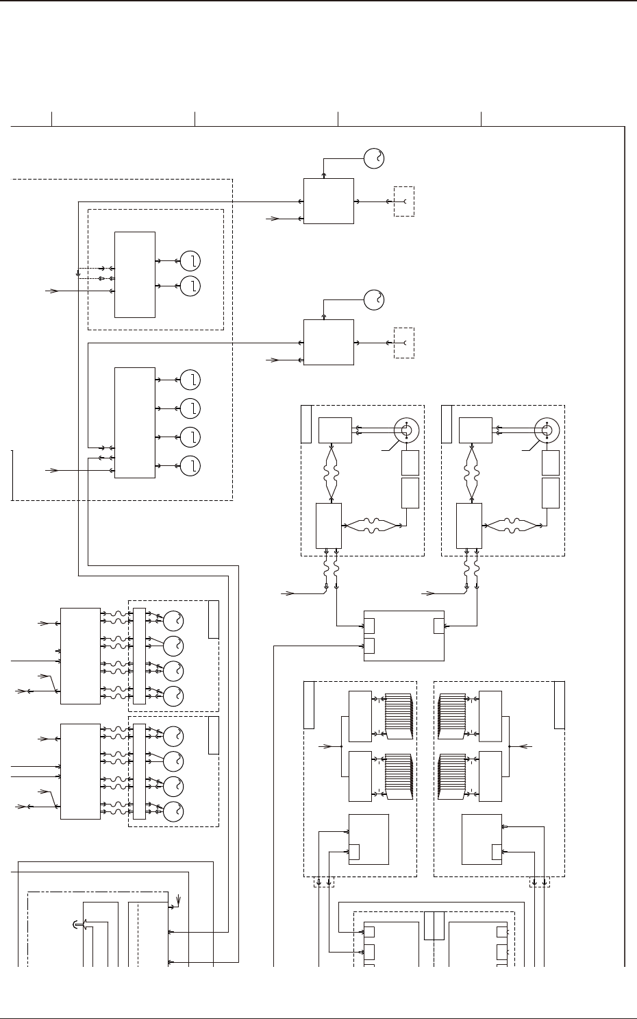
4-12
5OM-1751
1305-002A(21010WA--1001)
Integrated Block Diagram (Details D)
E
F
G
H
4100511C5E
2101011C83(3.5m)
2101011C84(2.5m)
UB95
3101011C2V(3m)
3101011C2W(2m)
KB-STP-03LB
(3m)
3101011C6X
(3.3m)
No.97
No.98 3101011C6Y
改
24A6
AE LINK
NLNSDD
Servo Motor AMP
A31B
CNP1 CN1A
HL
CN3
NLNSDD
A31F
HL
24A224A6 24A2
48D3A 48D3B
Servo Motor AMP
24A6
CN1B CNP1 CN1A CN3CN1B
24A6
AE LINK
2CH
S-CV
U05
CN2
Camera
Slip
Rings
U37
U06
IO PCB
U69
IO PCB
U69
U67 U68
FEEDER
FEEDER
1-15Lane
U67 U68
FEEDER
FEEDER
Feeder Cart1
HEAD1
J1
P2A 2A P2B 2B P2C 2C P2D 2D P2A 2A P2B 2B P2C 2C P2D 2D
U14
U08
UP
UP
DN T
DN T
HSIO
UP
UP
HSIO
HSIO
UB95
UB95
CH1
CH2
X30B
X30F
3
M
3
M
3
M
3
M
3
M
3
M
3
M
3
M
No.97
AE LINK(CH1)
A11
PWR
N2N1
48D3
A10
PWR
48D3
AE LINK(CH2)
Stepping Motor Driver
M MM
M46 M47M42
N2N1
X30F
X30B
CN2
CN12
A63B
M
M41
M
M45
M
M44
IO PCB
IO PCB
Feeder Cart2
16-30Lane
Connector Connector
HEAD1 HEAD2
D-CV
AE-LINK
24G1A,B
24G2A,B
Side View
Ligh
t Emitting
U03 U04
CN8
CN1
24A6
IO PCB
U02
UP T
T
HSIO
HSIO
CN5F
CN5BCN1
CN10
U05
CN2
Camera
Slip
Rings
U37
U06
HEAD1
J1
Side View
Light
Emitting
U03 U04
CN8
CN1
CN10
1-15Lane 16-30Lane
U07 U07
M63
3
M
(B1)
Servo Motor
AMP
CN2
A63F
M63
3
M
(B2)
Servo Motor
AMP
CN12
Stepping Motor Driver
Option
Back up Base
48D3C 48D3D
CONVEYOR

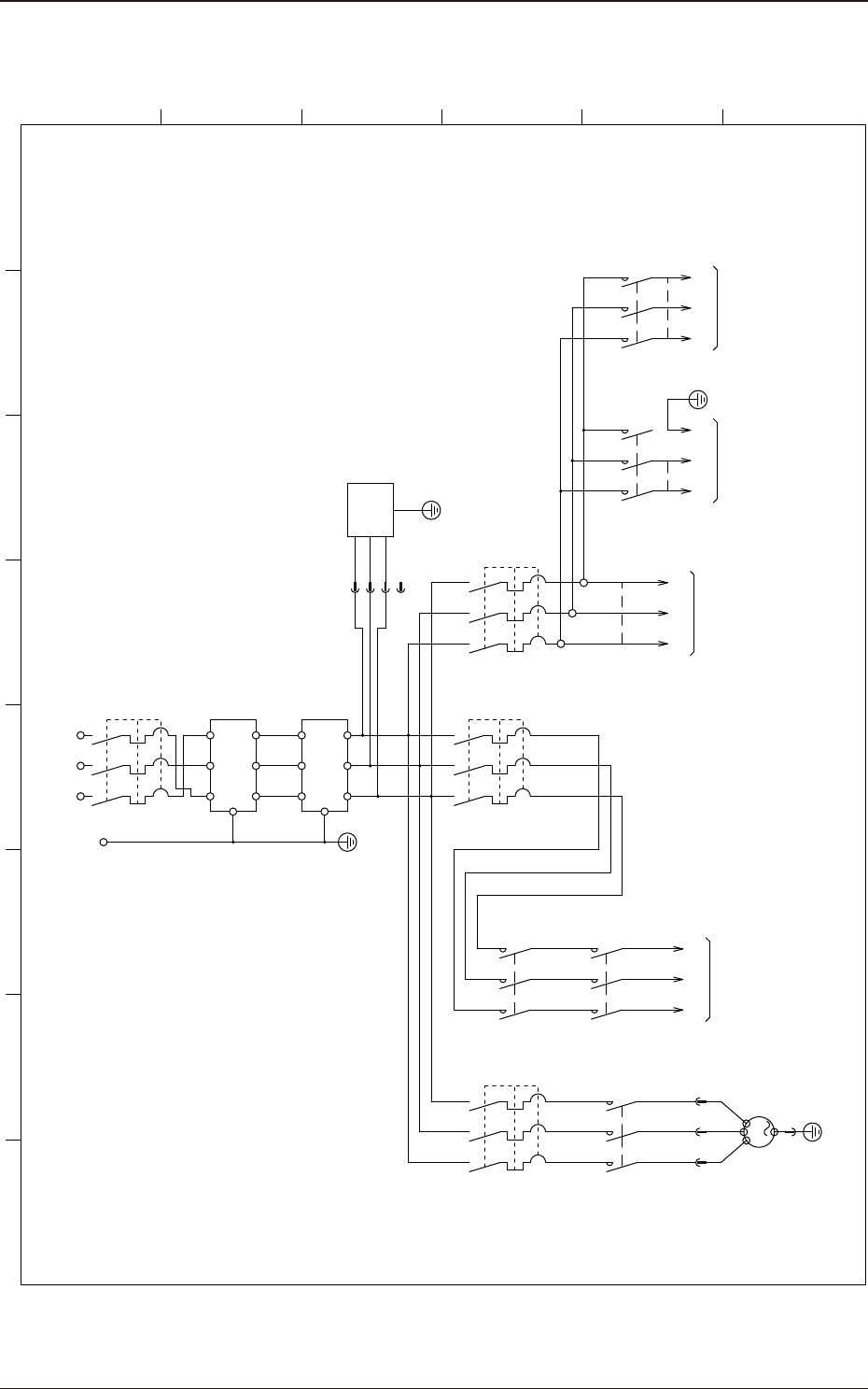
4-13
5OM-1751
1304-001-(31010WB---1001)
AC200V Circuit
3101011C30
44W2004737
3101011C30
G1,3 Line Only
3
M
L3L2L1
Z2
K29
M66
3 5
4 6
1
2
L131
L231
L331
3 5
4 6
1
2
3 5
4 6
1
2
L330
L230
L130
Q205
Z1
PE
3 5
4 6
1
2
3 5
4 6
1
2
L31
L21
L11
L110
L210
L310
L111
L211
L311
L232L132 L332
L220L120 L320
L221L121 L240L140 L340
[B-/03/2B]
to G2
[R-/01/3A]
to G21 Inlet
to X30B,X30F
[C-/01/1A]
to A21B,A22B,A23B
A21F,A22F,A23F Main Power
[C-/01/1D]
[C-/01/5B] [C-/02/1A]
[C-/02/1D] [C-/02/5B]
[B-/06/1B]
to G1,G3 main
[B-/02/1A]
:1 :2 :3
X:M66
[C-/01/1A]
to A21B,A22B,A23B
A21F,A22F,A23F Control Power
[C-/01/1D]
[C-/01/5C] [C-/02/1A]
[C-/02/1D] [C-/02/5C]
L300
L200
L100
F200
[B-/07/1B]
E
[R-/01/8A]
to AC-DC Adaoper Inlet
Noise Filter
3 2 1
6 5 4
L30
L20
L10
:4
U
V
W
E
1
2
3
XF200:1
:2
:3
:4
Noise Filter
Main Breaker
Lightning Surge Protecter
Vacuum Pump
Circuit
Protecter
Relay
4A
Q221
Circuit
Protecter
30A
Q206
30A
Q200
50A
K33B
Relay
K33A
Relay
K28
Relay
K10
Relay
3 2 1
6 5 4
Circuit
Protecter
1 2 3 4 5 6 7 8
A
B
C
D
E
F