5M-1751-004w_G5S - 第149页
4-24 5OM-1751 1304-001-(31010WD---1001) I/O PCB U01 Connection Circuit 1 + - OUT1 OUT2 + - OUT1 OUT2 1 2 3 CN26 K75 A2 A1 K77 A2 A1 18 16 14 13 14 13 11 10 8 7 15 12 9 17 19 5 4 6 1 2 3 5 4 6 1 2 3 4 X2 X1 10 24A3 10 24A…

4-23
5OM-1751
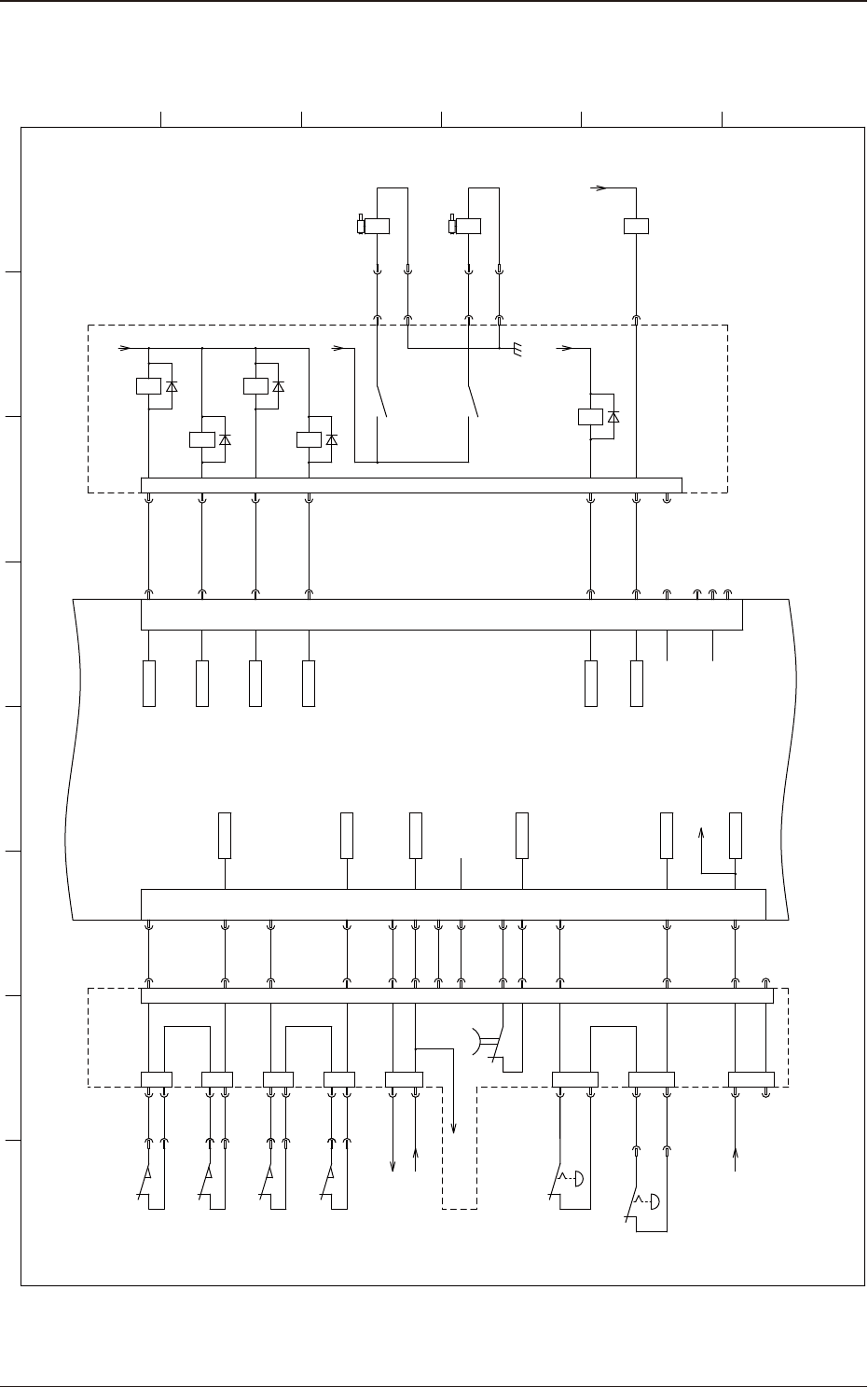
1305-002A(31010WC--1004)
B2 Haed Servo Amplier Connection Circuit
1 2 3 4 5 6 7 8
A
B
C
D
E
F
A31B
Servo Motor AMP
1
3
5
7
2
4
6
8
13
PA1
PAR1
PB1
PBR1
PA4
PAR4
PB4
PBR4
PG5
CN5
16
:A1
CNP2A
B12BU
:A2
1AV
:A3
2AW
:B1
U
:B2
V
:B3
W
:A8
U
:A9
V
:A10
W
:B8
2BU
:B9
1AV
:B10
2BW
:A5
:A6
:A7
:1
CN2A
A4P5
:2
B4P5G
:3
A1MR1
:4
B1MRR1
:5
B5BAT
A4
B4
:6
A1
:7
B1
:8
:9
:10
:11
:13
4NS_ORGN
:14
3HL_OR-/L2_OR-
:15
3L1_OR-
:B7
A4
B4
A1
B1
A4
B4
A1
B1
:Case
B1
X31P2AB
X31P2BB
X31P2CB
X31P2DB
CNP2B
CNP2C
CNP2D
P5
P5G
MR1
MRR1
P5
P5G
MR1
MRR1
P5
P5G
MR1
MRR1
Shield
X312AB
X312BB
X312CB
X312DB
B2
B3
B8
B9
B10
A8
A9
A10
A1
A2
A3
A5
A6
A7
1
2
3
6
7
8
9
10
11
17
18
19
4
5
U07
Connector PCB
1BE A4
2B
1A
2A
2B
1A
2A
CN2B
CN2C
CN2D
:12
16
:20
:21
:22
:23
:24
1
2
3
4
5
HEAD1
X314BB
X314CB
X314DB
CN1
CN2
X0701
X0702
XH
1
2
N.C
NL_INLK
IH_ERROR
IH_TH-
IH_TH+
IH_LIGHT_OFF
IH_ZERO_SHIFT
X131P2
X10702B
XBHF
:A4
10
24A6
FG
[B-/02/7D]
24A6
1A
1B
2A
4B
5A
5B
6A
6B
P48M
P24M
P24G
10
48D
X31P1B
10
P48G
1
2
X311A
CN1A
CNP1
X3105B
SSCNET3
(IN)
1
2
X311B
CN1B
SSCNET3
(OUT)
[B-/03/7B]
from U27-CN13
[B-/02/7C]
from U27-CN13
[F-/02/6B]
from U82-SSCNET3 2CH
[C-/04/2B]
to A31F-CN1A
[D-/10/2C]
to U02-CN3B
Robot Cable
[D-/11/3D]
to U02-CN6B
[D-/11/3F]
from U02-CN7B
X10206B:2
:1
:2
X10207B:1
1
2
X3103B
CN3
3
DICOM
DOCOM
10
[B-/02/7D]
from DC Terminal
24A6

4-24
5OM-1751
1304-001-(31010WD---1001)
I/O PCB U01 Connection Circuit 1
+
-
OUT1
OUT2
+
-
OUT1
OUT2
1
2
3
CN26
K75
A2A1
K77
A2A1
18
16
1413
14
13
11
10
8
7
15
12
9
17
19
5
4
6
1
2
3
5
4
6
1
2
3
4
X2 X1
10
24A3
10
24A2
10
24A6
10
24A6
ID2 Di04
ID2 Do05
ID2 Do06
ID2 Di03
X10126
:1
:2
:3
:4
:1
:2
:3
:4
X20126
10
10
24A3 24A2 24A6
[B-/02/7D]
from G3
[B-/02/7C]
from G1
[B-/02/7A]
X0126
U01
IO PCB
X0101
X0102
20
In Port
ID1 Di11
ID Di13
10
24A6
10
24A6
10
24A6
10
24A6
10
24A6
24A3
24A3
N.C
547
533
527
546
XNST2-SFL
:1
CN28
3
4
16
17
20
21
7
8
(B)MACHINE READY
(B)BOARD AVAILABLE
(B)SG
(B)MACHINE READY
(B)SG
(B)BOARD AVAILABLE
ID2 Di09
ID2 Di11
:1
:2
:3
:4
INPUT-B
:1
:2
:3
:4
OUTPUT-B
X0128
10
10
:5-14N.C
:5-14N.C
ID2 Do10
ID2 Do12
18
19
5
6
9
10
11
12
(B)BOARD END
(A)MACHINE READY
(A)SG
(A)BOARD AVAILABLE
(A)BOARD END
ID2 Di10
10
ID2 Do11
ID2 Do13
ID2 Do14
1
2
14
15
22
(A)MACHINE READY
(A)BOARD AVAILABLE
(A)BOARD END
(A)SG
ID2 Di08
ID2 Di12
23
ID2 Di13
13
24
10
ID2 Do09
(B)BOARD END
In Port
Out Port
:4
:3
:2
XNST1-SFL
:1
:4
:3
:2
X10128
:1
:2
:3
:4
:7
:8
:6
:5
X20128
:1
:2
:3
:4
:7
:8
:5
:6
Q200
F200
B1611
B1611
1 2 3 4 5 6 7 8
A
B
C
D
E
F
Lightening Surge Alarm Contact
NST-1 Multi-Functional
Stocker Setup Error
Detection (OP)
NST-2 Multi-Functional
Stocker Setup Error
Detection (OP)
MB Alarm Contact
Lightening Surge Error
NST (B1) Setup Error
Detection REAL
NST (B2) Setup Error
Detection REAL
Vacuum Pump Breaker OFF
Feeder Base Power Supply(B1)
Feeder Base Power Supply(B2)
S Transfer/D Transfer B-LANE
D Transfer A-LANE
S Transfer/D Transfer B-LANE
D Transfer A-LANE

4-25
5OM-1751
1304-001-(31010WD---1002)
I/O PCB U01 Connection Circuit 2
1 2 3 4 5 6 7 8
A
B
C
D
E
F
22 21
22 21
52 51
52 51
12 9
:5
:6
X102704
1 6
1 6
12 1
1 5
K29
1
2
7
8
7
8
3
4
9
3
4
10
CN150
5
6
CN5
5
6
CN4
CN32
CN31
CN32
CN31
1
2
3
4
5
6
9
10
11
12
13
23
12
9
CN9
3
4
5
6
9
10
11
12
13
CN25
Safety Door Open/Close Monitor
14
CN25
ID1 Di00
Safety Relay K3 Monitor
POWER ON
Emergency stop
Safety Door Lock Check
ID2 Di00
ID1 Di01
ID3 Di00
ID3 Di09
ID2 Do00
DC Load Power Supply
ID2 Do01
Power Supply Shut-down
ID2 Do02
Rear Safety Door Lock
Out Port
ID2 Do04
Vacuum pump Power ON
ID2 Do03
Front Safety Door Lock
14
15
16
17
1 6
15
16
17
19
20
20
18
CN61
Multi-Layer Tray Power Input
Emergency stop SW(Rear)
Emergency stop SW(Front)
Rear Safety Door Switch (Rear)
24A2
24A2
CN61
ID1 Di10
[B-/05/8E]
from K4-X1
7
8
U01
IO PCB
X0125
7
8
X2705
X2704
X2731
X2732
X27150
X2761
X2761
X2709
18
ID2 Do07
20
21
22
10
10
10
10
10
10
In Port
21
S132
E1 E2
5 4
S131
E1 E2
5 4
24A2
10
Front Safety Door Switch (SOL)
Front Safety Door Switch (SOL)
24A2
673
A2 A1
446
10
500
3132
3132
X2731
X2732
Safety Relay K4 Monitor
Out Port
S132
S131
S132
S131
:7
S131
:8
:7
S132
:8
:3
S131
:4
:3
S131
:4
:10
S132
:9
:10
S131
:9
:10
X2732
S105B
S105F
:9
X2732
:10
X2731
:9
X2731
K22
K66
K65
K43
K25
K65
K66
U27U27
K2
N.C
N.C
[B-/05/5C]
K3-14
[B-/05/2C]
K3-13
:3
X2723
Rear Safety Door Switch (Front)
Rear Safety Door Switch (Rear)
Rear Safety Door Switch (Front)
[D-/08/5B]
U01-CN8,9:6
[B-/04/6E]
to X153:1,3