5M-1751-004w_G5S - 第59页
1-7 Pneumatic and Mounting Diagrams 5OM-1751 Conveyor (Pneumatic Diagram) KYX T ype No. Name Q’ty No. Name Q’ty No. Name Q’ty No. Name Q’ty 1 T ube D3.2 1 2 T ube D6 1 3 PIPE FITTING 1 4 Flat T ube D4.1 1 6 PIPE FITTINGS…

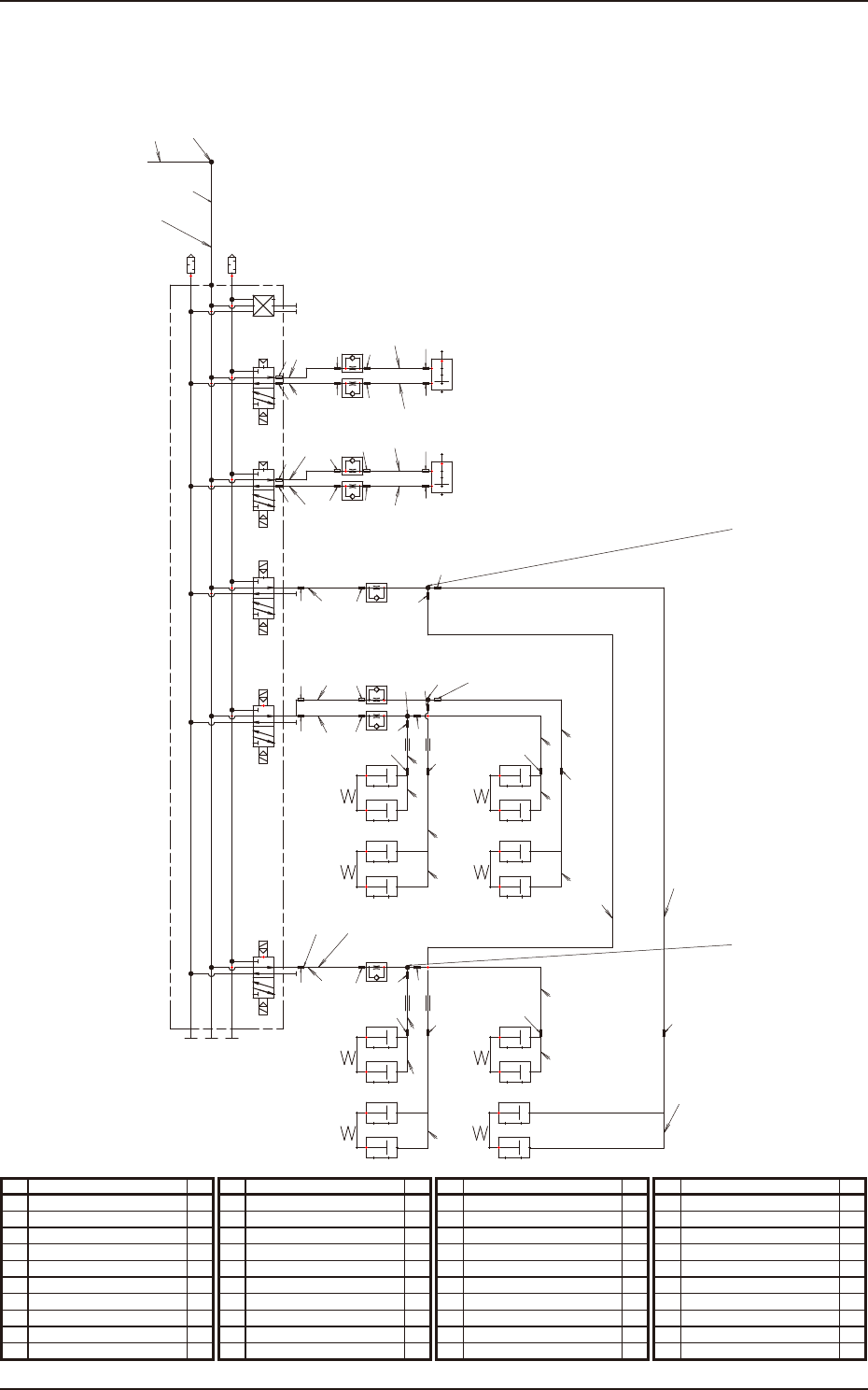
1-6
Pneumatic and Mounting Diagrams
5OM-1751
1305-002
Conveyor (Pneumatic Diagram) KYB Type
A
B
A
B
A
B
A
B
VBHSO
VBHSI
BHSI
BHSI
BHSO
BHSO
VBHSO
VBHSI
VBMSO
VBMSI
BMSI
BMSO
BMSI
BMSO
VBMSI
VBMSO
VBKHZ
VB3HZ
VB3HZ
B3HZ
B3HZ
VBKHZ
BKHZ
BKHZ
A
B
B3MZ
B3MZ
VB3MZ
VBKMZ
BKMZ
BKMZ
VBKMZ
VB3MZ
2
4
1
3
From Main Body
Pipe φ6L1000
Pipe φ6L440
Movable Side Z-Clamp L
Fixed Side Z-Clamp L
Movable Side Z-Clamp R
Fixed Side Z-Clamp R
PCB Stopper L PCB Stopper R
No. Name Q’ty No. Name Q’ty No. Name Q’ty No. Name Q’ty
1 Tube
D
3.2 1
2 Tube
D
6 1
3 PIPE FITTING 1
4 Flat Tube D4.1 1

1-7
Pneumatic and Mounting Diagrams
5OM-1751
Conveyor (Pneumatic Diagram) KYX Type
No. Name Q’ty No. Name Q’ty No. Name Q’ty No. Name Q’ty
1 Tube D3.2 1
2 Tube D6 1
3 PIPE FITTING 1
4 Flat Tube D4.1 1
6 PIPE FITTINGS 2
6
6
Ø3.2L950
Ø3.2L950
Ø3.2L122 Ø3.2L70
Ø3.2L46
Ø3.2L46
Ø3.2L1070Ø3.2L122
B3MZ
BKMZ
Ø3.2L950
Ø3.2L950
PIPE FITTINGS(KQ2U23-9A)
Movable Side Z-Clamp RMovable Side Z-Clamp L
Fixed Side Z-Clamp R
Fixed Side Z-Clamp L
VBMZ
B3MZ
BKMZ
VBMMZ
B3MMZ
BKMMZ
B3MMZ
BKMMZ
VBMMZ
VBMZ
B3HZ
A
B
VBHZ
BKHZ
Ø3.2L970
BKHHZ
Ø3.2L122
Ø3.2L122
B3HHZ
B3HHZ
BKHHZ
VBHHZ
Ø3.2L820
VBHHZ
Ø3.2L970
PIPE FITTINGS(KQ2U23-9A)
A
B
A
B
A
B
A
B
Pipe Ø6L440
Pipe Ø6L1000
3
VBHSO
VBHSI
BHSI
BHSI
BHSO
BHSO
Ø3.2L500
Ø3.2L450
VBHSO
VBHSI
Ø3.2L850
Ø3.2L850
VBMSO
VBMSI
BMSI
BMSO
BMSI
BMSO
Ø3.2L460
Ø3.2L400
VBMSI
VBMSO
Ø3.2L950
Ø3.2L950
Ø3.2L820
1
Ø3.2L46
Ø3.2L46
4
VBHZ
B3HZ
BKHZ
Ø3.2L850
Ø3.2L850
2
From Main Body
PCB Stopper RPCB Stopper L

1-8
Pneumatic and Mounting Diagrams
5OM-1751
1305-002
Conveyor (Mounting Diagram1) KYB Type
8-2
8-2
8-2
8-3
8-2
8-2
8-2
8-1
8-1
8-1
8-1
8-1
8-1
7-1
7-1
7-1
7-1
7-1
9
10
7-3
7-2
7-2
7-2
7-2
7-2
7-2
7-1
8
7
No. Name Q’ty No. Name Q’ty No. Name Q’ty No. Name Q’ty
7 Fixed Chute Unit 1
7-1 Universal Tee
7-2 Barb Fitting
7-3 Barb Elbow
8 Movable Chute Unit
8-1 Universal Tee 1
8-2 Barb Fitting
8-3 Barb Elbow
9 PCB Stopper 1
10 PCB Stopper 1