JM-20_维修调整要领书 - 第106页
维 修调整要领书 6-4 4 ) 更换测力传感器和测力传感器放大器,按相反的操作顺序进行装配。 测力传感器的电缆按下图所示进行连接。 【注意】 进行更换前,请确认测力传感器组件和测力传感器放大器的制造号码相同。 ( 请勿使用互不相同的制造号码。 ) 5 ) 更换测力传感器后,请从新取得 MS 参数中的测力传感器装配位置和高度、测力传感器参数。 AMP 连接端子 测力传感器电缆 屏蔽( E ) 屏蔽 SIG+ ( D ) 绿 EXC- (…

维修调整要领书
6-3
6-3.
测力传感器的更換
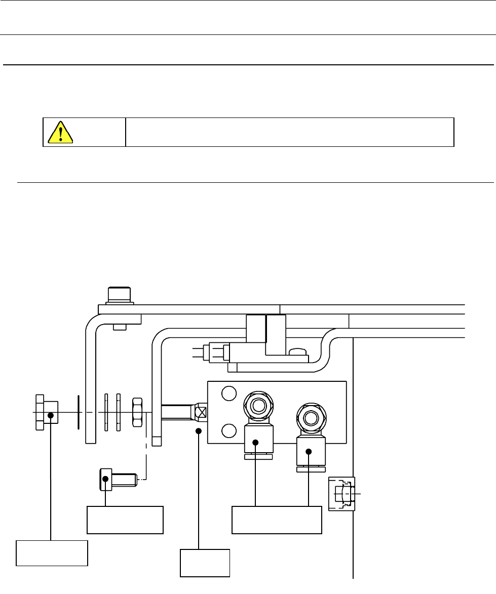
1) 请卸下测力传感器放大器护盖,从测力传感器放大器上拆下线束。
2) 拆下固定螺丝(SM6031402TN 2 个),卸下测力传感器。
3) 拆下固定螺丝(SL6040892TN 2 个),卸下测力传感器放大器。
测力传感器组件
SM6031402TN
测力传感器放大器护盖
测力传感器放大器
SL6040892TN

维修调整要领书
6-4
4) 更换测力传感器和测力传感器放大器,按相反的操作顺序进行装配。
测力传感器的电缆按下图所示进行连接。
【注意】
进行更换前,请确认测力传感器组件和测力传感器放大器的制造号码相同。
(请勿使用互不相同的制造号码。)
5) 更换测力传感器后,请从新取得 MS 参数中的测力传感器装配位置和高度、测力传感器参数。
AMP 连接端子 测力传感器电缆
屏蔽(E) 屏蔽
SIG+(D)
绿
EXC-(C)
白
SIG-(B)
蓝
EXC+(A)
红

维修调整要领书
7-1
7
ATC
当更换了 ATC 底座时,必须重新取得 MS 参数「ATC 偏差」。
(参照 4-7 项 MS 参数)
7-1.
气缸的更换
1) 请关闭主体左下放的阀门。
2) 卸下ATC接头、六脚孔螺栓,再卸下气缸。
(空气软管φ4也卸下。)
3) 请将速度控制器换装到新的气缸上。
图 7-1-1 气缸的更换
为了防止突然的起动造成事故,请关掉电源之后再进行操作。
气缸
内六角螺栓
ATC 接头
速度控制器
危险