PTS-NXT3c-07 - 第119页
このページはブランクページです This page is intentionally blank. 此页是空白页 119 PTS-NXT3c-07

M3 IIIc-BED 6/
M3 IIIc-ベッド 6/
2UGZBC000152
No.
Drg.No. & Code No.
QTY
Description
Rating
Remarks
番号
図番
&
コード番号
個数
品名
規格
備考
142
2MGTBE012101
1
SHIM
シム
INT, t=2.0
143
2MGTBE012401
1
SHIM
シム
INT, t=2.0
144
2MGTBE012201
1
SHIM
シム
INT, t=2.5
145
2MGTBE012301
1
SHIM
シム
INT, t=2.5
146
K5357L
4
SCREW, HEX SOCKET COUNTERSUNK
小ネジ 六角穴皿
M03X006(3
カ
シロ
)
147
K5357L
4
SCREW, HEX SOCKET COUNTERSUNK
小ネジ 六角穴皿
M03X006(3
カ
シロ
)
148
K5357L
4
SCREW, HEX SOCKET COUNTERSUNK
小ネジ 六角穴皿
M03X006(3
カ
シロ
)
160
2MGTBZ003002
1
TAPE, SEAL
テープ シール
161
2MGTBZ002900
1
TAPE, SEAL
テープ シール
175
H67175
1
BRUSH
ブラシ
LC6060-3PA GY 300R
118
PTS-NXT3c-07
このページはブランクページです
This page is intentionally blank.
此页是空白页
119
PTS-NXT3c-07

φ6
φ8 φ8
φ12
φ4
φ8
φ6
φ8
φ10
φ10
φ4
φ10
φ6
φ4
φ6
φ6
φ6
φ6
φ6
φ4
φ6φ6 φ6
φ12
φ4
φ4
φ6
D
E
C1
G
AS1201F-M5-06-X229
F1
F2
10
107
111
16 15
13
13
14 1820
22
23
11
101
132
44
109
110
43 42 41
19 17
24 24 24
27
29 19
334
4 2 4
27 27
104
102
115
103
114
105
25
1
7
8
108
151
5
9
112
21
5
21
71
72
26
26
28
28
106
112
113
131
6
201202
203
204
205
206
2UGZBC000152
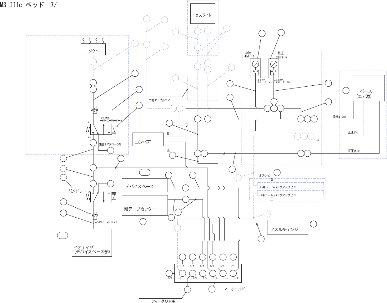
M3 IIIc-BED 7/
DUCT
DEVICE BASE
WASTE TAPE
FOR FEEDER OPTION
MANUHOLD
NOZZLE CHANGE
VACUUM BACK UP PINS (LANE1)
VACUUM BACK UP PINS (LANE2)
BASE
(AIR SOURCE)
X SLIDE
CONVEYOR
IONIZER
(ON DEVICE BASE)
PROCESSING UNIT
DUST COLLECT
AIR BLOW ON
Neg press
Pos press
Pos press
Y-AXIS FLEXIBLE TRACK
Neg press
Pos press
OPTION
Pos press
Neg press
120
PTS-NXT3c-07
M
3
IIIc
-
八
、
:
/
K
'
7
/
夕
、
外
正圧
負圧
0.4
MPa
=
5
Sk
P
a
8
o
(
工
T
7
源
)
SYJ
512
T
-
5
M
07
-
正圧
<
p
6
o
:
:
x
二
集塵工
77
口一
0
f
\
正圧
y
10
oo
◦
o
才
7
'
>
3
>
9
'
JUX
^
<
-
X
o
3
~~
-
厶
M
'
y
夕
7
,
y
文匕
>
正
残亍一文力
、
:
/
夕一
o
o
/
义
>
千工
:
/
夕
99
PPP
9
,
Qopoooo
3
7
二
/
卞一
;
!
/
卜
'
7
仁夕
、
0
P
用