PTS-NXT3c-07 - 第170页
Ref.BED d M3 IIc A B A B A B 1 2 1 2 3 4 5 6 5 5 7 8 8 9 9 9 10 1 1 12 13 14 15 17 18 19 19 20 21 23 22 24 16 NOZZLE CHANGER 3/ (M3) UL03360 (M6,AIMEX series,NXT-H) UL03459 170 PTS-NXT3c-07 于工 : / 0 V 3 / B … Shutter clo…

NOZZLE CHANGER 2/
(M3) UL03360
ノズルチェンジャ 2/
(M6,AIMEX series,NXT-H) UL03459
No.
Drg.No. & Code No.
QTY
Description
Rating
Remarks
番号
図番
&
コード番号
個数
品名
規格
備考
1
2MGTMX006800
1
PLATE, UPPER
プレート 上
M6IIIL
2
2MGTMR004000
1
SEAL, BAR CODE
シール バーコード
unit serial number, M6IIIL
3
2MGTMX007501
1
BKT
BKT
M6IIIL
11
2MGTMX006900
1
BLOCK
ブロック
M6IIIL
12
H54251
2
BOLT, HEX SOCKET
ボルト 六角穴
M03X006(3
カ
シロ
)
M6IIIL
13
W1010A
2
WASHER, CONICAL
ワッシャ 皿
M-3-L
M6IIIL
14
S2025A
1
SHEET
シート
CTAM1
M6IIIL
15
K5172L
1
SCREW, C/R TRUSS
小ネジ 十穴トラス
M04X006(3
カ
シロ
)
M6IIIL
16
S5161A
1
SW, MICRO
SW マイクロ
AV630564
M6IIIL
17
K5175Z
2
SCREW, C/R PAN
小ネジ 十穴鍋
M02X012(
ステンレス
)
M6IIIL
18
N1074A
2
NUT, HEX
ナット 六角
M02(
ステンレス
)
M6IIIL
19
W1106B
2
WASHER, LOCK
ワッシャ スプリング
2M/M(3
カ
シロ
)
M6IIIL
20
2MGTMX007001
1
GUARD
ガード
M6IIIL
21
K51756
3
SCREW, C/R PAN
小ネジ 十穴鍋
M02.5X005(
ステンレス
)
M6IIIL
22
W1106A
3
WASHER, LOCK
ワッシャ スプリング
2.5M/M(3
カ
シロ
)
M6IIIL
31
H3128Z
1
PLUG
プラグ
KK2P-04L
M3IIc
32
2MGLMP000200
1
TUBE
チューブ
M3IIc
33
2MGLYA000400
1
TUBE, MARKER
チューブ マーカ
M3IIc
169
PTS-NXT3c-07

Ref.BED
d
M3 IIc
A B A B A B
1
2
1
2
3
4
5
6
5
5
7
8
8
9
9
9
10
11
12
13
14
15
17
18
1919
20 21
23
22
24
16
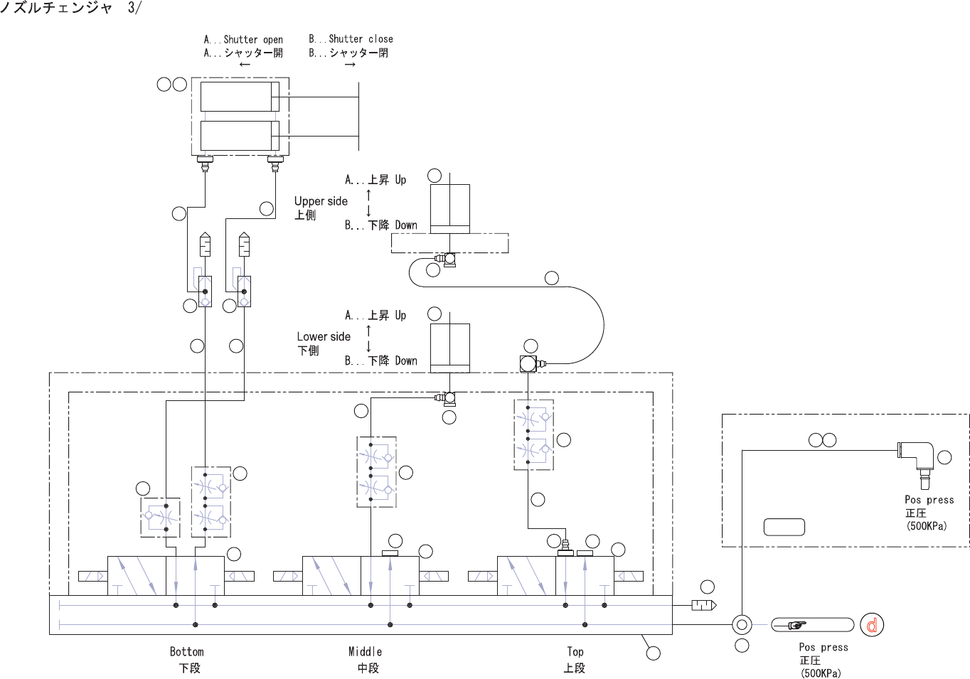
NOZZLE CHANGER 3/
(M3) UL03360
(M6,AIMEX series,NXT-H) UL03459
170
PTS-NXT3c-07
于工
:
/
0
V
3
/
B
…
Shutter
close
B
...
7
夕一閉
A
...
Shutter
open
A
...
v
亇
、
:
/
夕一開
oorr
V
o
A
.
. .
上昇
Up
Upper
side
上側
o
o
B
. . .
下降
Down
f
f
o
OM
A
.
. .
上昇
Up
O
Lower
side
下側
O O
,
Q
>
B
…
下降
Down
o
o
co
o
o
"
HO
o
Pos
press
正圧
(
500
KPa
)
2
o
o
p
o
o
—
cn
>
(
o
>
)
@
o
Pos
press
正圧
(
500
KPa
)
Bottom
Middle
Top
中段
下段
上段

NOZZLE CHANGER 3/
(M3) UL03360
ノズルチェンジャ 3/
(M6,AIMEX series,NXT-H) UL03459
No.
Drg.No. & Code No.
QTY
Description
Rating
Remarks
番号
図番
&
コード番号
個数
品名
規格
備考
1
XS03490
2
CYLINDER, AIR
シリンダ エアー
2
A4067A
2
ELBOW
エルボ
M-3ALU-4
3
PZ07413
1
TUBE
チューブ
4
A4068H
1
ELBOW
エルボ
M-5ALU-4
5
K5335K
3
CONTROLLER, SPEED
コントローラ スピード
ASD230F-M5-04
6
PZ24042
1
TUBE
チューブ
7
N2030T
1
NIPPLE
ニップル
M-5AU-4
8
H3146A
2
PLUG
プラグ
M-5P
9
H11224
3
VALVE, SOL
バルブ SOL
SY3220-5MOZ-M5
10
S1058A
1
SILENCER
サイレンサ
AN120-M5
11
Y60409
1
UNION, ELBOW
ユニオン エルボ
KQ2VS04-M5A
12
AA39D14
1
BASE
ベース
13
2MGKMP000300
1
TUBE
チューブ
14
K5339N
1
CONTROLLER, SPEED
コントローラ スピード
AS1311F-M5-04
15
2MGTMR004101
1
CYLINDER, AIR
シリンダ エアー
M3
16
2MGTMR004500
1
CYLINDER, AIR
シリンダ エアー
M6,AIMEX series,NXT-H
17
2MGKMY016500
1
TUBE
チューブ
18
PZ21132
1
TUBE
チューブ
19
H13332
2
VALVE
バルブ
AQ240F-04-00
20
PZ24301
1
TUBE
チューブ
21
PZ24311
1
TUBE
チューブ
22
H3128Z
1
PLUG
プラグ
KK2P-04L
M3IIc
23
2MGLMP000200
1
TUBE
チューブ
M3IIc
24
2MGLYA000400
1
TUBE, MARKER
チューブ マーカ
M3IIc
171
PTS-NXT3c-07