PTS-NXT3c-07 - 第667页
T A P E C U T T E R S T R O K E E N D C H E C K PTS-NXT3c-07 667 部品配置図 PARTS ARRANGEMENT N A M E T Y P E N X T I c 残亍一夕処理 1 二 、 : / 卜 WASTE TAPE PROCESSING UNIT T I T L E D R A W I N G N o . 2 RGZBC 005202 備 考 7 …

1
2
3
1
2
3
PTS-NXT3c-07
666
部品配置図
PARTS
ARRANGEMENT
NAME
TYPE
NXTIc
残亍一夕処理
1
二
、
:
/
卜
WASTE
TAPE
PROCESSING
UNIT
TITLE
DRAWING
No
.
X
2
RGZBC
005202
M
3
c
WASTE
TAPE
PROCESSING
UNIT
M
6
c
WASTE
TAPE
PROCESSING
UNIT
MLllyoLlls
IrnLL

TAPECUTTERSTROKEENDCHECK
PTS-NXT3c-07
667
部品配置図
PARTS
ARRANGEMENT
NAME
TYPE
N X T I c
残亍一夕処理
1
二
、
:
/
卜
WASTE
TAPE
PROCESSING
UNIT
TITLE
DRAWING
No
.
2
RGZBC
005202
備 考
7
KI
/
X
ADDRESS
信 号 名
/
部 品 名
記 号
品 名
端 末 加 工 図 番
mm
.
FR
3
CESSING
DIAGR
1
品 目
No
.
SIGNAL
NAIVE
/
PARTS
NAME
SY
1
VB
0
L
NAME
ITEM
NOTE
残于一力
3
、
:
/
夕一動作端確認
t
>
+
)
-
7
才卜
SENSOR
PHOTO
RH
3631
*
M
3
c
RXOOA
31
LS
10
S
69233
RH
3650
t
=
M
6
c
残亍
-
力
3
7
夕
-
原位置確認
TAPE
CUTTER
ORIGIN
POSITION
0
CK
7
才卜
SENSOR
PHOTO
RH
3632
*
M
3
c
RXOOB
31
LS
11
S
69233
2
RH
3651
*
M
6
c
残 亍
-
力
]
動 作 指 示
TAPE
CUT
八
》
SOL
VALVE
SOL
Y
0 0 8
31
S
0
L
3
H
13362
3
—
lUJuollJs
i
rnll
.
.

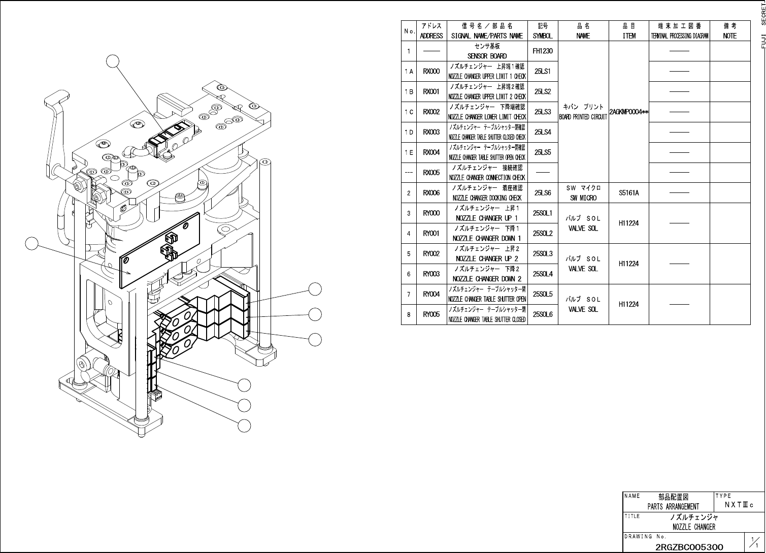
1
2
7
6
4
3
5
8
PTS-NXT3c-07
668
7
KUX
ADDRESS
信 号 名
/
部 品 名
SIGNAL
NAME
/
PARTS
NAIVE
七
:
/
廿基板
SENSOR
BOARD
品名
端 末 加 工 図 番
m
\
m
.
PROCESSING
DIAGR
1
記 号
品 目
No
.
SYIVBOL
NAME
ITEM
FH
1230
上昇端
1
確認
NOZZLf
CHAN
®
UPPER
LIMIT
1
0
CK
RXOOO
25
LS
1
1
A
上昇端
2
確認
NOZZLf
(
ME
UPPER
LIMIT
2
0
CK
RX
001
25
LS
2
"
儿于工
》
下降端確認
NOZZLf
(
mm
LOWER
LIMIT
CHECK
+
/
0
^
'
J
>
h
BOARD
mm
CIRCUIT
RX
002
25
LS
3
2
AGK
1
VP
0004
*
*
1
C
亍
-
〉
夕
-
鼸認
RX
003
25
LS
4
1
D
詹
i
-
旅
,
夕
-
開廳
NOZZLE
am
«
SmCFEN
(
M
RX
004
25
LS
5
1
E
接続確認
NOZZLE
CHANGER
C
0
W
CTI
0
N
OtCK
RX
005
/
力
!
/
于工
》
着座確認
NOZZLf
CHANGER
DOCKING
CHECK
SW
7
彳々口
SW
MICRO
RX
006
25
LS
6
S
5161
A
2
/
力
1
/
于工
》
—
上昇
1
NOZZLE
CHANGER
UP
1
RYOOO
25
S
0
L
1
3
/
、
》
SOL
VALVE
SOL
H
11224
/
X
儿于工
:
/
y
中 一 下 降
1
NOZZLE
CHANGER
DOftM
1
RY
001
25
S
0
L
2
4
/
力
1
/
于工
》
上昇
2
NOZZLE
CHANGER
UP
2
RY
002
25
S
0
L
3
5
SOL
VALVE
SOL
H
11224
/
文 儿 于 工
:
—
下 降
2
NOZZLE
CHANGER
RY
003
25
S
0
L
4
6
■
2
吩
7
夕
-
開
亍
-
力
NOZZLf
a
^
JGER
TABLE
SHUTTER
OPEN
RY
004
25
S
0
L
5
SOL
VALVE
SOL
H
11224
亍
-
夕
-
閉
N
0
M
(
M
3
ERTAa
£
SHm
CLOSED
RY
005
25
S
0
L
6
8
部品配置図
PARTS
ARRANGEMENT
NAME
TYPE
N X T I c
于工
>
y
中
NOZZLE
CHANGER
TITLE
DRAWING
No
.
X
2
RGZBC
005300
—
lLLIyoLlls
21