PTS-NXT3c-07 - 第676页
Z Z E R O S E N S O R PTS-NXT3c-07 676 部品配置図 PARTS ARRANGEMENT N A M E T Y P E N X T I c SINGLE CONVEYOR T I T L E D R A W I N G N o . 2 RGZBC 005602 備 考 7 K I / X ADDRESS 信 号 名 / 部 品 名 記 号 品 名 端 末 加 工 図 番 mm . FR 3 …

6 5
3
2
4
1
5
6
7
PTS-NXT3c-07
675
LLI
M
6
c
SINGLE
CONVEYOR
部品配置図
PARTS
ARRANGEMENT
NAME
TYPE
NXTIc
SINGLE
CONVEYOR
TITLE
DRAWING
No
.
2
RGZBC
005602

ZZEROSENSOR
PTS-NXT3c-07
676
部品配置図
PARTS
ARRANGEMENT
NAME
TYPE
N X T I c
SINGLE
CONVEYOR
TITLE
DRAWING
No
.
2
RGZBC
005602
備 考
7
KI
/
X
ADDRESS
信 号 名
/
部 品 名
記 号
品 名
端 末 加 工 図 番
mm
.
FR
3
CESSING
DIAGR
1
品 目
No
.
SIGNAL
NAIVE
/
PARTS
NAME
SY
1
VB
0
L
NAME
ITEM
NOTE
廿夕
、
:
/
于
SENSOR
TOUCH
zot
>
f
2
RGZCA
0001
林
M
3
c
2
LS
1
XS
0124
*
2
RGZCE
0001
林
M
6
c
SW
3
N
PRESSURE
M
刘外祕
U
九
一
>
3
>
吸着確認
HYERID
CALIBRATION
PICK
UP
CHECK
RX
007
JOF
PS
S
3150
B
2
'
J
^
l
/
-
V
3
N
HYBRID
CALIBRATION
VACUUUM
ON
RY
006
JOF
SOL
1
3
SOL
VALVE
SOL
H
14592
A
^
'
J
^
'
^
'
J
^
-
va
^
llA
^
-
AOFF
HYBRID
GALlERATKjN
VAOJUUM
肝
RY
007
JOF
S
0
L
2
4
2
AGZCA
0012
林
M
3
c
M
6
c
:
^
X
19
T
2
LS
1
2
MGTCA
0027
林
2
RGZCE
0006
^
L
/
_
>
1
基板通過確認
L
LANE
1
PANEL
PASS
CHKK
CXOOO
CY
004
AIVPLIFIER
M
6
c
:
X
20
~
2
AGZCE
0015
*
*
5
SENSOR
FIBER
2
MGTGA
002
G
^
2
AGZCA
0013
=
^
M
3
c
了
、
力
M
6
c
:
^
19
T
2
LS
2
2
MGTGA
0027
林
2
RGZCE
0007
林
\
y
—
'
y
1
基板通過確認
R
LANE
1
Pm
.
PASS
0
CK
R
CX
001
AIVPLIFIER
M
6
c
:
X
20
~
2
AGZCE
0016
^
6
CY
004
SENSOR
FIBER
2
MGTCA
002
細
M
3
c
:
^
X
38
XS
03380
2
RGZCA
0007
林
T
2
LS
5
T
1
/
_
>
1
/
《
7
々
77
夕匕
>
検知
LANE
1
BACK
-
UP
PIN
CHECK
2
MGTCA
0025
^
2
RGZCA
0008
^
M
3
c
:
X
39
^
CX
005
M
6
c
:
"
X
19
SENSOR
XS
03380
2
RGZCE
0010
K
*
T
2
LS
5
R
M
6
c
:
X
20
2
MGTCA
002
&
^
2
RGZCE
0013
^
-
iLllcroLLIcoJpnLL

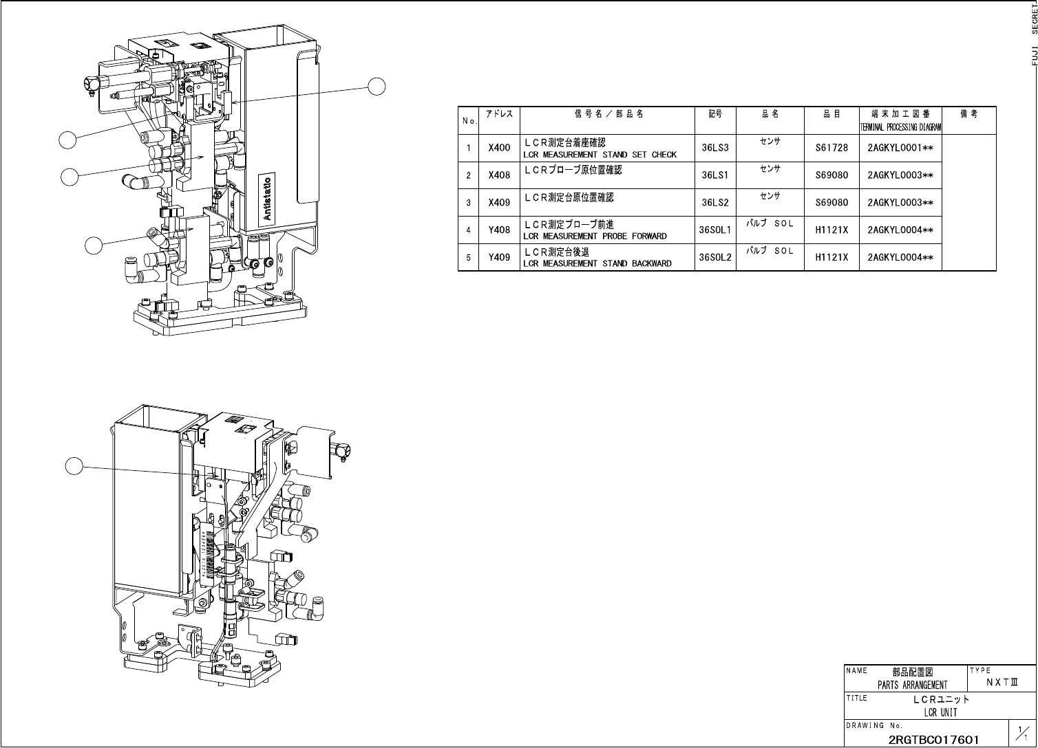
ADDRESS SIGNALNAME/PARTSNAME SYMBOL NAME ITEM NOTE
SENSOR
SENSOR
SENSOR
VALVESOL
VALVESOL
LCRMEASUREMENTPROBEORIGINPOSITIONCHECK
LCRMEASUREMENTSTANDORIGINPOSITIONCHECKEROK
2
3
1
4
5
PTS-NXT3c-07
677
信 号 名
/
部 品 名
端 末 加 工 図 番
TERMIMAL
PROCESSING
DIAGRAM
備 考
T K l
^
X
記 号
品 名
品 目
No
.
L C R
測定台着座確認
LCR
MEASUREMENT
STAND
SET
CHECK
X
400
36
LS
3
S
61728
2
AGKYL
0001
*
*
LCR
夕口一
7
原位置確認
七
>
寸
X
408
36
LS
1
S
69080
2
AGKYL
0003
*
*
2
LCR
測定台原位置確認
七
>
廿
X
409
36
LS
2
S
69080
2
AGKYL
0003
*
*
3
/
、
SOL
LCR
測 定 九 前 進
LCR
MEASUREMENT
PROBE
FORWARD
Y
408
36
S
0
L
1
H
1121
X
2
AGKYL
0004
*
*
4
/
、
SOL
LCR
測定台後退
LCR
MEASUREMENT
STAND
BACKWARD
Y
409
36
S
0
L
2
H
1121
X
2
AGKYL
0004
*
*
5
部品配置図
PARTS
ARRANGEMENT
NAME
TYPE
N X T I
LCRIL
二
7
卜
LCR
UNIT
TITLE
DRAWING
No
.
X
2
RGTBC
017601
—
lUJuollJs
i
rnll
.
.