1021369_5 Printer Pneumatics Diagram 1 Sep 2016 - 第6页
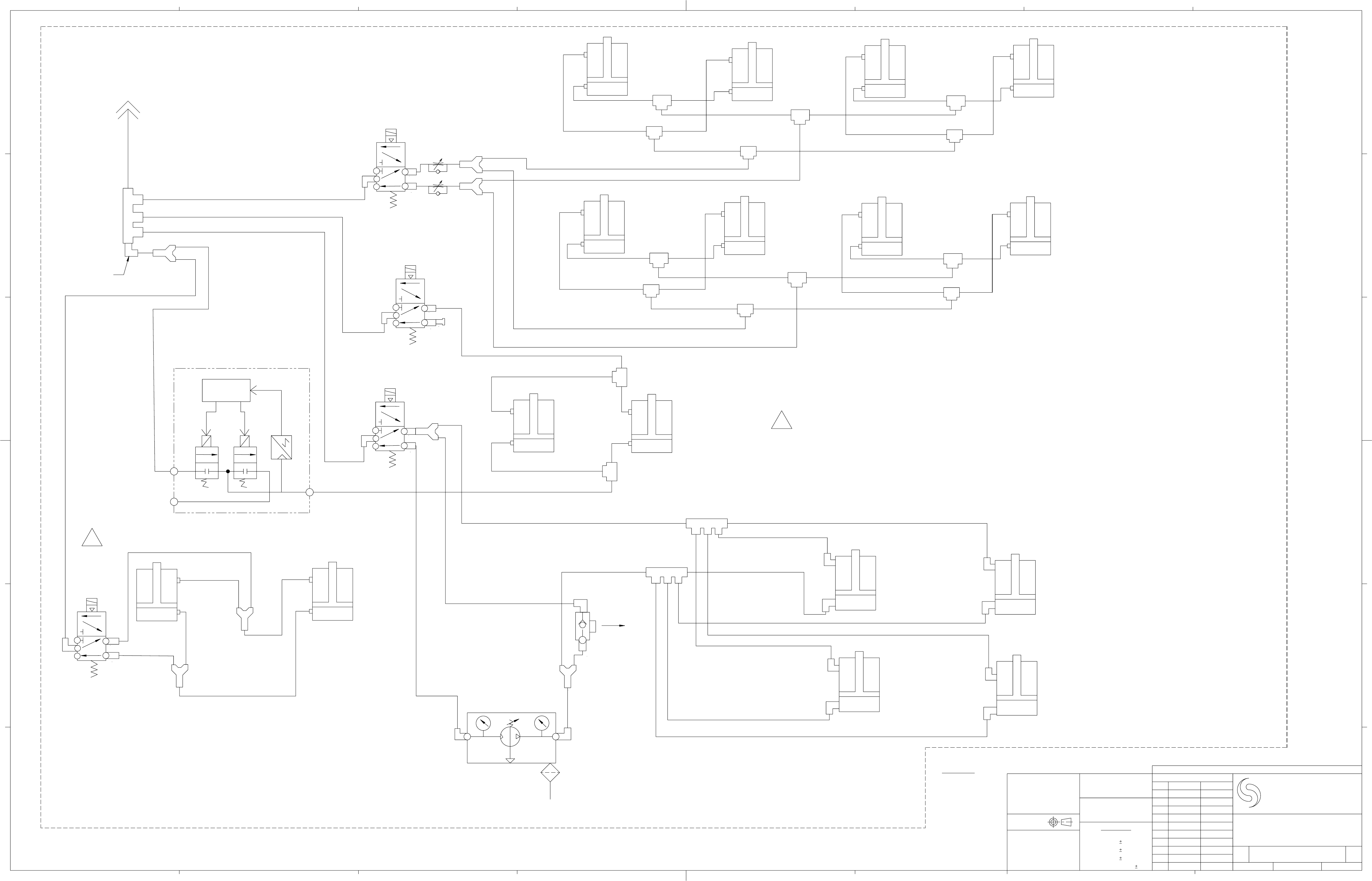
5 VALVE FUNCTION YV1 SPARE YV2 PRINT Z REAR YV3 VISION MOUNTED HARD STOP YV4 HOOD PIN LOCK YV5 RIGHT STAGING LIFTER YV6 LEFT STAGING LIFTER YV7 STENCIL FRAME CLAMP YV8 PRINT Z FRONT YV9 WIPER UP YV10 DISPENSER UP/DOWN YV…

B
A
E
R
E
R
E
R
E
R
ON
ON
ON
OFF
OFF
OFF
C
B
A
C
B
A
ON
E
R
ON
OFF
E
R
E
R
ON
OFF
E
R
OFF
E
R
E
R
C
B
A
A
B
B
A
B
A
A
B
B
A
A
B
B
A
A
B
D
C
B
A
E
E
A
DC
B
E
A
DC
B
CONTROL
CIRCUIT
A
B
B
A
B
A
X
P
X
A
B
B
A
B
A
X
P
X
A
B
B
A
B
A
X
P
X
B
A
B
A
IN
OUT
E
A
B C
B
A
A
A
ON
OFF
C
B
A
4A
2B
B
1A
B
A
X
P
X
E
R
R
E
C
B
A
C
B
A
LEGEND
A,B,C-PORTS
E-EXTEND
R-RETRACT
P-PRESSURE
REG8
AIR EXHAUST
AIR BOOSTER
REGULATOR
AIR
FILTER
R
E
R
E
EXHAUST
2
3
1
SUP
EXH
OUT
SET TO
MAIN AIR
SUPPLY PRESSURE:
90 PSI NOMINAL (85.5/94.5)
(0.62MPa NOMINAL (0.59/0.65))
2 TIMES
MAIN AIR SUPPLY:
180 PSI NOMINAL (171/189)
(0.62MPa NOMINAL (1.18/1.30))
T25
CONTROL PILOT
HIGH PRESSURE
NYLON 4 MM LINE
HIGH PRESSURE
NYLON 4 MM LINE
HIGH PRESSURE
NYLON 4 MM LINE
T21
T22
T24
FC6
T19
T18
6MM TO
4MM REDUCER
T17
ELECTRO-PNEUMATIC REGULATOR
COIL ON
1021368
SHT 17, D3
SNUGGER FORCE
YV21
SNUGGER HEIGHT
LOCK CYLINDER 3
RIGHT REAR
SNUGGER HEIGHT
LOCK CYLINDER 4
LEFT REAR
SNUGGER
HEIGHT
LOCK
YV28
COIL ON
1021368
SHT 7, D7
SNUGGER
CYLINDER 1
REAR RAIL
SNUGGER
CYLINDER 2
REAR RAIL
PLUG
COIL ON
1021368
SHT 7, D7
YV20
SNUGGER
FLIPPER
CYLINDER 8
REAR RAIL
FLIPPER
CYLINDER 7
REAR RAIL
FLIPPER
CYLINDER 6
REAR RAIL
FLIPPER
CYLINDER 5
REAR RAIL
FLIPPER
CYLINDER 4
FRONT RAIL
FLIPPER
CYLINDER 3
FRONT RAIL
FLIPPER
CYLINDER 2
FRONT RAIL
FLIPPER
CYLINDER 1
FRONT RAIL
FLIPPERS
YV19
COIL ON
1021368
SHT 7, D7
FC5
6MM
2
R
E
R
E
HIGH PRESSURE
NYLON 4 MM LINE
SNUGGER HEIGHT
LOCK CYLINDER 2
LEFT FRONT
SNUGGER HEIGHT
LOCK CYLINDER 1
RIGHT FRONT
HIGH PRESSURE
NYLON 4 MM LINE
TOP
CLAMP
UP
YV16
4
TOP
CLAMP
LEFT CYL.
TOP
CLAMP
RIGHT CYL.
EDGELOC + OPTION
(SEE ALSO SHEET 7 OF 1021368 SCHEMATIC)
TO EDGELOC +
SHT 1, E8
C
D
E
F
F
E
D
C
8
7
6
5
4
3
2
1
1
2
3
4
5
6
7
8
B
A
B
A
NAME: nyang
DATE: 2016/8/1
SOLIDWORKS
1021369.slddrw
technologies
Speedline
16 FORGE PARK, FRANKLIN, MA 02038 USA
SCALE: 1:1
WEIGHT:
SHEET 4 OF 6
5
REV
1021369
DWG NO.
D
SIZE
TITLE
2015/1/27
CONFIDENTIAL PROPERTY, DO NOT DUPLICATE WITHOUT PRIOR WRITTEN CONSENT
APPROVALS
2015/1/27
R.NAULT
R.NAULT
R.NAULT
INITIAL
DATE
ENG
CHK
DRN
DIMENSIONS ARE IN
MILLIMETERS UNLESS
OTHERWISE SPECIFIED
PER ASME Y14.5M-1994
.XX =
X. =
.X =
ANGLES (°) =
TOLERANCE
UNLESS OTHERWISE SPECIFIED
FINISH
THIRD ANGLE
PROJECTION
MATERIAL
SURFACE FINISH TO BE
1.6µm UNLESS
OTHERWISE SPECIFIED
SCHEMATIC,MACHINE
PNEUMATIC,EDISON

A
P
R
B
A
A
B
EXH
OUT
SUP
00.00
A
B
C
B
AX
P
X
B
AX
P
X
A
B
B
A
B
A
A
B
C
B
A
B
A
B
A
RED
SILVER
A C
B
AB
CA
B
B
CA
B
CA
A C
B
A B
A B
A B
P
A
B
A
B
AB
A C
B
LEFT
CYLINDER 1
UNIVERSAL ADAPTER OPTION
LEFT
CYLINDER 2
RIGHT
CYLINDER 1
RIGHT
CYLINDER 2
TO UNIVERSAL
ADAPTER OPTION
SHEET 2, C7
SG3
E
E
E
E
R
R
R
R
LEGEND
A,B,C-PORTS
E-EXTEND
R-RETRACT
P-PRESSURE
T34
6MM TO 4MM REDUCER
ENCLOSED FLOW PUMP OPTION
1/4"1/4"
6MM
6MM
4MM
6MM
YV23
POWER CONNECTION
ON 1021368
SHT 16, E7
CARTRIDGE FILL
PRESSURE REGULATOR
6MM
TO ENCLOSED
FLOW PUMP
SHT 1, E8
PUMPHEAD PRESSURE CHAMBER
YV22
CARTRIDGE FILL
PRESSURE
COIL ON 1021368
SHT 16, E7
COIL ON
1021368
SHT 11, C7
COIL ON
1021368
SHT 11, C7
QUIK-TOOL TOOLING OPTION
T27
REG9
6MM
8MM
10MM
10MM
10MM
Y-FITTING
10MM
SET TO
80 PSI NOMINAL (78.4/81.6)
(0.55MPa NOMINAL (0.539/0.561))
TO QUIK-TOOL
CONTROL REGULATOR
SHT 1, E8
10 MM
LOCK
PINS
MANIFOLD
YV25
YV24
C
D
E
F
F
E
D
C
8
7
6
5
4
3
2
1
1
2
3
4
5
6
7
8
B
A
B
A
NAME: nyang
DATE: 2016/8/1
SOLIDWORKS
1021369.slddrw
technologies
Speedline
16 FORGE PARK, FRANKLIN, MA 02038 USA
SCALE: 1:1
WEIGHT:
SHEET 5 OF 6
5
REV
1021369
DWG NO.
D
SIZE
TITLE
2015/1/27
CONFIDENTIAL PROPERTY, DO NOT DUPLICATE WITHOUT PRIOR WRITTEN CONSENT
APPROVALS
2015/1/27
R.NAULT
R.NAULT
R.NAULT
INITIAL
DATE
ENG
CHK
DRN
DIMENSIONS ARE IN
MILLIMETERS UNLESS
OTHERWISE SPECIFIED
PER ASME Y14.5M-1994
.XX =
X. =
.X =
ANGLES (°) =
TOLERANCE
UNLESS OTHERWISE SPECIFIED
FINISH
THIRD ANGLE
PROJECTION
MATERIAL
SURFACE FINISH TO BE
1.6µm UNLESS
OTHERWISE SPECIFIED
SCHEMATIC,MACHINE
PNEUMATIC,EDISON

5
VALVE FUNCTION
YV1 SPARE
YV2 PRINT Z REAR
YV3
VISION MOUNTED HARD
STOP
YV4 HOOD PIN LOCK
YV5 RIGHT STAGING LIFTER
YV6 LEFT STAGING LIFTER
YV7 STENCIL FRAME CLAMP
YV8 PRINT Z FRONT
YV9 WIPER UP
YV10 DISPENSER UP/DOWN
YV11 PASTE DISPENSER AIR
YV12 VAC GATE
YV13 TOOLING VAC
YV14 MAIN AIR DUMP
YV15 WIPER VAC VENTURI
YV16 TOP CLAMP UP
YV17 STENCIL PRINT LOCK
YV18 SHUTTLE LOCK CYLINDER
YV19 FLIPPERS
YV20 SNUGGER
YV21 SNUGGER FORCE
YV22
ENCLOSED FLOW CART.
FILL PRESSURE
YV23
ENCLOSED FLOW CART.
FILL PRESSURE REGULATOR
YV24 QUICK TOOL LOCK
YV25 QUICK TOOL PINS
YV26 STENCIL_SHELF_LOCK_ON
YV27 CLAMP LOCK RELEASE
YV28 SNUGGER HEIGHT LOCK
YV29
FRONT/ REAR RAIL PANEL
CLAMPS
A
B
C
D
D
C
B
A
8
7
6
5
4
3
2
1
1
2
3
4
5
6
7
8
MATERIAL
FINISH
DRN
CHK
ENG
DATE
INITIAL
SIZE
B
SCALE: 1:1
5
R.NAULT
R.NAULT
R.NAULT
TITLE
2015/1/27
SHEET 6 OF 6
1021369
DWG NO.
REV
APPROVALS
CONFIDENTIAL PROPERTY, DO NOT DUPLICATE WITHOUT PRIOR WRITTEN CONSENT
16 FORGE PARK, FRANKLIN, MA 02038 USA
DIMENSIONS ARE IN
MILLIMETERS UNLESS
OTHERWISE SPECIFIED
PER ASME Y14.5M-1994
SURFACE FINISH TO BE
1.6µm UNLESS
OTHERWISE SPECIFIED
THIRD ANGLE
PROJECTION
2015/1/27
technologies
TOLERANCE
UNLESS OTHERWISE SPECIFIED
SOLIDWORKS
1021369.slddrw
NAME: nyang
DATE: 2016/8/1
ANGLES (°) =
.X =
X. =
.XX =
Speedline
SCHEMATIC,MACHINE
PNEUMATIC,EDISON
WEIGHT: