SM471_Technical_RF(Eng_Ver3.2_CS14.16)(1) - 第114页
Page SAMSUNG TECHWIN 106 SM471 S M471 Harness Wiring Diagram CN5 (750W) RX PW471_PW107 SM33_MD030 CN3 CN2 CN11 CN1 BOARD SM41 1P AXIS SENSOR F FEEDER UNLOCK SENSOR RY1 HOME SM471_AX103 SM41 1_AX104 SM471_CS134 SM471_AX10…

Page
SAMSUNG TECHWIN
105
SM471
SM471 Harness Wiring Diagram
FIDUCIAL㦤⮹GJX
FIDUCIAL㦤⮹GJY
SIDE
OUT
COAX
Panasonic AC servo
SET
MODE
SM471_VI006

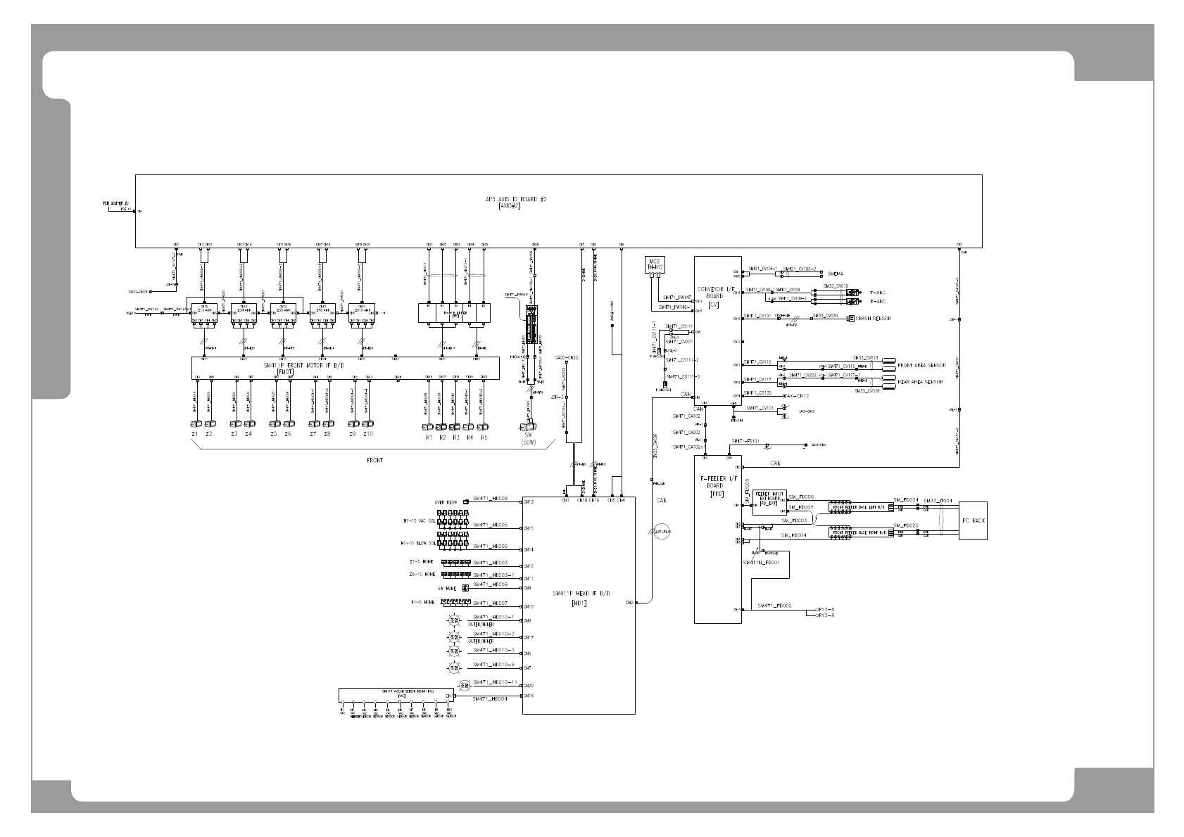
Page
SAMSUNG TECHWIN
106
SM471
SM471 Harness Wiring Diagram
CN5
(750W)
RX
PW471_PW107
SM33_MD030
CN3
CN2
CN11
CN1
BOARD
SM411P AXIS SENSOR
F FEEDER UNLOCK SENSOR
RY1 HOME
SM471_AX103
SM411_AX104
SM471_CS134
SM471_AX101
CN8
CN12
CV-CN14
CN1
CN5
CN4
S2-1
CN2
SO
CN3
S2-2
W1-2
CN4
W2-2
CN5
WS2H
CN6
MS2H
CN7
WW1H
CN8
F-BUT
CN9
reserved IN 2
CN10
F STOPPER UP
CN11
F STOPPER DN
CN12
R STOPPER UP
CN13
R STOPPER DN
CN14
CN1
SENSOR
F CONVEYOR
F ANC SOL
F SHUTTLE STOPPER SOL
CON1
SENSOR,SOL DATUM
S1-1
CN2
SO
CN3
S1-2
W1-1
CN4
W2-1
CN5
WS1H
CN6
MS1H
CN7
WW2H
CN8
R-BUT
CN9
reserved IN 1
CN10
CN11
CN12
CN13
CN14
F WORK STOPPER SOL
F BUT SOL
reserved OUT
F EDGE PUSHER SOL
IF BOARD
SM411_CS135
CN15
(750W)
FX
AP5 AXIS IO BOARD #1
CN11
(1KW)
FY2
(1KW)
FY1
SM471_MD106-1
CN13
(1KW)
RY2
(1KW)
RY1
SM471_PW016
SM33_MD027
SM471_MD204
SM33_MD028 SM33_MD029 SM33_MD031 SM33_MD032
PW471_PW108 PW471_PW109
CN21 CN23
CN17
(30W) (20W) (20W)
MS1 WS1 WW1
BS1-1 BS1-2 BW1-1 BW1-2
SM471_PW029
CN24 CN26
CN19
(30W) (20W) (20W)
MS2 WS2 WW2
BS2-1 BS2-2 BW2-1 BW2-2
[AXIO#1]
SM471_VM003
CN12 CN14
CN16
SM471_VM013
CN22
CN25
CN18 CN20
BS12
BW12
BS34
BW34
CN6CN2
PWR
SACO-CN27
CN14
CN15
CN16
CN17
CN18
CN19
CN20
SENSOR
R CONVEYOR
CON1
IF BOARD
CN15
CN16
CN17
CN18
CN19
CN20
SM471_CS135
SM471_SC007-1
CN7
[AX]
CN7
CN9 CN10
CN9
CN13
X1 MOTOR SENSOR
X2 MOTOR SENSOR
SM471_CS041
SM471_CS142
CN1
CN6
RY1 PL
RY1 ML
FY1 HOME
FY1 PL
FY1 ML
SM471_CS134-1
R FEEDER UNLOCK SENSOR
SM33_CS034-2
SM411-MD107
SM411-MD109
SM471-MD111
SM471_MD201
FL-1.2
FX-PWR FX-EN
SM471_MD102
SM471_MD203
RX-PWR RX-EN
SM471_MD104
FL-1.2
#2 DC
POWER B/D
[DP2]
PWR
SACO-CN23
SM471_CS221-1
SM471_CS220
SM471_CS253-1
SM411_CS224-1
SM411_CS252-1
SM411_CS226-1
SM471_CS225-1
CN3
CN2
SM411_CS229
CN3
CN2
CN3
CN2
CN3
CN2
SM33_CS021
SM33_CS020
SM33_CS023
SM33_CS022
SM33_CS027
SM33_CS026
SM33_CS025
SM33_CS024
SM33_CS012
SM33_CS013
SM33_CS014
SM33_CS016
SM33_CS017
SM33_CS015
CN1
SM471_PW121-2
PCIE X1
CN4
SM411P_VI006
FLAT HD1-SOL2
(HD1-CN6-EXT)
FLAT HD2-SOL2
(HD2-CN6-EXT)
STP-UP/DN
SM411_CS136
PCIE ADAPTER #1
Panasonic AC servo
SET
MODE
Panasonic AC servo
SET
MODE
Panasonic AC servo
SET
MODE
Panasonic AC servo
SET
MODE
Panasonic AC servo
SET
MODE
Panasonic AC servo
SET
MODE
CN1
CN1
CN1
CN1
CN1
CN1
CN2
CN3
CN4
CN5
CN6
CN7
CN1
TB1-11D
TB1-12D
X-PWR X-EN
X-PWR X-EN
#2F-FL1
SM411_CV131
CV-CN19
CRASH SENSOR
SM33_CV030
#2R-FL1
SM33_AX002
SM471_VI104
J1R-2
SM471_AX103-1
SM411_CS224
SM411_CS225
SM411_CS226
SM411_CS253
SM411_CS252
SM411_CS251 SM411_CS251-1
SM471_CS254
SM471_CS254-1
SM471_CS221
SM471_CS222
SM471_CS222-1
SM471_CS223-1
SM471_CS223
SM471_CS220-1
J3R-3
J3R-4
J8L-3
J8L-4
SM471_CS135-1
SM471_CS150 SM471_CS150-1
SM411_CS151 SM411_CS151-1
J5R-1 J10L-1
SM471_CS142-1
SM471_CS250
SM471_CS111-4
R ANC SOL
R SHUTTLE STOPPER SOL
R WORK STOPPER SOL
R BUT SOL
reserved OUT
R EDGE PUSHER SOL
SM471_CS111-4
T2R(1.2.3.4) T2R(5.6.7.8)
T1R(1.2.3.4)
SM471_MD102
SM471_MD102-1
SM471_MD102-1
SM471_MD104
SM471_MD104-1
SM471_MD104-1
T4L(1.2.3.4)
SM471-MD105
SM471_MD110 SM471_MD110-1
T3L(1.2.3.4)
SM471_MD103
SM471_MD101
T4L(5.6.7.8)
SM471_MD204
SM471_MD106
SM471_MD202
SM471_MD202
SM471_VI104-1
SM471_VI104-2
#1F-FL-11
AXIO#2-CN5
SM471_VI006
#2F-FL-11
HD-CN5
HD-CN4
AXIO#3-CN5
SM471_VI006
HD-CN5
HD-CN4
AX-CN7/8-EXT
F-HD-SOL
R-HD-SOL
F-HD-SOL
H7H10-VAC
R-HD-SOL
H7H10-VAC
H1H6-VAC
H1H6-VAC
#1R-FL-11
#2R-FL-11
SM471_VM004
SM471_VM005
SM471_VM014
SM471_VM015
SM471_VM017
SM471_VM018
SM33_CS034-1
SM471_AX101
SM471_PW120-2
MC1-14
TB1-12B
CN1

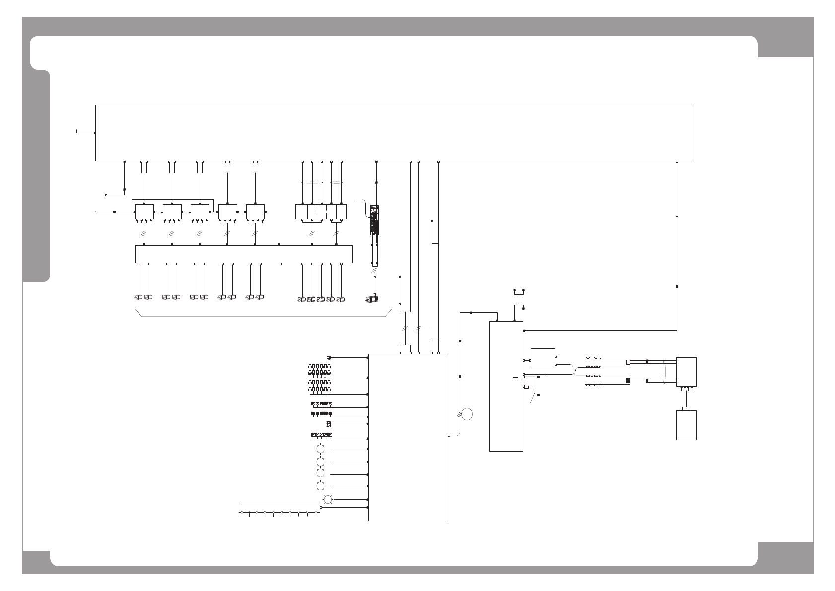
Page
SAMSUNG TECHWIN
107
SM471
SM471 Harness Wiring Diagram
CAN
CN2
R-FEEDER I/F
BOARD
CN5
CN6
SM471_CA105
SM_FD003
SM_FD004
CN3
REAR FEEDER BASE RIGHT B/D
AP5 AXIS IO BOARD #3
[AXIO#3]
CN2
PWR
CN3
CAN
SM471_SC107-3
[RFD]
CN1
CN11 CN21
Z12 AMP
Rear R DRIVER
SW
Panasonic AC servo
SET
MODE
CN12
CN5
CN6
CN3 CN1
CN10
CN4 CN2
CN13
CN14
CN5
CN6
CN3 CN1 CN4 CN2
CN15
CN16
CN5
CN6
CN3 CN1 CN4 CN2
CN17
CN18
CN5
CN6
CN3 CN1 CN4 CN2
CN19
CN20
CN5
CN6
CN3 CN1 CN4 CN2
R1
CN22 CN23
CN26
[RR]
CN10 CN10 CN10 CN10
SM411P REAR MOTOR IF B/D
[RMOT]
Z34 AMP Z56 AMP Z78 AMP Z910 AMP
CN24 CN25
R2 R3 R4 R5
#2R-FL7.8
#1R-FL8.9 #1R-FL10.11 #1R-FL12.13 #1R-FL9.10
PW471_PW107
[HD2]
CAN
CN3
JK1 JK2 JK3 JK4 JK5 JK6
CN7
JK7 JK8 JK9 JK10 JK11 JK12
CN8
SM_FD005
CN11
CN4
SM471_CV101
SACO-CN22
FEEDER INPUT
EXT.BOARD
[FD_EXT]
SM_FD006
CN2
JJ1 JJ2 JJ3 JJ4 JJ5 JJ6
SM_FD007
JJ7 JJ8 JJ9 JJ10 JJ11 JJ12
SM_FD025
SM_FD024
CAN
PWR
CAN
PWR
REAR FEEDER BASE LEFT B/D
CN2
FD-CN7FD-CN7
FD-CN13
SM411N_FD001
FD-CN7
PCIE X1
SM411P HEAD IF B/D
SENSORSENSORSENSORSENSOR
VAC .
VAC .VAC .
VAC .
H1 H2
H3 H4
SM411P VACUUM SENSOR B'D(H1~H10)
H5
VAC . VAC .
SENSOR
CN1
[VAC]
SENSORSENSOR
VAC .
H6 H7
H9H8
VAC . VAC .
SENSOR SENSOR
H10
VAC .
SENSOR
CN16
H1~10 VAC SOL
CN15
H1~10 BLOW SOL
CN14
CN12
Z1~5 HOME
CN11
Z6~10 HOME
CN9
SW HOME
CN13
OVER BLOW
CN10
R1~5 HOME
CN8
조명
FIDUCIAL조명 #1
CN17
FIDUCIAL조명 #2
OUTER/INNER
조명
OUTER/INNER
CN7 CN9
CN19CN18
Z1~Z8 HOME
CN1
PWR
SACO-CN26
PCIE ADAPTER #3
SM33_IT004
CAN
PWR
CAN
PWR
CN11 CN12 CN13 CN14 CN15 CN23 CN21 CN22
CN19 CN20CN18CN17CN16
CN1 CN6 CN2 CN7 CN3 CN8 CN4 CN9 CN5 CN10 CN24
HD-PW
SM411P_SC003-2
#1R-FL12
#2R-FL9
#2R-FL10
CAN
RHD-CAN
Z9~Z10, R1~R5, SW HOME
#2R-FL12
Z1~Z8 HOME
Z9~Z10, R1~R5, SW HOME
CN6
CN7
CN20
SIDE
조명
OUT
조명
COAX
조명
SM471_CA102-4
J8L-2
J3R-2
SM471_CA101-3 SM471_CA201
J4R-2
SM471_CA105-1
J9L-2
SM471_CA202
SM471_HD004
SM471_HD005
SM471_HD006
SM471_HD003
SM471_HD003-1
SM471_HD008
SM471_HD009
SM471_HD007
SM471_HD010-1
SM471_HD010-2
SM471_HD010-3
SM471_HD010-6
SM471_HD010-11
PC RACK
PS2
SM33_IT005
+24V 24G
CH1
CH2
CH3
CH4
(50W)
SM471_MD104
SM471_MD203
SW-ENSW-PW
T3L(5.6.7.8)
SM471_MD104-1
Z1 Z2 Z3 Z4 Z5 Z6 Z7 Z8 Z9 Z10
R1 R2 R3 R4
R5
SM471_MD019
SM471_MD020
SM471_MD021
SM471_MD022
SM471_MD023
SM471_MD024
SM471_MD024-1
SM471_MD024-2
SM471_MD024-3
SM471_MD024-4
SM471_MD038
SM471_MD039
SM471_MD040
SM471_MD040-1
SM471_MD040-2
SM471_MD025
REAR
SM471_MD115
PWR
SM471_PW124-1
PWR
SM471_PW124
PS#4
SM471_PW031
SM471_PW031
SM471_PW031
SACO-CN29
J7L-3
CN5
CN5 CN4
AXIO#1-CN5
SM471_VM107SM471_VM107-1
SM471_VM009-1
SM471_VM009-2
SM471_VM009-3
SM471_VM009-4
SM471_VM009-5
SM471_VM011
SM471_VM011-1
SM471_SC203
CV-CN4
J2R-2
J2R-1
IT MASTER