N7201A643C08(1)NPM-DX工程师手册 - 第80页
EJM8DC-MB-02C-0 2 第 1 阶层 第 2 阶层 第 3 阶层 第 4 阶层 NPM-DX 工程师模式 2 有关紧急停止错误的信息,按照时间 的最新顺序可以最多显 示 20 件。 停止履历 有关自动运转中发生的真空传感器错 误的信息,显示最新的 50 件。 履历 显示有关元件的吸着信息。 真空传感器错误履历 2-2-2 -3 显示各基台的运转时间的信息。 各部位 名称 菜单构成 2 2-2-2 传送带 准备菜单 显示有关元…

EJM8DC-MB-02C-01
第1阶层 第2阶层 第3阶层 第4阶层
NPM-DX
2-2-2-2
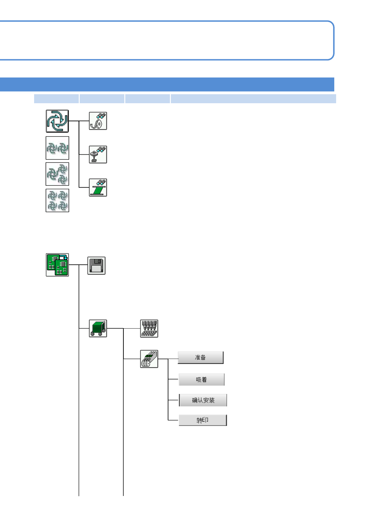
准备菜单
供料器
余数监视器
确认生产线上的各工作台的元件用完信息。
确认吸着状況。
吸着监视器
生产菜单
(生产中)
状況监视器
显示运转中的生产信息,零部件用完信息,以及其他的各类信息。
读入机器数据、保存机器参数等文件操作。
显示各吸嘴位置的机器数据。
准备零部件
吸嘴
确认供料器状态。
★进行转印单元的操作。
用颜色来显示生产数据和供料器状态。
根据各供料器地址来确认生产中的吸
着位置学习后的补正值。
★带有标记的图标或按钮,是在搭载了该选购件时才显示。
文件操作

EJM8DC-MB-02C-02
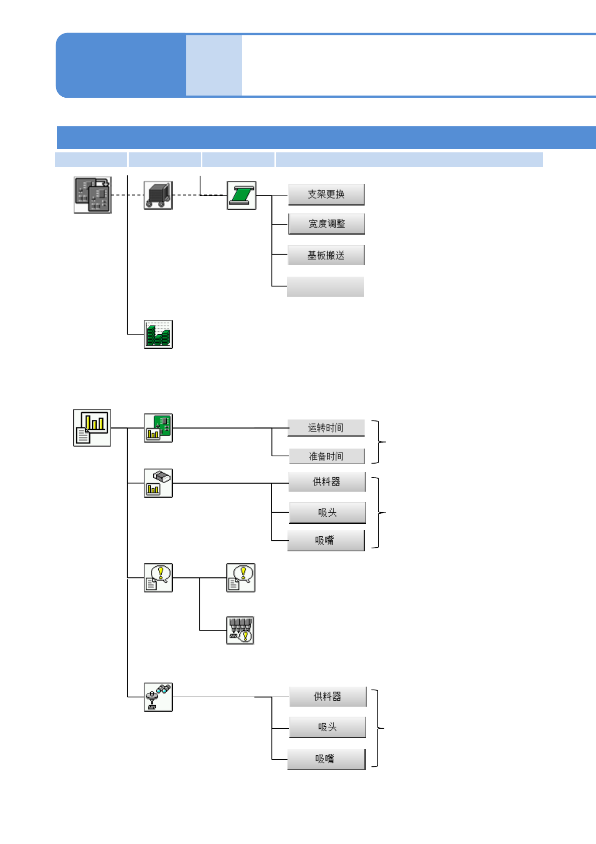
第1阶层 第2阶层 第3阶层 第4阶层
NPM-DX
工程师模式 2
有关紧急停止错误的信息,按照时间的最新顺序可以最多显
示20件。
停止履历
有关自动运转中发生的真空传感器错误的信息,显示最新的
50件。
履历
显示有关元件的吸着信息。
真空传感器错误履历
2-2-2-3
显示各基台的运转时间的信息。
各部位
名称
菜单构成 2
2-2-2
传送带
准备菜单
显示有关元件的吸着信息。
吸着监视器
准备零部件
事先计算生产计划所需的元件消耗量。
生产计划
★进行基板支撑销单元的更换动作。
显示基板位置,从各位置进行传送。
调整轨道宽度。
★进行支撑销(自动更换用)的位置、
数量的确认。
吸着信息
生产信息
菜单
运转信息
支架更换
★带有标记的图标或按钮,是在搭载了该选购件时才显示。

EJM8DC-MB-02C-01
第1阶层 第2阶层 第3阶层 第4阶层
NPM-DX
2-2-2-4
更换消磨零件
定期检查
确认各周期的检查项目和操作履历。
显示消磨零件的更换信息。
维护菜单
XY单元
进行XY单元的维护作业。
贴装头
进行贴装头的维护作业。
维护作业
进行基板传送的维护作业。
传送带
显示精度验证结果。
精度验证结果
生成数据
生成精度验证数据。
精度验证