N7201A643C08(1)NPM-DX工程师手册 - 第82页
EJM8DC-MB-02C-01 第 1 阶层 第 2 阶层 第 3 阶层 第 4 阶层 NPM-DX 工程师模式 3 供料器 确认、修改图案属性的数据。 贴装 确认、修改生产数据。 确认、修改组属性的数据。 图案 各部位 名称 菜单构成 3 2-2-2 2-2-2 -5 吸嘴存储器 显示吸嘴交换器的吸嘴信息。 ★ 确认转印条件 。 软件开关 确认设定运转条件的软件开关的设置 状态。 确认设备的通信开关的设定状态。 基板 生产数据 菜单…

EJM8DC-MB-02C-01
第1阶层 第2阶层 第3阶层 第4阶层
NPM-DX
2-2-2-4
更换消磨零件
定期检查
确认各周期的检查项目和操作履历。
显示消磨零件的更换信息。
维护菜单
XY单元
进行XY单元的维护作业。
贴装头
进行贴装头的维护作业。
维护作业
进行基板传送的维护作业。
传送带
显示精度验证结果。
精度验证结果
生成数据
生成精度验证数据。
精度验证

EJM8DC-MB-02C-01
第1阶层 第2阶层 第3阶层 第4阶层
NPM-DX
工程师模式 3
供料器
确认、修改图案属性的数据。
贴装
确认、修改生产数据。
确认、修改组属性的数据。
图案
各部位
名称
菜单构成 3
2-2-2
2-2-2-5
吸嘴存储器
显示吸嘴交换器的吸嘴信息。
★确认转印条件。
软件开关
确认设定运转条件的软件开关的设置
状态。
确认设备的通信开关的设定状态。
基板
生产数据
菜单
修改
确认、修改基板数据。
确认、修改基板弯曲数据。
确认、修改基板识别数据。
★确认、修改支撑销(自动更换用)的
数据。
设定供料器的状态。
输入、修改元件形状的数据。
输入、修改贴装条件的数据。
★带有标记的图标或按钮,是在搭载了该选购件时才显示。

EJM8DC-MB-02C-01
第1阶层 第2阶层 第3阶层 第4阶层
NPM-DX
2-2-2-6
程序库
显示可以搭载的供料器程序库的数据。
显示可以使用的吸嘴程序库的数据。
贴装吸嘴
供料器
确认数据
确认生产数据
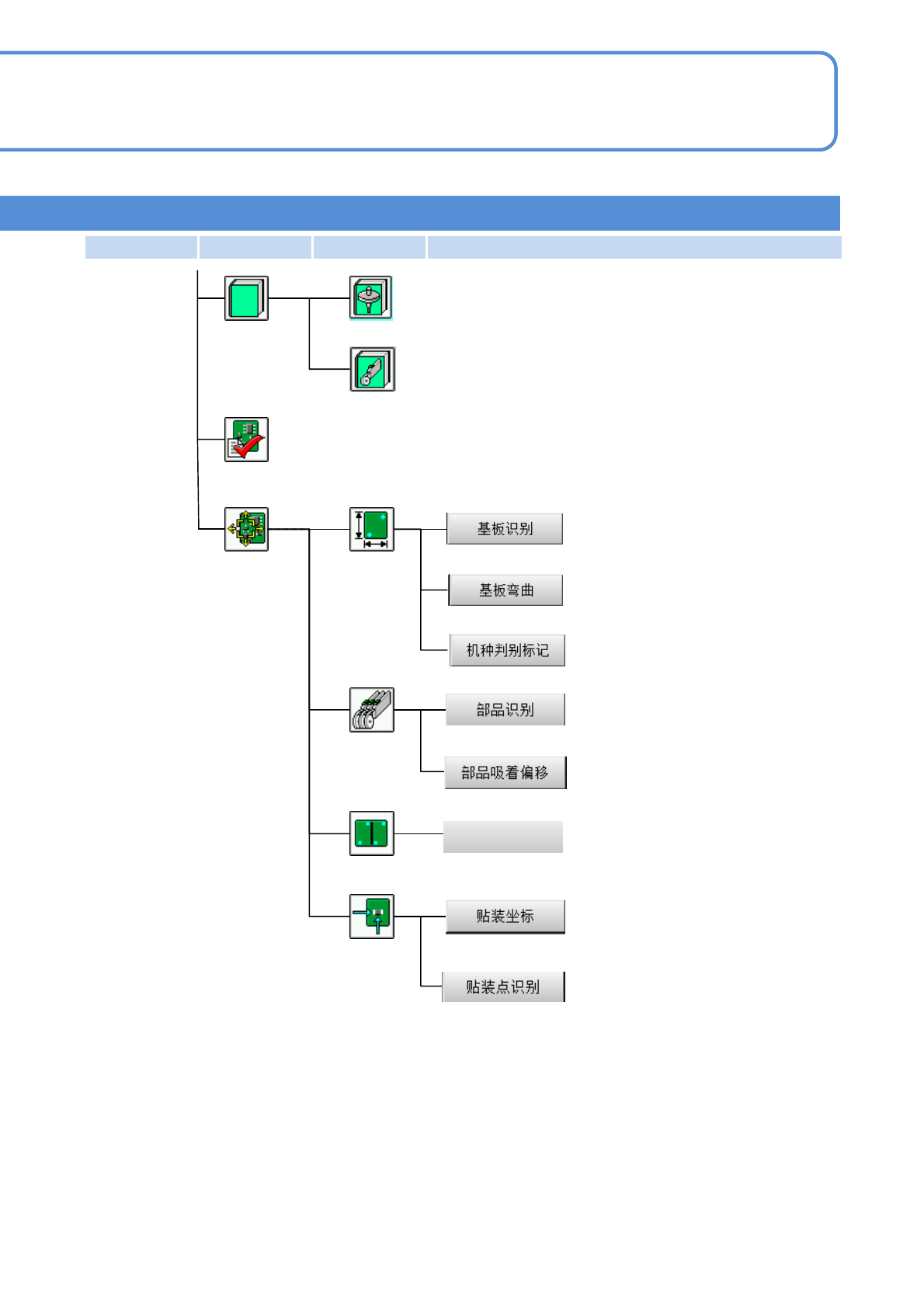
示教
基板
供料器
确认基板的贴装状态,确认为了修改
贴装偏移的条件。
贴装
图案属性
确认不良标记识别动作,修改不良标
记坐标。
以贴装点单位选择条件贴装时的贴装
对象。
确认基板识别动作,修改基板的识
别坐标。
确认机种判别标记识别动作。
★确认基板弯曲动作,并修改测量点
数据。
元件吸着位置动作,设定吸着偏移量。
确认元件识别动作,修改元件数据。
不良标记
★带有标记的图标或按钮,是在搭载了该选购件时才显示。