NPM-TT2 电路图 - 第125页
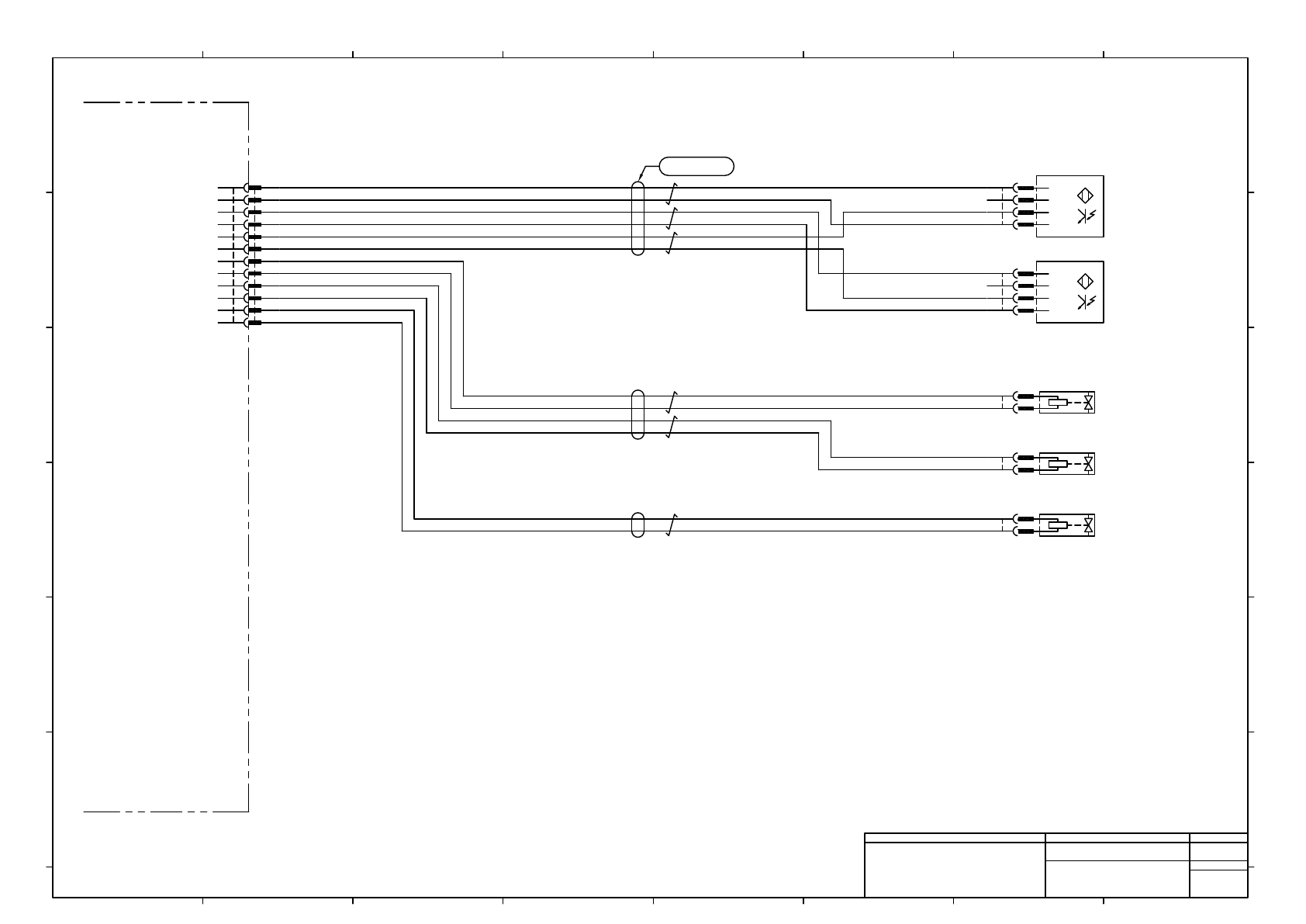
-B1127 BU BK BN L1 Left PCB Detection 1 P24 OUT IN GND 1 2 3 4 -B1126 L2 Right PCB Detection 1 P24 OUT IN GND 1 2 3 4 -B1132 L2 Left PCB Detection 2 -B1133 BU BK BN L2 Left PCB Detection 1 BK/WH BK RD/WH RD 2464C(BPF)VVP…

P24
OUT
IN
GND
1
2
3
4
-B1131
BK/WH
BK
RD/WH
P24
OUT
IN
GND
1
2
3
4
-B1121
-B1120
BU
BK
BN
-B1130
BU
BK
BN
L2 Right
PCB Detection 2
L1 Left
PCB Detection 2
L1 Right
PCB Detection 1
L1 Right
PCB Detection 2
RD
2464C(BPF)VVP AWG#24×2P-B
24VOUT
IN130
NC
24GND
24VOUT
IN136
OT103
24GND
24VOUT
IN121
OT102
24GND
YE
YE/WH
GN
GN/WH
RD
RD/WH
BK
BK/WH
U-TKVV 4P-AWG24
2464C(BPF)VVP AWG#24×2P-B
RD
RD/WH
BK
BK/WH
AMP
B1130P
177908-1
4
3
2
1
AMP
B1130R
177900-1
4
3
2
1
JST
B1131
PAP-04V-S
4
3
2
1
JST
B1121
PAP-04V-S
4
3
2
1
AMP
B1120P
177908-1
4
3
2
1
AMP
B1120R
177900-1
4
3
2
1
MTKA005506**:
Main Body Wiring:NPM-TT2
24VOUT
IN120
NC
24GND
MTKC003512AC
MTKC003517AB
MOLEX
1B1120P
5559-14P-210
14
13
12
11
10
9
8
7
6
5
4
3
2
1
MOLEX
1B1120R
5557-14R-210
1
2
3
4
5
6
7
8
9
10
11
12
13
14
MOLEX
2B1120R
5557-08R-210
8
7
6
5
4
3
2
1
MOLEX
2B1120P
5559-08P-210
8
7
6
5
4
3
2
1
2464-1061/ⅡA(PF) LF 2P×24AWG
2
2464-1061/ⅡA(PF) LF 2P×24AWG
2
2464-1061/ⅡA(PF) LF 4P×24AWG
2
Panasonic Factory Solutions Co.,Ltd. パナソニック ファクトリーソリューションズ株式会社
Name
Drawing No.
Loc. No.
F4K1020-05A
1
2 3 4 5 6 7 8
A
B
C
D
E
F
1 2 3 4 5 6 7 8
A
B
C
D
E
F
Page. No.
Dual Conveyor Wiring:NPM-TT2
(Position Sensor 3)
MTKA005518+011AC
P011

-B1127
BU
BK
BN
L1 Left
PCB Detection 1
P24
OUT
IN
GND
1
2
3
4
-B1126
L2 Right
PCB Detection 1
P24
OUT
IN
GND
1
2
3
4
-B1132
L2 Left
PCB Detection 2
-B1133
BU
BK
BN
L2 Left
PCB Detection 1
BK/WH
BK
RD/WH
RD
2464C(BPF)VVP AWG#24×2P-B
24VOUT
IN133
NC
24GND
24VOUT
IN134
OT105
24GND
24VOUT
IN126
OT104
24GND
YE
YE/WH
GN
GN/WH
RD
RD/WH
BK
BK/WH
U-TKVV 4P-AWG24
2464C(BPF)VVP AWG#24×2P-B
RD
RD/WH
BK
BK/WH
AMP
B1133P
177908-1
4
3
2
1
AMP
B1133R
177900-1
4
3
2
1
JST
B1132
PAP-04V-S
4
3
2
1
JST
B1126
PAP-04V-S
4
3
2
1
AMP
B1127P
177908-1
4
3
2
1
AMP
B1127R
177900-1
4
3
2
1
MTKA005506**:
Main Body Wiring:NPM-TT2
24VOUT
IN127
NC
24GND
MTKC003513AC
MTKC003518AB
MOLEX
1B1126P
5559-14P-210
14
13
12
11
10
9
8
7
6
5
4
3
2
1
MOLEX
1B1126R
5557-14R-210
1
2
3
4
5
6
7
8
9
10
11
12
13
14
MOLEX
2B1126R
5557-08R-210
8
7
6
5
4
3
2
1
MOLEX
2B1126P
5559-08P-210
8
7
6
5
4
3
2
1
2464-1061/ⅡA(PF) LF 2P×24AWG
2
2464-1061/ⅡA(PF) LF 2P×24AWG
2
2464-1061/ⅡA(PF) LF 4P×24AWG
2
Panasonic Factory Solutions Co.,Ltd. パナソニック ファクトリーソリューションズ株式会社
Name
Drawing No.
Loc. No.
F4K1020-05A
1
2 3 4 5 6 7 8
A
B
C
D
E
F
1 2 3 4 5 6 7 8
A
B
C
D
E
F
Page. No.
Dual Conveyor Wiring:NPM-TT2
(Position Sensor 4)
MTKA005518+012AC
P012

L1 PCB
Support Upper
(Mount Position #1)
L1 PCB
Support Lower
(Mount Position #1)
P24
G24
P24
G24
IN244
IN245
24VOUT
OT134
24VOUT
OT135
P24
OT222
-R4134
-R4135
-R4222
P24
OUT1
OUT2
GND
1
2
3
4
-B1244
P24
OUT1
OUT2
GND
1
2
3
4
-B1245
BK/WH
BK
2464C(BPF)VVP AWG#24×1P-B
MTKC003516AC
BK
BK/WH
GN
GN/WH
2464C(BPF)VVP AWG#24×2P-B
RD
RD/WH
BK
BK/WH
RD
RD/WH
JST
B1244/1235
PAP-04V-S
4
3
2
1
JST
B1245/1236
PAP-04V-S
4
3
2
1
SMC
R4222/R4223
SY100-29-1
-
+
CKD
R4135/R4137
4G-SOCKET-SET-FL388859
-
+
CKD
R4134/R4136
4G-SOCKET-SET-FL388859
-
+
MOLEX
1B1233R
5557-12R-210
12
11
10
9
8
7
5
2
6
4
3
1
MOLEX
1B1233P/1234P
5559-12P-210
1
3
4
6
2
5
7
8
9
10
11
12
MTKA005506**:
Main Body Wiring:NPM-TT2
2464C(BPF)VVP AWG#24×3P-B
Note1)
Note1) Connector pin arrangement is not sequential.
L1 PCB
Support Up
(Mount Position #1)
L1 PCB
Support Down
(Mount Position #1 )
L1 PCB
Support Up/Down
Speed Change
(Mount Position #1 )
2464-1061/ⅡA(PF) LF 3P×24AWG
2
2464-1061/ⅡA(PF) LF 2P×24AWG
2
2464-1061/ⅡA(PF) LF 1P×24AWG
2
Panasonic Factory Solutions Co.,Ltd. パナソニック ファクトリーソリューションズ株式会社
Name
Drawing No.
Loc. No.
F4K1020-05A
1
2 3 4 5 6 7 8
A
B
C
D
E
F
1 2 3 4 5 6 7 8
A
B
C
D
E
F
Page. No.
Dual Conveyor Wiring:NPM-TT2
(Under Support I/O #1F)
MTKA005518+013AC
P013