NPM-TT2 电路图 - 第179页
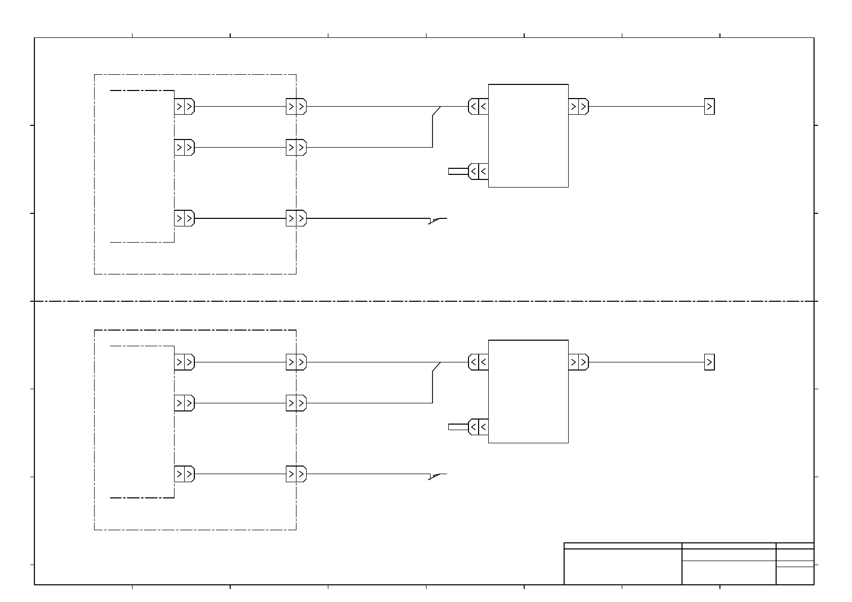
POWER UNIT -A02 CARTF4R/CARTR4R -K365 CARTF5R/CARTR5R C2 C1 NF3ACE CN20 CNFP Front Side Rear Side -K365 C2 C1 NF3ACE CN20 CNFP 1 2 N610135234**:Main Body wiring CARTF1 CARTF2 CARTR1 CARTR2 CARTF4R/CARTR4R CARTF5R/CARTR5R…

POWER UNIT
-A02
CARTF4R/CARTR4R
-K365
CARTF5R/CARTR5R
C2
C1
NF3ACE
CN20
CNFP
Front Side
Rear Side
-K365
C2
C1
NF3ACE
CN20
CNFP
1
2
N610135234**:Main Body wiring
CARTF1
CARTF2
CARTR1
CARTR2
CARTF4R/CARTR4R
CARTF5R/CARTR5R
CNFDCVFP
CNFDCVRP
FDCVFR/FDCVRR
FDCVFR/FDCVRR
-S401,-S402
-S403,-S404
2
POWER UNIT
-A02
N610135234**:Main Body wiring
Panasonic Factory Solutions Co.,Ltd. パナソニック ファクトリーソリューションズ株式会社
Name
Drawing No.
Loc. No.
F4K1020-05A
1
2 3 4 5 6 7 8
A
B
C
D
E
F
1 2 3 4 5 6 7 8
A
B
C
D
E
F
Page. No.
13-Slot Supply Part Wiring:NPM-TT
(BLOCK DIAGRAM)
N610135244+002AC
P002

N610135234**:
P026
From
Main Body wiring
EGCART
R1.25-4
JAPAN SOLDERLESS TER
N610124002AA
1
2
3
MOLEX
CARTF5R/CARTR5R
5557-06R-210
4
5
6
14
13
12
11
10
9
8
7
6
5
4
MOLEX
CARTF4R/CARTR4R
5557-14R-210
3
2
1
GY
GY/WH
BU
BU/WH
OG
OG/WH
VT
VT/WH
P24
G24
P24
G24
P24
G24
P24
G24
RXD+
RXD-
TXD+
TXD-
GND
IN110
IN044
CHK1a
CHK1b
P24
G24
P24
G24
FG
1
2
3
MOLEX
CARTF4P
5559-14P-210
4
5
6
7
8
9
10
11
12
13
14
1
2
3
MOLEX
CARTF5P
5559-06P-210
4
5
6
N610135606AB
C2(CN15)
1
2
3
4
5
6
TXD+
RXD+
TXD-
RXD-
GND
7
8
9
10
11
12
13
13
14
15
16
17
18
19
GND
P24
P24
P24
P24
GND
GND
GND
20
21
22
23
24
GND
GND
GND
NC
ILK OUT (IN044)
CN20
1
2
3
4
P24
G24
P24
G24
4
3
2
1
43025-0400
CN23K365
MOLEX
GN
BK
WH
RD
6/5
5/3
4/2
3/1
1/4
2/6
NDA-99MD001
CNFP
NODA ELECTRIC
N610073915AC
UL2854 AWG23-4C
C1(CN16)
1
2
3
4
5
6
7
8
9
10
11
12
13
GND
TXD+
RXD+
NC
TXD-
RXD-
NC
13
14
15
16
17
18
19
P24
P24
P24
P24
G24
G24
G24
20
21
22
23
24
G24
G24
G24
NC
ILK OUT (IN044)
24
23
22
21
20
19
18
17
16
15
14
13
12
11
10
9
8
7
6
5
4
MOLEX
C1K365
43025-2400
3
2
1
24
23
22
21
20
19
18
17
16
15
14
13
12
11
10
9
8
7
6
5
4
MOLEX
C2K365
43025-2400
3
2
1
-K365
NF3ACE
P24
G24
UL#24 80/300-0.2mm2 BU
UL#24 80/300-0.2mm2 BU
UL#24 80/300-0.2mm2 BU
UL#24 80/300-0.2mm2 BU
UL#20 80/300-0.5mm2 BU
Front side
RD
RD/WH
BK
BK/WH
GN
GN/WH
YE
YE/WH
BN
BN/WH
LG
LG/WH
2
SEIWA
E04SR200932
3
2464C(BPF)VVP AWG#24×10P-B
2464-1061/ⅡA(PF) LF 10P×24AWG
4
4
Panasonic Factory Solutions Co.,Ltd. パナソニック ファクトリーソリューションズ株式会社
Name
Drawing No.
Loc. No.
F4K1020-05A
1
2 3 4 5 6 7 8
A
B
C
D
E
F
1 2 3 4 5 6 7 8
A
B
C
D
E
F
Page. No.
13-Slot Supply Part Wiring:NPM-TT
(Front communication wiring)
N610135244+003AE
P003