DECAN_L2_TRM(Ver4.2_CS20.07) - 第157页
Page +$1:+$ 153 DECAN L2

Page
+$1:+$
152
DECAN
L2
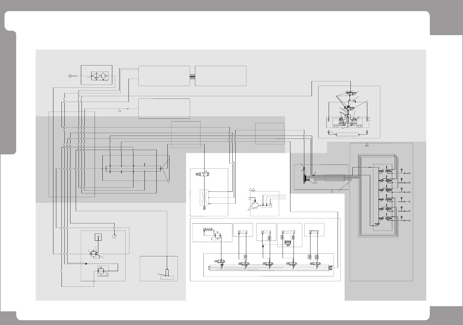
Air (1/6)
A
B
C
DE
HP09-000007
MANIFOLD ASSY
(LEFT CABLE DUCT ASSY 하위에
포함
)
STANDARD AIR ASSY
REAR AIR
PANEL ASSY
VACUUM
GENERATOR OPTION
FRONT AIR PANEL ASSY
Feeder Base (D
C)
2-J6703033A
4-J6711019A
FEEDER BASE ASSY (DC)
FEEDER BASE ASSY(FRONT-DC)
FEEDER BASE ASSY(REAR-DC)
J66061005A
J6701018B
J6701088A
J6711005A
J6703007A
2-J6711028A
J6711156A
STANDARD AIR ASSY
FEEDER BASE ASSY (ST)
FEEDER BASE ASSY(REAR-ST)
FEEDER BASE ASSY(FRONT-ST)
Feeder Base
VACUUM PUMP OPTION
VACUUM PUMP (OPTION)
HP09-000127
Y CABLE DUCT ASSY
RIGHT CABLE DUCT ASSY
PC RACK ASSY (PVC DUCT)
LEFT CABLE DUCT ASSY
1
2
3
Blow Sol
1
2
3
1
2
3
1
2
3
1
2
3
1
2
3
Over Blow Sol
Vacuum Sol
Blow Sol
Vacuum Sol
Blow Sol
Vacuum Sol
Blow Sol
Vacuum Sol
Blow Sol
Vacuum Sol
Blow Sol
Vacuum Sol
OVER BLOW
ğ4
0.5MPa
BLOW
ğ4
0.1MPa
Vacuum Line
Dual :
후면
Conv. Sol에 배선
Single : Tube
끝단
막음처리
2xHP13-000037A
3.7M
12
1
J6711183A
J6711183A
2x2-J67111035A
J6711183A
J67121009A
HP06-000226
(ST
OPTION 㢰 ᷱ㟤
KQ2P-10 㥐ᶤ䚌Ḕ ⵤ㉔䚔
ᶷ
)
AM03-010745A
FILTER_ASSY
U2-4-12*8
2-J67
111176A
HP11-000058
2-J67111203A
J67111205A
1P 3R
J67021025A
VP544-5DZ-03A
J6712014A
PLUG 3/8
2A
X
J6712014A
PLUG 1/8
U2-4-4*2.5
J1301187
KQ2L12-04
J1301187
KQ2L12-04
U2-4-12*8
J6711028A
KQ2L04-01
HP09-000150
SPABT-P10-
R18-2N-K1-SA
HP06-000278
FITTING
QS-E-M5-4-I-C
J6709012A
TAR4000-04
J61191167A
FITTING KQ2F04-01
J61191172A
METER GZ46-K-01-C1
J67091014A
AR08-T2-DOMO-J346A
U2-4-12*8
U2-4-12*8
U2-4-12*8
J67121009A
4-J1301188
U2-4-4*2.5
J9057168B
2-J6711257A
J9057180A
2-J6703034A
U2-4-4*2.5
J9057172B
U2-4-4*2.5
5-J1300276
U2-4-4*2.5
2-J6711256A
2-J1301188
4-J6711247A
2-J6711009A
J6702021A
J6702021A
J6703037A
2-J6705004A
J1300284
J6711168A
3-J6712008A
3-J1301188
J6709004A
J67011007A
J90561001A(J6701029A)
2-J1300067
HP14-000718 SOL VALVE MODULE (4
연)
U2-4-4*2.5(BLUE)
U2-4-4*2.5(BLUE)
U2-4-4*2.5
U2-4-4*2.5
U2-4-4*2.5(BLUE)
U2-4-6*4(YELLOW)
U2-4-6*4
U2-4-4*2.5
3-J6703031A
J67011016A
3-J6703028A
2-J1301188
J6711157A
J6711001A
5-SOL VALVE
3-J6712017A
J6711183A
후면
U2-4-6*4
U2-4-8*5
U2-4-8*5
U2-4-6*4
U2-4-4*2.5
J6711168A
BUYD06-04
U2-4-4*2.5
2-J1301188
KQ2L04-M5
전면
J6711183A
HP11-000193
VACUUM PUMP
KHF14-V-01 (ORION)
HP06-000250
KQ2VT12-03AS
HP06-000234 / KQ2R08-12
J61191171A / KQ2R04-08
J67121002A
PLUG KQ2P-10
'a'
'b'
'a'
U2-4-12*8, BLACK, 3200mm
U2-4-12*10, BLACK, 3500mm
U2-4-6*4, BLACK, 3300mm
U2-4-8*5, BLACK, 3500mm
U2-4-10*6.5, BLACK, 2000mm
U2-4-8*5, BLACK, 1200mm
U2-4-6*4, BLACK, 1400mm
U2-4-6*4, BLACK, 1370mm
U2-4-4*2.5, BLACK, 3000mm
U2-4-12*8, BLACK, 1100mm
U2-4-12*8, BLACK, 1680mm
U2-4-6*4, YELLOW, 1300mm
U2-4-6*4, YELLOW, 2500mm
U2-4-6*4, YELLOW, 4300mm
U2-4-6*4, BLACK, 1200mm
U2-4-6*4
U2-4-6*4
U2-4-12*8
U2-4-4*2.5
U2-4-6*4
U2-4-6*4
U2-4-6*4
U2-4-6*4
U2-4-8*5
U2-4-6*4
U2-4-6*4
U2-4-6*4
U2-4-12*8
U2-4-6*4
FC28-000105
STRAIGHT NIPPLE
M3/8-ID9.5
U2-4-12*8
BLACK, 450mm
HP06-000235
2-HP06-000234
U2-4-8*5, BLACK
'b'
'c'
'c'
ADAPTER M3/4"-F1/2"
ELBOW FITTING 12-04S
AD
APTER M3/4"-F1/2"
ELBOW FITTING 12-04S
ELBOW FITTING 04-01S
J67121009A
J67111194A
SQU06-00-W
2-J67111213A
HP04-000178
FILTER
HP04-000179
MIST SEPERATOR
BLACK PLATE
3-FITTING 2-FITTING
HP14-000725
2-AM03-000173
ELBOW NIPPLE
M3/4-F3/8
HEAD 1HEAD 2HEAD 3HEAD 4HEAD 5HEAD 6
U2-4-4*2.5
TUBE
로 막음
처리
(4개
Port)
MULTI TUBE
4-4
양
끝단은
열린
상태로
둘 것
(F2 HEAD 교체
시 사용
)
U2-4-8*5
HP06-000424
U2-4-12*8
U2-4-6*4
EDGE FIXER ASSY (OPTION)
STOPPER ASSY(WORK)
STOPPER ASSY(IN or OUT)
ANC ASSY
BUT ASSY
FRONT CONVEYOR ASSY
Front HEAD Air Module
Rear HEAD Air Module
Y CABLE DUCT ASSY
12
3
3
3
3
REAR CONVEYOR ASSY
(DUAL CONV. OPTION)

Page
+$1:+$
153
DECAN
L2

Page
+$1:+$
154
DECAN
L2
Air (2/6)