DECAN_L2_TRM(Ver4.2_CS20.07) - 第166页
Page +$1:+$ 162 DECAN L2 Air (6/6)

Page
+$1:+$
161
DECAN
L2
Air (5/6)
NO. PART NO. PART NAME Q'TY Old No. Supply Supply LT Reference
1 FC14-900725 PLUG 2
2 HP06-900202 FITTING 1
3 HP14-900045 AIR-VALVE 1
4 HP06-900204 FITTING 1
5 HP11-000058 PUMP 1
6 FC28-000105 STRAIGHT NIPPLE 1
7 AM03-000173 ELBOW NIPPLE 1
8 HP11-000059 PUMP 1
9 HP06-000250 FITTING 1
10 HP06-000234 FITTING 1
11 HP06-900046 JOINT 1
12 HP03-900044 CYLINDER 1
13 HP09-900110 REGULATOR 1
14 FC14-900640 PLUG FITTING 1
15 HP03-001008 CYLINDER-STOPPER 1 HP03-900009
16 HP06-900263 HOSE NIPPLE 1
17 AM02-900001 ELBOW FITTING 1
18 HP14-000725 VALVE,SOLENOID 1
19 HP03-900015 STOPPER CYLINDER 1
20 HP14-900083 THROTTLE VALVE 1
21 HP06-900027 FITTING 1 HP06-900047
22 J90561001A ANC_ASSY 1
23 HP14-900085 SPEED CONTROLLER 1
24 HP03-900053 AIR_CYLINDER 1
25 HP03-900040 CYLINDER 1
26 HP06-900056 ELBOW FITTING 1
27 HP14-900088 SPEED CONTROLLER 1
28 HP06-900264 ELBOW FITTING 1
29 HP09-900158 SILENCER 1

Page
+$1:+$
162
DECAN
L2
Air (6/6)

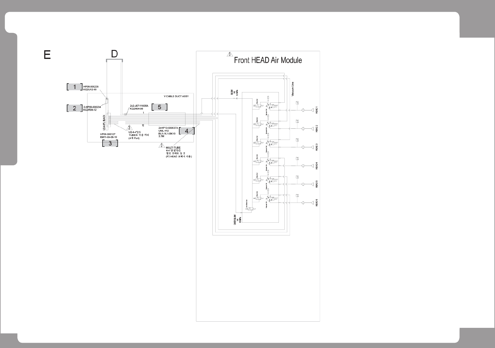
Page
+$1:+$
163
DECAN
L2
Air (6/6)
NO. PART NO. PART NAME Q'TY Old No. Supply Supply LT Reference
1 HP06-000235 FITTING 1
2 HP06-000234 FITTING 1
3 HP09-000127 MANIFOLD 1
4 HP13-000037A TUBE,PNEUMATIC 1
5 HP06-900089 STRAIGHT_FITTING 1