DECAN_L2_TRM(Ver4.2_CS20.07) - 第190页
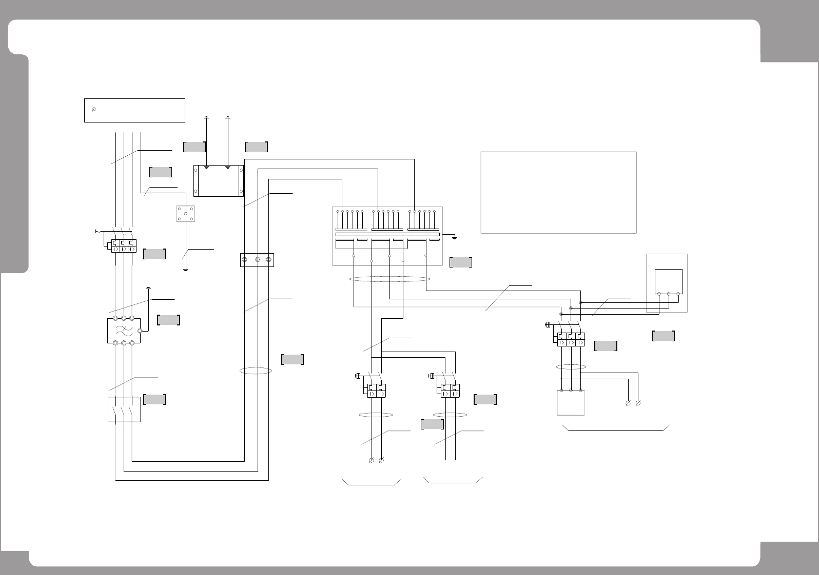
Page +$1:+$ 186 DECAN L2 Electric Power (1/6) 240 AM03-010917A AM03-010916A 2.5 mm (BLK) 2.5 mm (BLK) -MAIN S/W (600V AC,20A) L32 L33 L31 -NF1 L22 L21 L23 2P-C16 -CP1 SM51 1_PW003-1 J90831063A SM33_PW001 2.5 mm (BLK) F A…

Page
+$1:+$
185
DECAN
L2
Harness Wiring Diagram (8/8)
CONVEYOR I/F
BOARD
FLAT CABLE
[CV]
SM511_CA102
CN23
SM511_CV019
CAN
SM511_CA102-1
SM511_CA202
CN3
J4R-1 J9L-1
SM511_CA101-2
SM511_CA201
SM511_CA101-1
FDOCK1
FDOCK2
FRONT DOCKING CART SENSOR1(전면에서 왼쪽)
FRONT DOCKINF CART SENSOR2(전면에서 오른쪽)
CN24
SM511_CV020
RDOCK1
RDOCK2
REAR DOCKING CART SENSOR1(전면에서 왼쪽)
REAR DOCKINF CART SENSOR2(전면에서 오른쪽)
CN10
SM511_CV028
F/D_CART SOL1
F/D_CART SOL2
전면D_CART SOL1
전면D_CART SOL2
CN 111
SM511_CV029
R/D_SOL1
R/D_SOL2
후면D_CART SOL1
후면D_CART SOL2
FFD-EN3
FFD-EN2
FFD-CN3
FFD-CN2
SM511_IT004
CAN
CAN
PC RACK
IT MASTER
SM511_IT004
CAN_CH1_L
CAN_CH3_L
F-24V-EX
SM511_FD010_DC
J3R-2 J8L-2
SM511_CA101-3 SM511_CA201
SM511_CA102-4
SM471_CA105-1
SM511_CA105
SM511_CA202
R-HD-CAN
J9L-2
J9L
J4R-2
J4R
J3R
J8L
SM511_FD011_DC
RFD-EN3
RFD-EN2
RFD-CN3
RFD-CN2
[HD2]
CN2
CN21
[AXIO#3]
CN3
[SC]
SM511_FL002-13
[SC]
CN22
SM511_IT004
SM511_IT004
CAN_CH2_R
CAN_CH4_R
R-24V-EX
Front DOCKING CART EXT.
Rear DOCKING CART EXT.
F-DCART
R-DCART
J8L-1
J8L
J3R-1
J3R
CN3
[AXIO#2]
Front DOCK ING CART
Rear DOCK ING CART
5557-24R
5557-24R
DOCK ING CART (OPTION)
CAN
CAN
CAN
SM511_FD101-1
FFD-PWR
CV-RDF-PWR
SM511_CV101-1
RFD-CN4
5559-10P
CN20
CV-CN4
5557-10R
DF1B-4DS-2.5RC
DF1B-4DS-2.5RC DF1BA-4DEP-2.5RC
SM511_CV101
RFD-EN4

Page
+$1:+$
186
DECAN
L2
Electric Power (1/6)
240
AM03-010917A
AM03-010916A
2.5 mm (BLK)
2.5 mm (BLK)
-MAIN S/W
(600VAC,20A)
L32
L33
L31
-NF1
L22
L21
L23
2P-C16
-CP1
SM511_PW003-1
J90831063A
SM33_PW001
2.5 mm (BLK)
FACTORY MAIN POWER
4.0 mm (BLK)
(3 /PE 60HZ 200~415VAC)
-MCCB1
(3Ø, 20A)
L13
L12
L11
APPROX. 5KVA)
T
SR
FRAME GROUND
-TRANS
220V
208200 220
L31
PE
1L1
1L2
22S
22R
SM471_PW008
22T
3P-C16
-CP3
TF2L1
TF2L2
TF2L3
220V 220V
0V 220V
200220415380 200 208 380240 415
L32
415208 220 380240
L33
2.5 mm (BLK)
FX,RX,FY1,FY2,RY1,RY2,FS,RS AXIS(SERVO)
6.SECONDARY #1 : 1Ø 220(2.5KVA)
SECONDARY #2 : 3Ø 220(3KVA)
2.FREQUENCY : 50/60Hz
1.CAPACITY : 5.5KVA
3.PHASE : 3Ø
4. CONNECTION: Y-Y
<TRANS SPECIFICATION>
5.PRIMARY : 3Ø 200/208/220/240/380/415V, 5KVA
DC POWER #3,#4(24VDC)
(FZ1~FZ6, RZ1~RZ6 AXIS)
to MC1
22R 22T
CONTROL RACK(PC) (150VA)
MONITOR1,2 (35W * 2)
DC POWER #1,#2(24VDC) (400W * 2)
AC FAN (14W * 7)
-TB2
2.5 mm (BLK)
TF1L1
TF1L2
2.5 mm (BLK)
SM511_PW006
2L1
2L2
2.5 mm (BLK)
SM511-PW202
2P-C16
-CP2
2.5 mm (BLK)
AM03-010914A
AM03-010915A
SM471_PW007
-MC1
-MC2
AM03-010925A
AM03-010912A
AM03-010913A
SM511_PW003-2
SM511_PW004
SM511_PW003-3
SM511_PW003
SM511_PW005
AM03-010945A AM03-005482A
AM03-005697A
SM511_PW040
AM03-005483A
(23860)
(23860)
(400W * 2)
(LC1D096BD-20A)
2.5 mm (BLK)
4.0 mm (Y/G)
(3Ø, 20A)
4.0 mm (Y/G)
OPTION
PUMP(400W)
2.5 mm (BLK)
(MSOD-Q11CX(KP)-2.1A)
246
135
1
456
23
2
1
264
135
4
3
24
13
6
5
2
1
4
3
1A 6A
13A 15A
13 5
13 5
2
2
2
2
PE02
2
2
2
2 2
PE(PE01)
PE8
F_HD_FG
F_HD_FG
R_HD_FG
R_HD_FG
2
2
2
2
-
1
4
5
6
9
8
7
10
11
12
2 3

Page
+$1:+$
187
DECAN
L2
Electric Power (1/6)
NO. PART NO. PART NAME Q'TY Old No. Supply Supply LT Reference
1 J90831063A MAIN_POWER_CABLE_ASSY SM33-PW001 1
2 AM03-010915A CABLE ASSY-EARTH_HEAD1 1
3 AM03-010912A CABLE ASSY-EARTH_HEAD2 1
4 AM03-010913A CABLE ASSY-REAR_ELEC_PANEL_EARTH 1
5 AM03-010914A CABLE ASSY-MCCB_NF1_EARTH 1
6 AM03-010916A CABLE ASSY-NF1_MAIN_SWITCH 1
7 AM03-010917A CABLE ASSY-MAIN_SWITCH_TRANS 1
8 AM03-005697A CABLE ASSY-AC RELAY JUMPER 1
9 AM03-005482A CABLE ASSY-CP1_TB1_MC1 1
10 AM03-010945A CABLE ASSY-PS34_AC_PS12_DC_PW_T6L 1
11 AM03-005483A CABLE ASSY-CP2_TB1_MC2_CABLE 1
12 AM03-010925A CABLE ASSY-CP3_MC2_INPUT_220V 1