DECAN_L2_TRM(Ver4.2_CS20.07) - 第200页
Page +$1:+$ 196 DECAN L2 Electric Power (6/6) 1 2 3 4 5 6 7 8 -MC2 (0.4KV A) (TH-N12) V ACUUM PUMP SK AM03-010925A SM51 1-PW041 SM51 1_PW42-1 3P-C16 -CP3 CV -CN12 SM51 1_PW146-1 SM51 1_PW146 CV -CN15 AM03-010943A AM03-01…

Page
+$1:+$
195
DECAN
L2
Electric Power (5/6)
NO. PART NO. PART NAME Q'TY Old No. Supply Supply LT Reference
1 AM03-005487B CABLE ASSY-TB1_FS1_FS2 1 AM03-005487A
2 AM03-010932A CABLE ASSY-TB1_PS1_PS2_PW_T5L 1
3 AM03-010944A CABLE ASSY-PS1_PS2_PS5_PS6_PW_T5L 1
4 AM03-010929A CABLE ASSY-PS5_PS6_PW_T7 1
5 AM03-010928A CABLE ASSY-PS5_PS6_PW_T5 1
6 AM03-010933A CABLE ASSY-PS1_1_DC_POWER_BD 1
7 AM03-010946A CABLE ASSY-RY3_RY5_T7L 1
8 AM03-010934A CABLE ASSY-PS1_2_DC_POWER_BD 1
9 AM03-010945A CABLE ASSY-PS34_AC_PS12_DC_PW_T6L 1
10 AM03-010938A CABLE ASSY-PS1_PS2_SACO_T6L 1
11 AM03-010930A CABLE ASSY-PS5_PS6_DC24V_PWR 1
12 AM03-010946A CABLE ASSY-RY3_RY5_T7L 1

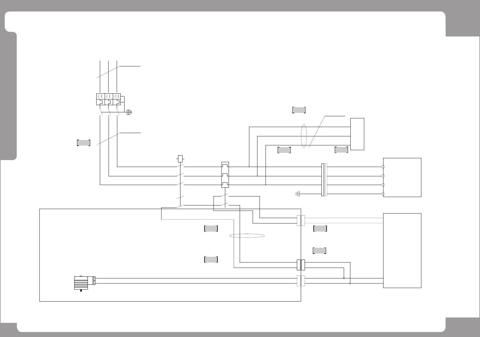
Page
+$1:+$
196
DECAN
L2
Electric Power (6/6)
1
2
3
4
5
6
7
8
-MC2 (0.4KVA)
(TH-N12)
VACUUM
PUMP
SK
AM03-010925A
SM511-PW041
SM511_PW42-1
3P-C16
-CP3
CV-CN12
SM511_PW146-1
SM511_PW146
CV-CN15
AM03-010943A
AM03-010942A
SM511_PW040
SM511_PW147-1
AM03-010940A
AM03-010941A
SM511_PW147
AM03-010926A
AM03-010927A
SM471_PW042
AM03-005511A
1.5 mm (BLK)
(23880)
1.5 mm (BLK)
1.5 mm (BLK)
1.5 mm (BLK)
1.5 mm (BLK)
1.5 mm (Y/G)
0.5 mm (BLUE)
0.5 mm (BLUE)
0.5 mm (BLUE)
0.5 mm (BLUE)
0.5 mm (BLUE)
1
3
5
2
4
6
2
4
6
97
95
98
96
13
A1
14
A2
135
246
1
2
3
4
3
5
U
V
W
PE
1
3
+24V
HD MAIN AIR
VACUUM AIR SOL CONNECTOR
VACUUM PUMP ALARM
GND
VACUUM PUMP ALARM
GND
+24V
VACUUM PUMP PWR
PE3
< OPTION >
2
2
2
2
2
2
2
2
2
2
2

Page
+$1:+$
197
DECAN
L2
Electric Power (6/6)
NO. PART NO. PART NAME Q'TY Old No. Supply Supply LT Reference
1 AM03-010925A CABLE ASSY-CP3_MC2_INPUT_220V 1
2 AM03-010926A CABLE ASSY-SK_220V_PWR 1
3 AM03-010927A CABLE ASSY-VACUUM_PUMP_PWR_EXT 1
4 AM03-005511A CABLE ASSY-VACUUM_PUMP_220V 1
5 AM03-010943A CABLE ASSY-PUMP_PWR_ALARM_EXT 1
6 AM03-010940A CABLE ASSY-VACUUM_PWR 1
7 AM03-010942A CABLE ASSY-PCB_SENSOR_PUMP_ALARM 1
8 AM03-010941A CABLE ASSY-VACUUM_EJECTOR_PWR 1