DECAN_L2_TRM(Ver4.2_CS20.07) - 第379页
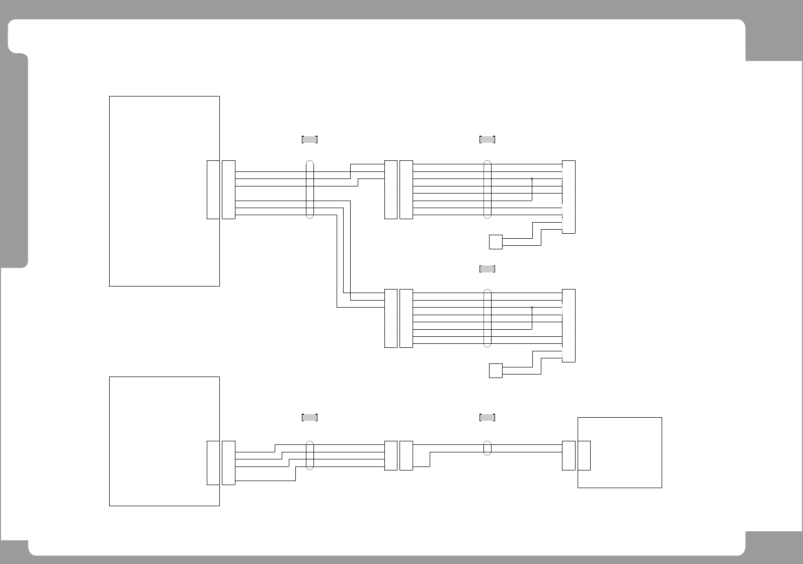
Page +$1:+$ 375 DECAN L2 PC Rack Board (3/4) NO. P ART N O. P ART NAME Q'TY Old No. Supp ly Supply L T Reference 1 AM03-012484 A CABLE ASSY -TRA Y FEEDER COM 1 2 AM03-003686 A CABLE A SSY -1_TRA Y_FEE DER_EXT 1 3 AM…

Page
+$1:+$
374
DECAN
L2
PC Rack Board (3/4)
PC RACK
SBC BD
1
2
3
4
5
6
7
8
COM5/6
GND
AM03-012484A
SM511_VM101
COM5/6
PMC1-EXT
1
2
3
4
5
6
7
8
TXD1
RXD1
+5V
+5V
RXD2
TXD2
GND
4
5
3
PMC2-EXT
4
5
3
4
5
3
1
2
6
7
8
AM03-003686A
SM421_VM101-1
2
3
7
20
5
-
4
8
TF-CH1
24
25
1
2
SACO BD-CN14 EXT
SC-CN14-EXT
TRAY FEEDER 1
CH1
REAR 하부 PANEL
4
5
3
1
2
6
7
8
AM03-003689A
SM421_VM102-1
2
3
7
20
5
-
4
8
TF-CH2
24
25
1
2
SACO BD-CN14 EXT
SC-CN15-EXT
TRAY FEEDER 2
CH2
REAR 하부 PANEL
PC RACK
FAN
1
2
3
4
5
6
RACK-CN7
ATA FAN ALARM2
AM03-012401A
SM511_CV109-3
CN7
RACK-FAN-EXT
1
2
3
4
5
6
ATA FAN ALARM1
RACK FAN ALARM
+12V
N.C
GND_12V
1
2
3
4
1
2
3
4
AM03-010848C
SM511_CV109-1
9
11
-
-
9
11
-
-
CV-CN16
CV IF BD
CN16
IN 3.2
GND
1 2
4 5
3

Page
+$1:+$
375
DECAN
L2
PC Rack Board (3/4)
NO. PART NO. PART NAME Q'TY Old No. Supply Supply LT Reference
1 AM03-012484A CABLE ASSY-TRAY FEEDER COM 1
2 AM03-003686A CABLE ASSY-1_TRAY_FEEDER_EXT 1
3 AM03-003689A CABLE ASSY-2_TRAY_FEEDER_EXT 1
4 AM03-012401A CABLE ASSY-RACK FAN ALARM 1
5 AM03-010848C CABLE ASSY-ANC SNS_LOOF FAN_RACK FAN EXT 1

Page
+$1:+$
376
DECAN
L2
PC Rack Board (4/4)
OPTION-DOCKING CART
SM511_FD011_DC
1
2
3
AM03-011613A
1
2
R-DCART
4
RFD-EN2
5
6
3
4
5
6
7
8
9
10
11
12
13
14
15
16
17
18
18
20
21
22
23
24
1
2
3
4
RFD-EN3
5
6
1
2
3
CAN-CH3
1
2
3
CAN-CH4
1
2
3
R-24V-EX
4
1
2
3
RFD-EN4
4
CAN_H
CAN_L
/IO_RESET
24G
12VG
+12V
CAN+_CH1
CAN-_CH1
CAN+_CH2
CAN-_CH2
SHIELD
F24V
F24G
D24V
D24G
F24V
F24G
D24V
D24G
+24V
24G
F-DOCK-SIG
N.C
N.C
REAR DOCKING CART
5557-24R
J8L
J3R
SM511_CA102-4SM511_CA201SM511_CA101-3
AXIO #3 BD CN3
J9L
J4R
SM511_CA105 SM511_CA202
SM511_CV101
SM511_FL002-13
HEAD #2 BD CN2
SM511_CV101-1
SACO BD CN222
PC RACK
IT MASTER BD
4
2
3
DEVICE NET B/D CH3
CH3
4
2
3CH3_SHIELD
CH3_CAN-
CH3_CAN+
1
2
3
4
AM03-010871A
SM511_IT004
1
2
3
1
2
3
4
2
3
DEVICE NET B/D CH4
CH4
4
2
3CH4_SHIELD
CH4_CAN-
CH4_CAN+
5D24V
5D24V
1D24G
1D24G
5
1
5
1
4
2
3
DEVICE NET B/D CH1
CH1
4
2
3CH1_SHIELD
CH1_CAN-
CH1_CAN+
5D24V
1D24G
5
1
4
2
3
DEVICE NET B/D CH2
CH2
4
2
3CH2_SHIELD
CH2_CAN-
CH2_CAN+
5D24V
1D24G
5
1
PS2
D24V
D24G
AM03-010872A
SM511_IT005
1
2