Tape feeder module 32mm X FS06_20211119_085656 - 第6页
Tape feeder module 32mm X FS06 Page 6 / 13 19.11.2021

Tape feeder module 32mm X FS06
Page 5 / 13 19.11.2021

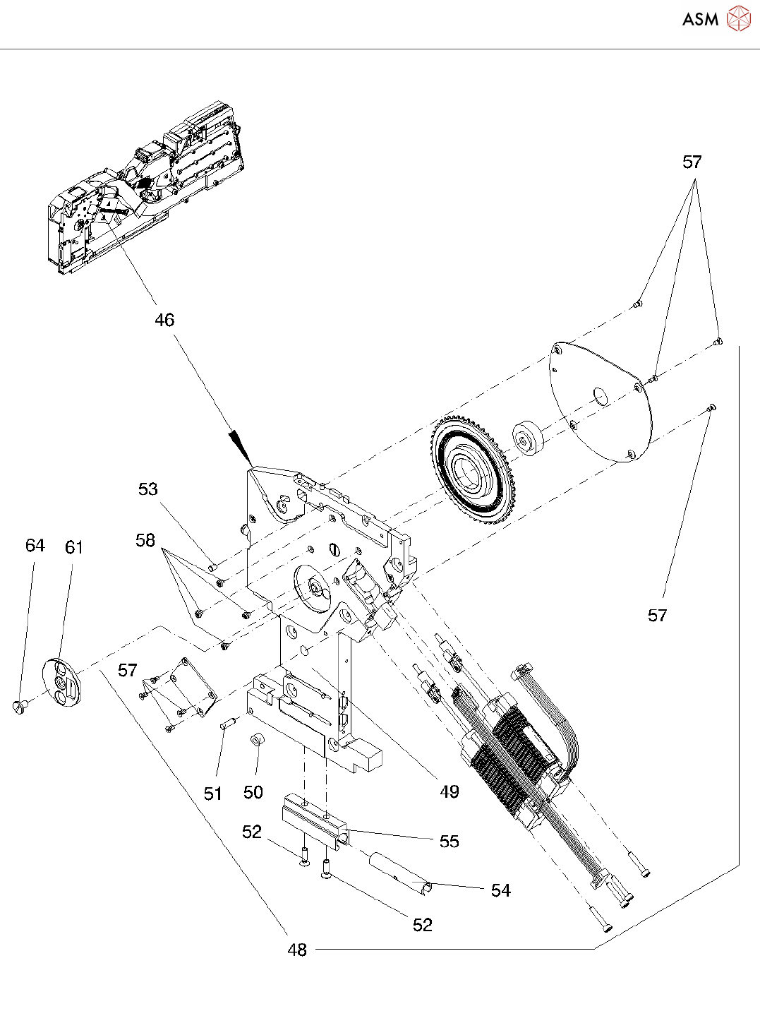
Tape feeder module 32mm X FS06
Page 6 / 13 19.11.2021

Tape feeder module 32mm X FS06
Page 7 / 13 19.11.2021