CUKYX-193-5100_G5S2 - 第54页
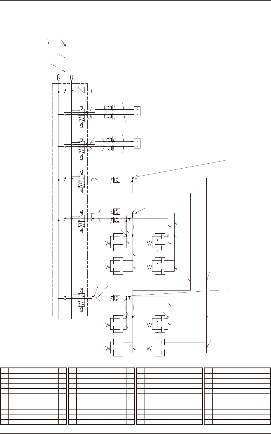
193-5100 CUKYX 1.5 定位单元 1-5 1.5 定位单元 1.5.1 通常时 No. Name Q’ty No. Name Q’ty No. Name Q’ty No. Name Q’ty 1 Tube ∅ 6 1 2 Tube ∅ 8 1 3 Union Y 2 5 Solenoid V alve 1 6 Cylinder 2 Pipe φ 8 900 mm φ 6 180 mm φ 6 230 mm φ 6 380 …

193-5100
CUKYX
1.4 传送部
1-4
1.4 传送部
No. Name Q’ty No. Name Q’ty No. Name Q’ty No. Name Q’ty
1 Tube D3.2 1
2 Tube D6 1
3 PIPE FITTING 1
4 Flat Tube D4.1 1
6 PIPE FITTINGS 2
6
6
Ø3.2L950
Ø3.2L950
Ø3.2L122 Ø3.2L70
Ø3.2L46
Ø3.2L46
Ø3.2L1070Ø3.2L122
B3MZ
BKMZ
Ø3.2L950
Ø3.2L950
PIPE FITTINGS(KQ2U23-9A)
Movable Side Z-Clamp RMovable Side Z-Clamp L
Fixed Side Z-Clamp R
Fixed Side Z-Clamp L
VBMZ
B3MZ
BKMZ
VBMMZ
B3MMZ
BKMMZ
B3MMZ
BKMMZ
VBMMZ
VBMZ
B3HZ
A
B
VBHZ
BKHZ
Ø3.2L970
BKHHZ
Ø3.2L122
Ø3.2L122
B3HHZ
B3HHZ
BKHHZ
VBHHZ
Ø3.2L820
VBHHZ
Ø3.2L970
PIPE FITTINGS(KQ2U23-9A)
A
B
A
B
A
B
A
B
Pipe Ø6L440
Pipe Ø6L1000
3
VBHSO
VBHSI
BHSI
BHSI
BHSO
BHSO
Ø3.2L500
Ø3.2L450
VBHSO
VBHSI
Ø3.2L850
Ø3.2L850
VBMSO
VBMSI
BMSI
BMSO
BMSI
BMSO
Ø3.2L460
Ø3.2L400
VBMSI
VBMSO
Ø3.2L950
Ø3.2L950
Ø3.2L820
1
Ø3.2L46
Ø3.2L46
4
VBHZ
B3HZ
BKHZ
Ø3.2L850
Ø3.2L850
2
From Main Body
PCB Stopper RPCB Stopper L
Fig_1-6SA

193-5100
CUKYX
1.5 定位单元
1-5
1.5 定位单元
1.5.1 通常时
No. Name Q’ty No. Name Q’ty No. Name Q’ty No. Name Q’ty
1 Tube
∅
6 1
2 Tube
∅
8 1
3 Union Y 2
5 Solenoid Valve 1
6 Cylinder 2
Pipe
φ
8
900 mm
φ6
180 mm
φ6
230 mm
φ6
380 mm
φ6
400 mm
φ6
2100 mm
φ6
2000 mm
A
B
Left Side Cylinder
Right Side Cylinder
B
A
A
B
EA
EB
P
2
1
3
5
6
6
From Main Body
Positioning U/D
Fig_1-9S

193-5100
CUKYX
1.5 定位单元
1-6
1.5.2 安装料盘拉钩推车时
No. Name Q’ty No. Name Q’ty No. Name Q’ty No. Name Q’ty
2 Tube
∅
8 1
4 Tube
∅
4 1
A
B
Pipe
φ
6
600 mm
φ4
40 mm
φ4
40 mm
φ4
2700 mm
φ4
2700 mm
Positioning Unit Lowering Prevention
Left Side Cylinder
Right Side Cylinder
φ4
200 mm
φ4
140 mm
B
A
B
A
EB
P
EA
2
4
From Main Body
Fig_1-10S