CUKYX-193-5100_G5S2 - 第88页
193-5100 CUKYX 1.16 传送部的安装结构图 ( 内侧 ) 2-16 1.16 传送部的安装结构图 ( 内侧 ) Symbol Name Symbol Name Y1001 Z-Clamp Left 2 Cylinder V alve Descent Y0810 Z-Clamp Left Cylinder V alve Descent Y1002 Z-Clamp Left 2 Cylinder V alve Ascent …

193-5100
CUKYX
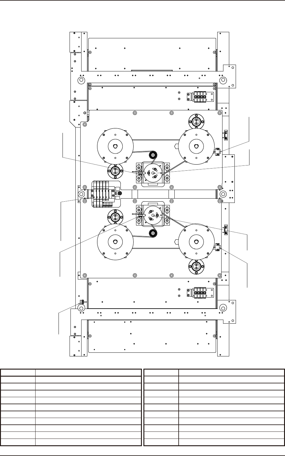
1.15 传送部的安装结构图 ( 外侧 )
2-15
1.15 传送部的安装结构图 ( 外侧 )
Symbol Name Symbol Name
M41 NL-L B11002 Left PCB Detection Sensor
M42 NA-L B21002 Central PCB Detection Sensor
M43 NR-L B11003 Left PCB Fiber Sensor
M44 NA-W B21003 Right PCB Fiber Sensor
B0836 Support Pin Detection Sensor Light Receiver B11004 Right PCB Detection Sensor
B0836T Support Pin Detection Sensor Light Emitter B0830 Left PCB Stopper Lower Limit Detection
B0831 Left PCB Stopper Upper Limit Detection
B0832 Right PCB Stopper Lower Limit Detection
B0833 Right PCB Stopper Upper Limit Detection
M41 M42 M43
B11002
B21002
B0830
B0831
B11004
B0832
B0833
B11003 B21003
M44
B0836
B0836T
2-15SA

193-5100
CUKYX
1.16 传送部的安装结构图 ( 内侧 )
2-16
1.16 传送部的安装结构图 ( 内侧 )
Symbol Name Symbol Name
Y1001
Z-Clamp Left 2 Cylinder Valve Descent
Y0810 Z-Clamp Left Cylinder Valve Descent
Y1002 Z-Clamp Left 2 Cylinder Valve Ascent Y0811 Z-Clamp Left Cylinder Valve Ascent
B11104 Backup Left Origin Sensor Y0812 Z-Clamp Right Cylinder Valve Descent
B21104 Backup Left Out-of-Control Detecting Y0813 Z-Clamp Right Cylinder Valve Ascent
B11108 Backup Right Origin Sensor Y0814 Left PCB Stopper Lifting Valve
B21108
Backup Right Out-of-Control Detecting
Y0815 Right PCB Stopper Lifting Valve
M45 Backup Left Motor
M46 Backup Right Motor
B11104
B11108
B1005
Y0811 Y0810
Y0813 Y0812
Y1002 Y1001
Y0814
Y0815
M45
M46
B21104
B21108
2-16SA.ai

193-5100
CUKYX
1.17 元件识别相机的安装结构图
2-17
1.17 元件识别相机的安装结构图
Symbol Name Symbol Name
B61 Component Recognition Camera
E191 Component Recognition Ring Lighting
E192 Component Recognition Coaxial Lighting
E193 Standard Mark Lighting A
E191
E193
E192
B61
2-17S