5OM-1286-007_w - 第165页
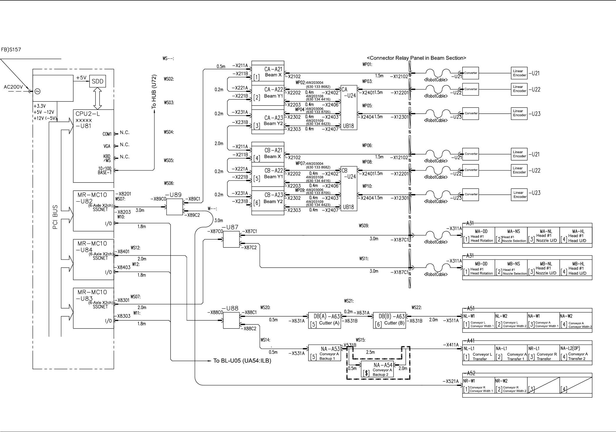
5-2 AJQEPED-ID 0909-006 A(M829JSB-0002) CPU2-L Cable Connection 1 CPU2-L Cable Connection 1 4W1202121 (630 108 1861) 4W203000 (630 133 8644) 4W202999 (630 133 8637) 4W203001 (630 133 8651) 4W203002 (630 133 8668) 4W20300…

5-1
AJQEPED-ID
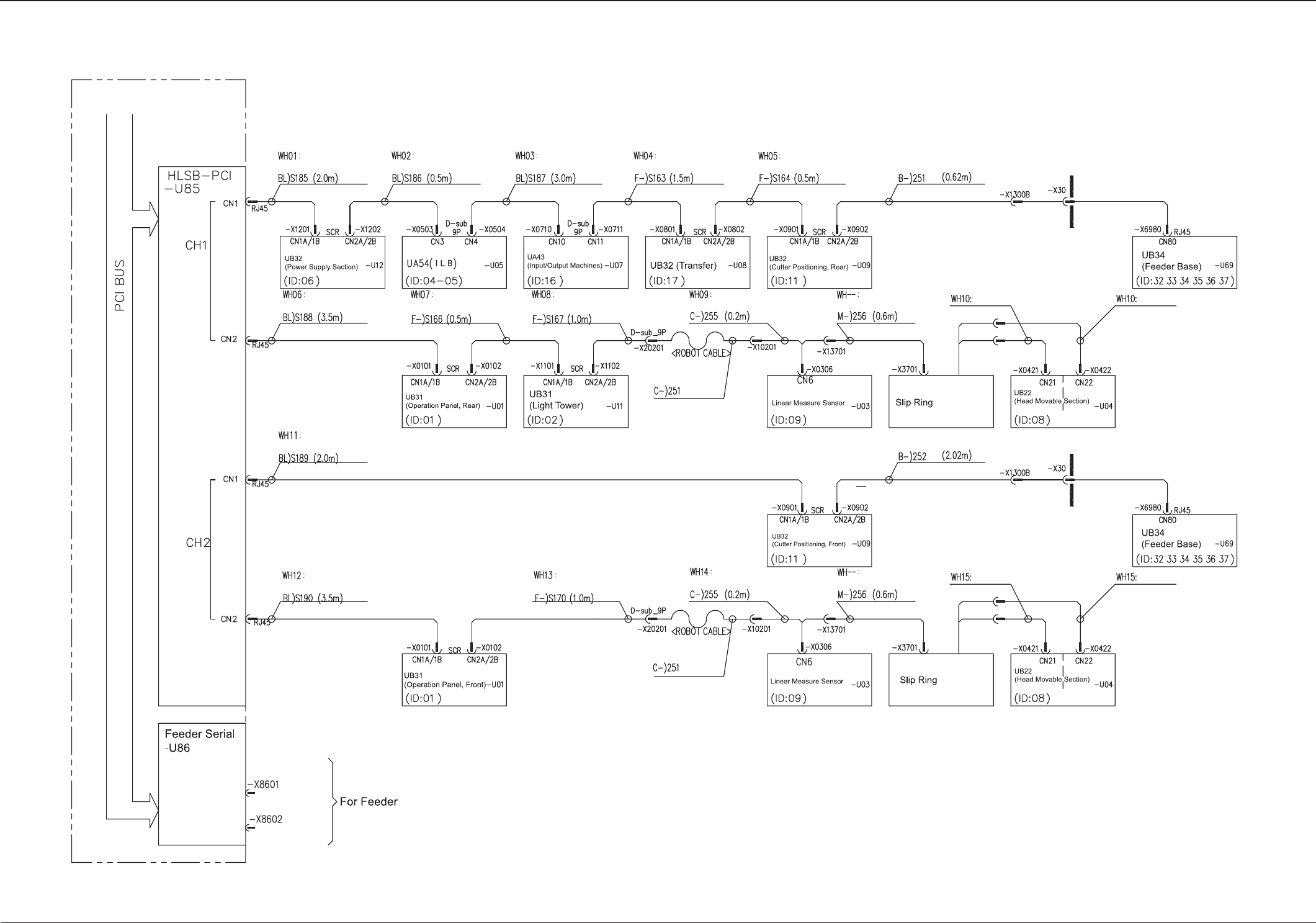
CPU2 Internal Connections
CPU2 Internal Connections
0909-006 B(M829JSB--0001)
: 4W202864
(630 126 9856)
: 4W202793
(630 125 6498)
: 0U250012
630 141 4287

5-2
AJQEPED-ID
0909-006 A(M829JSB-0002)
CPU2-L Cable Connection 1
CPU2-L Cable Connection 1
4W1202121
(630 108 1861)
4W203000
(630 133 8644)
4W202999
(630 133 8637)
4W203001
(630 133 8651)
4W203002
(630 133 8668)
4W203000
(630 133 8644)
4W203001
(630 133 8651)
4W202998
(630 133 8620)
4W202994
(630 133 8286)
4W203009
(630 133 8736)
4W202996
(630 133 8309)
4W203015
(630 133 8798)
4W202995
(630 133 8293)
4W203010
(630 133 8743)
4W203013
(630 133 8774)
4W203011
(630 133 8750)
4W203012
(630 133 8767)
4W203014
(630 133 8781)
4W200302
(630 133 8675)
4W200305
(630 133 8699)
4W203007
(630 133 8712)
4W203115
(630 134 6113)
4W203116
(630 134 6120)
4W203008
(630 133 8729)
4W200302
(630 133 8675)
4W200305
(630 133 8699)
4W203007
(630 133 8712)

5-3
AJQEPED-ID
0909-006 C(M829JSB-0003)
CPU2-L Cable Connection 2
CPU2-L Cable Connection 2
4W203297
(630 141 0081)
4W203298
(630 141 0098)
4W203299
(630 141 0104)
4W203300
(630 141 0111)
4W203301
(630 141 0128)
4W203302
(630 141 0135)
4W203303
(630 141 0142)
4W203304
(630 141 0159)
4W203305
(630 141 0166)
4W203139
(630 136 4377)
4W203140
(630 136 4384)
4W203307
(630 141 0180)
4W203306
(630 141 0173)
4W203022
(630 133 8927)
4W203308
(630 141 0197)
4W203309
(630 141 0203)
4W203139
(630 136 4377)
4W203140
(630 136 4384)
4W203022
(630 133 8927)