5OM-1286-007_w - 第101页
4-8 AJQEPED-ID 0606-005

4-7
AJQEPED-ID
0606-005
Electrical and Electronic Symbols

4-8
AJQEPED-ID
0606-005

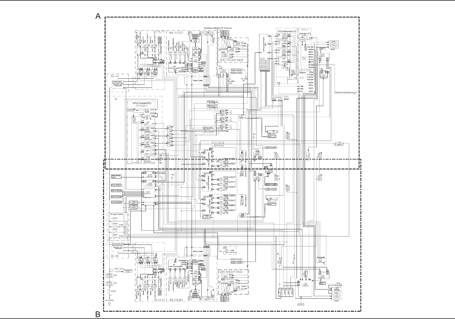
$-4(3(','
,QWHJUDWHG%ORFN&RQQHFWLRQ'LDJUDP
,QWHJUDWHG%ORFN&RQQHFWLRQ'LDJUDP
4-8 AJQEPED-ID 0606-005


