5OM-1286-007_w - 第108页
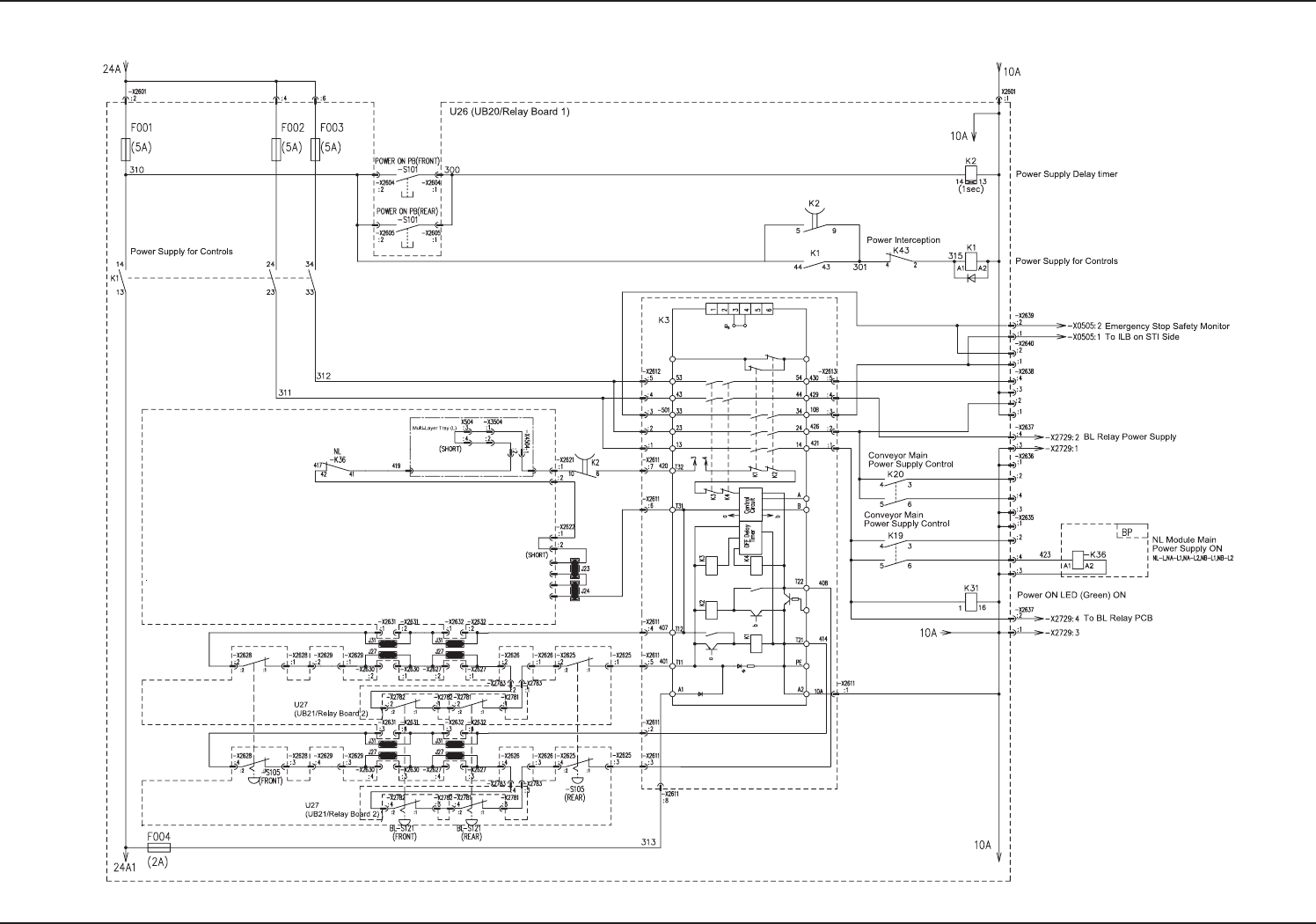
$-4(3(',' 0:% 3RZHU6XSSO\6HFWLRQ&RPPRQ5HOD\&LUFXLW 3RZHU6XSSO\6HFWLRQ&RPPRQ5HOD\&LUFXLW

$-4(3(','
$0:%
3RZHU6XSSO\6HFWLRQ&RPPRQ5HOD\&LUFXLW
3RZHU6XSSO\6HFWLRQ&RPPRQ5HOD\&LUFXLW

$-4(3(','
0:%
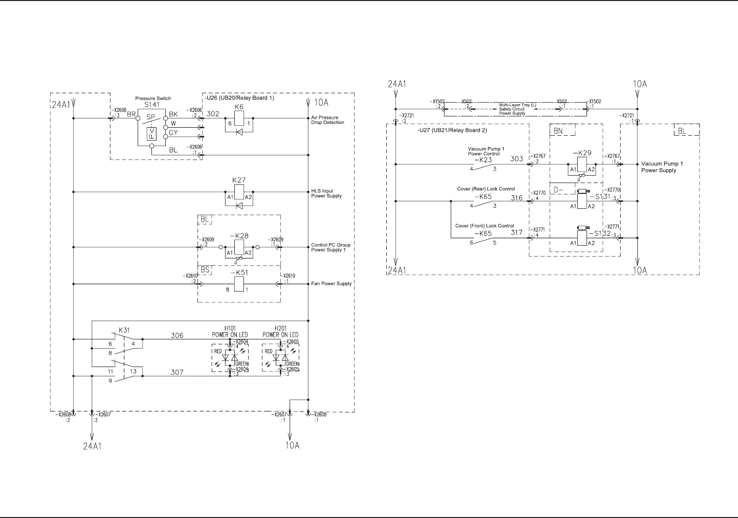
3RZHU6XSSO\6HFWLRQ&RPPRQ5HOD\&LUFXLW
3RZHU6XSSO\6HFWLRQ&RPPRQ5HOD\&LUFXLW

$-4(3(','
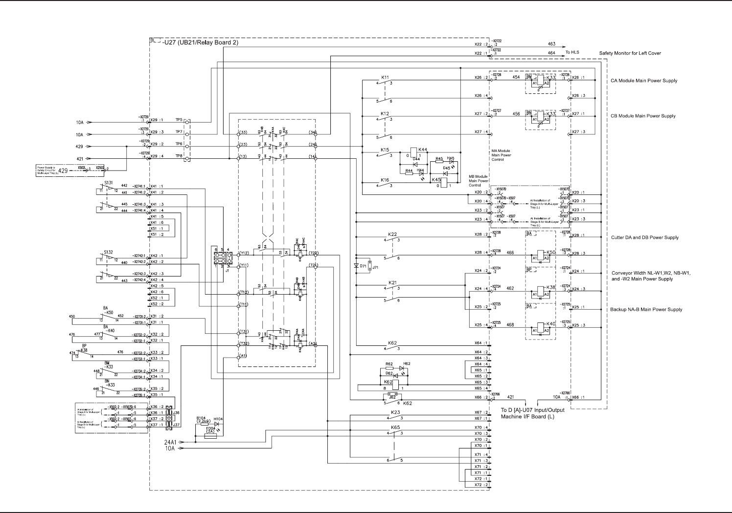
0:%/
3RZHU6XSSO\6HFWLRQ%/5HOD\&LUFXLW
3RZHU6XSSO\6HFWLRQ%/5HOD\&LUFXLW