5OM-1286-007_w - 第121页
$-4(3(',' %0:' 8%,2%RDUG3RVLWLRQLQJ $ 8%,2%RDUG3RVLWLRQLQJ $

$-4(3(','
%0:'
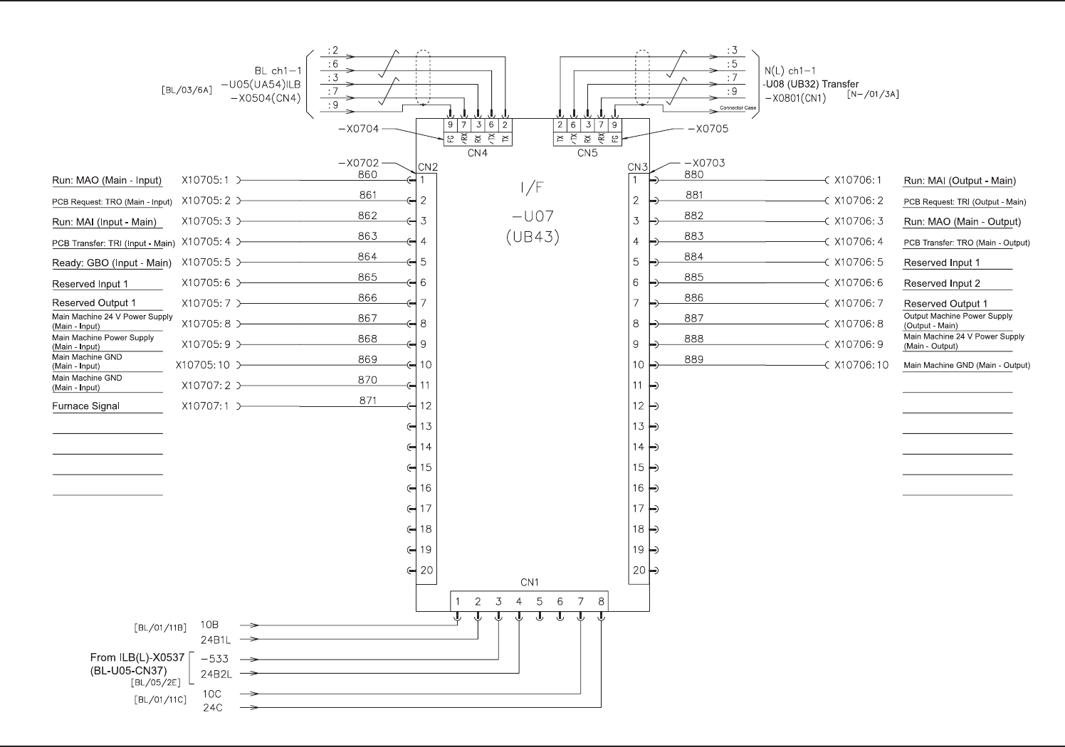
8$)URQW5HDU,)%RDUG/
8$)URQW5HDU,)%RDUG/

$-4(3(','
%0:'
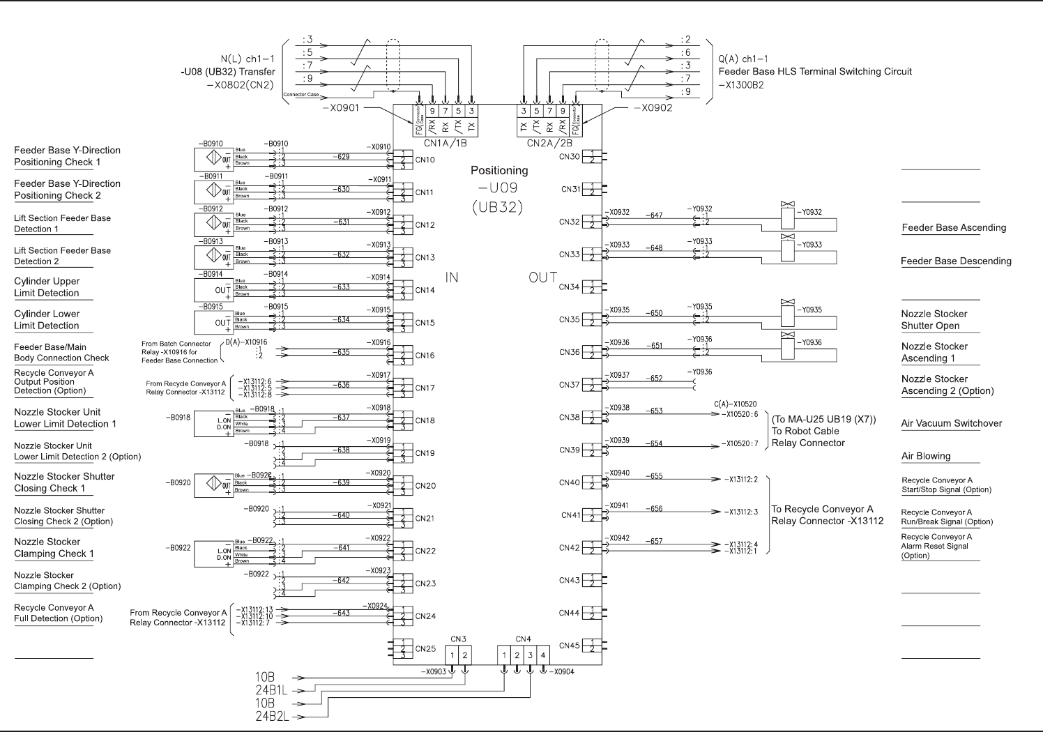
8%,2%RDUG3RVLWLRQLQJ$
8%,2%RDUG3RVLWLRQLQJ$

$-4(3(','
0:'
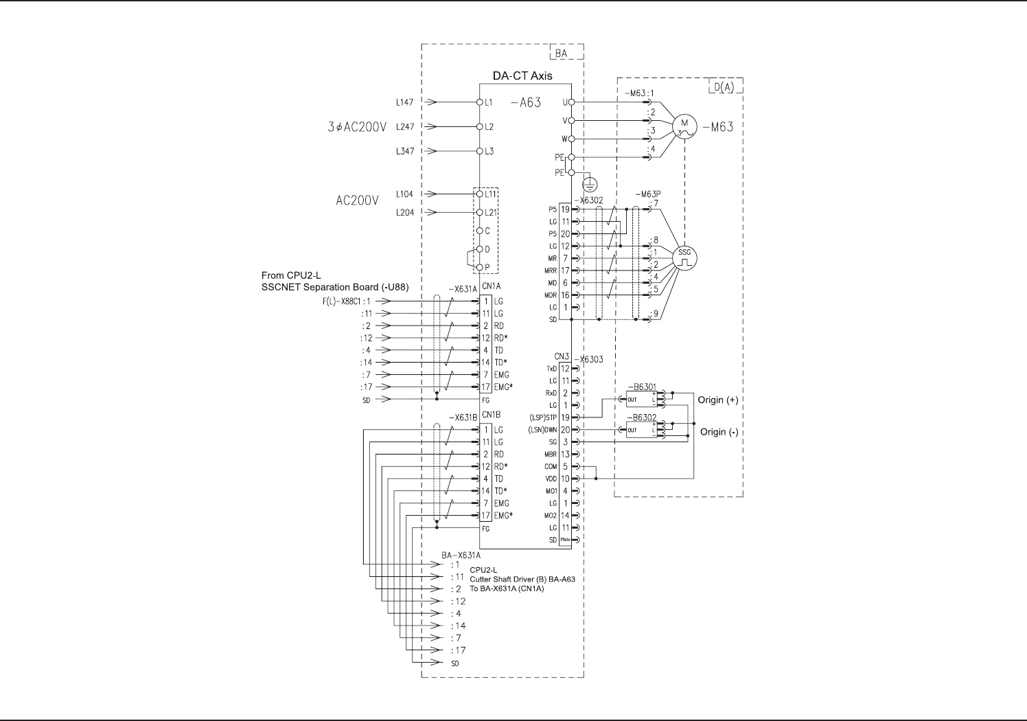
&XWWHU$
&XWWHU$