5OM-1286-007_w - 第123页
$-4(3(',' %0:' )HHGHU%DVH $ %DWFK&RQQHFWRU&RQQHFWLRQ )HHGHU%DVH $%DWFK&RQQHFWRU&RQQHFWLRQ

$-4(3(','
0:'
&XWWHU$
&XWWHU$

$-4(3(','
%0:'
)HHGHU%DVH$%DWFK&RQQHFWRU&RQQHFWLRQ
)HHGHU%DVH$%DWFK&RQQHFWRU&RQQHFWLRQ

$-4(3(','
%0:'
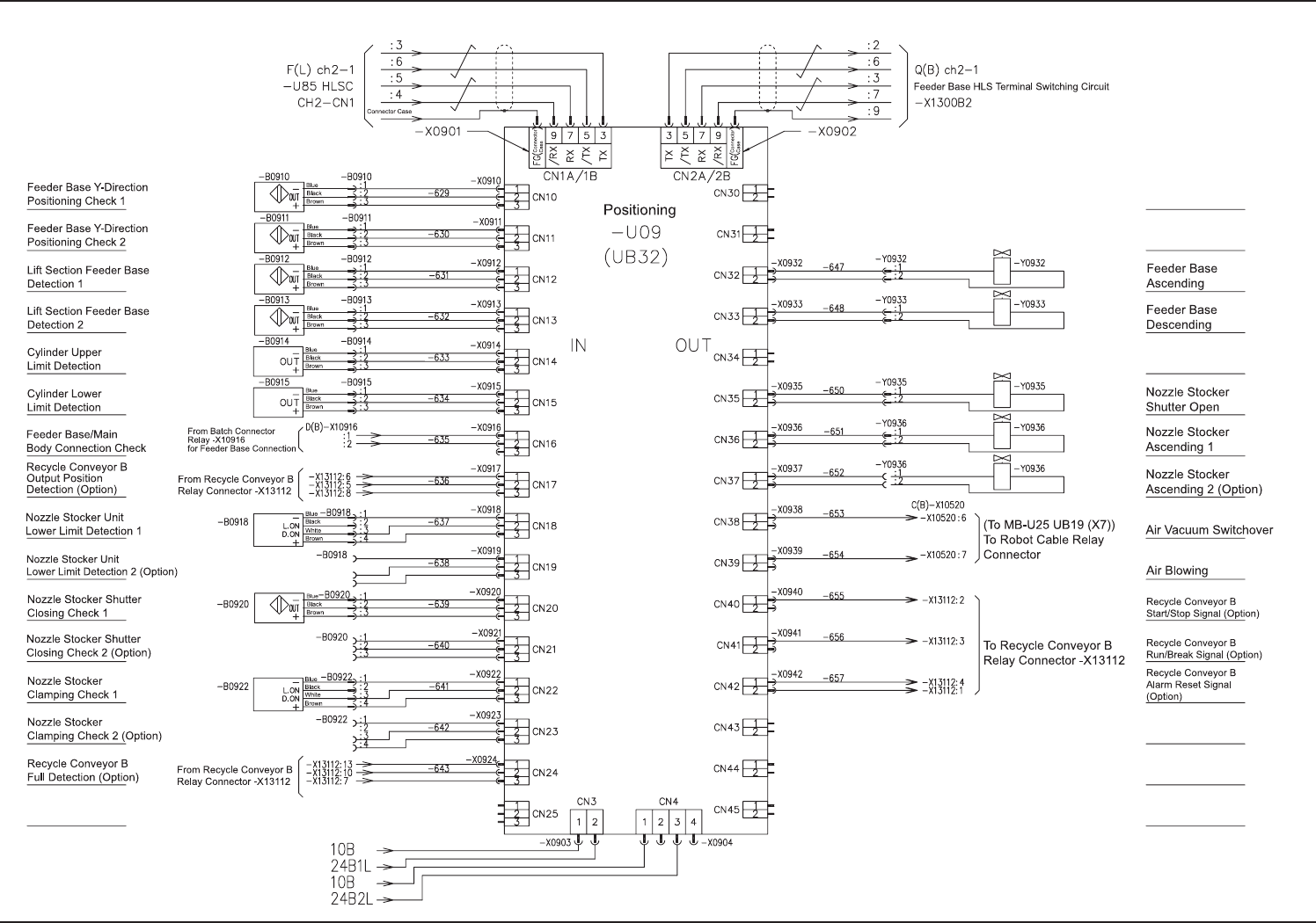
8%,2%RDUG3RVLWLRQLQJ%
8%,2%RDUG3RVLWLRQLQJ%