5OM-1286-007_w - 第129页
$-4(3(',' $0:) 8%,2%RDUG2SHUDWLRQ3DQHO)URQW/ 8%,2%RDUG2SHUDWLRQ3DQHO)URQW/

$-4(3(','
0:)
&38&LUFXLW'LDJUDP
&38&LUFXLW'LDJUDP

$-4(3(','
$0:)
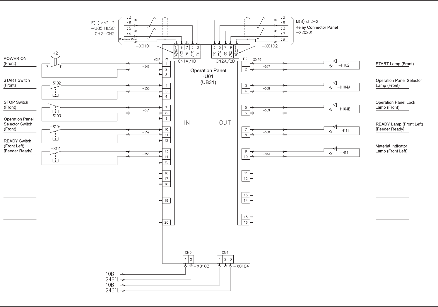
8%,2%RDUG2SHUDWLRQ3DQHO)URQW/
8%,2%RDUG2SHUDWLRQ3DQHO)URQW/

$-4(3(','
$0:)
8%,2%RDUG2SHUDWLRQ3DQHO5HDU/
8%,2%RDUG2SHUDWLRQ3DQHO5HDU/