5OM-1286-007_w - 第131页
$-4(3(',' 0:) &38/ &38/

$-4(3(','
$0:)
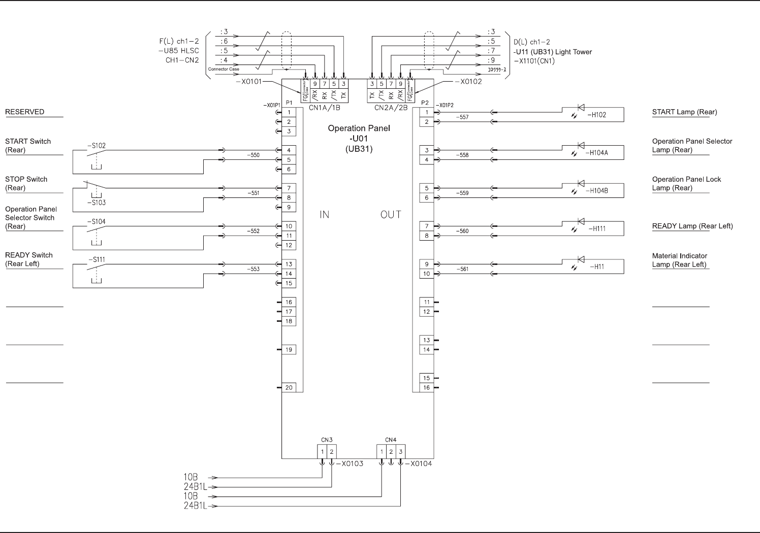
8%,2%RDUG2SHUDWLRQ3DQHO5HDU/
8%,2%RDUG2SHUDWLRQ3DQHO5HDU/

$-4(3(','
0:)
&38/
&38/

$-4(3(','
$0:)
&38/
&38/