5OM-1286-007_w - 第136页
$-4(3(',' 0:) &38/ &38/

$-4(3(','
$0:)
&38/
&38/

$-4(3(','
0:)
&38/
&38/

$-4(3(','
0:0
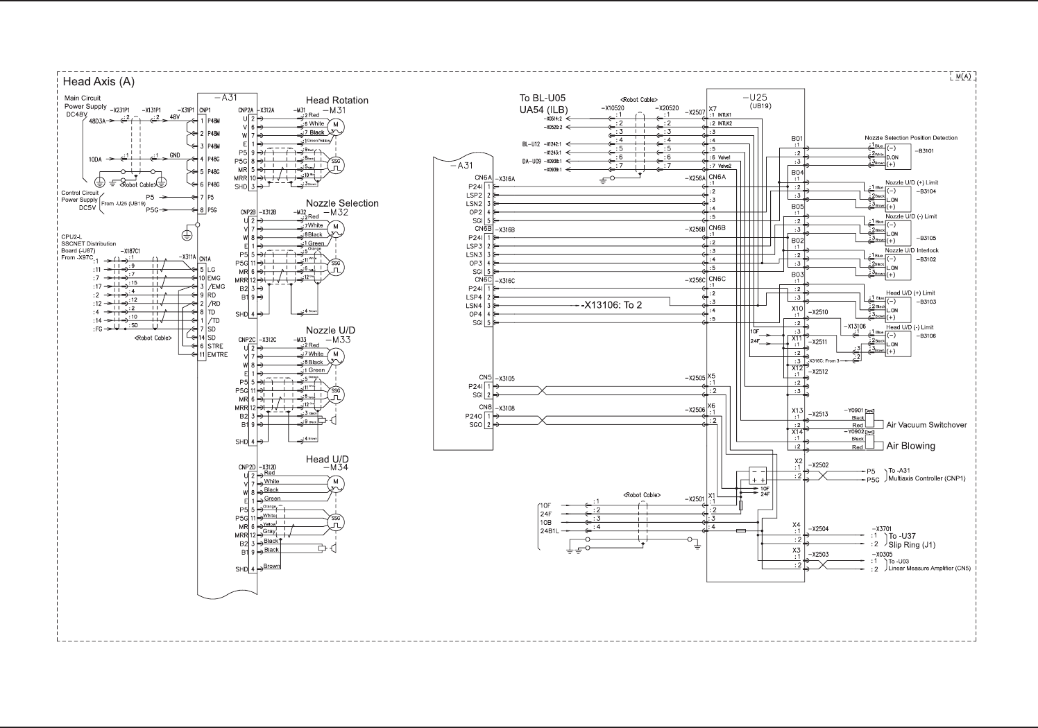
+HDG0RWRU&LUFXLW'LDJUDP$
+HDG0RWRU&LUFXLW'LDJUDP$