5OM-1286-007_w - 第142页
$-4(3(',' 0:0 8%,2%RDUG+HDG0RYDEOH6HFWLRQ% 8%,2%RDUG+HDG0RYDEOH6HFWLRQ%

$-4(3(','
$0:0
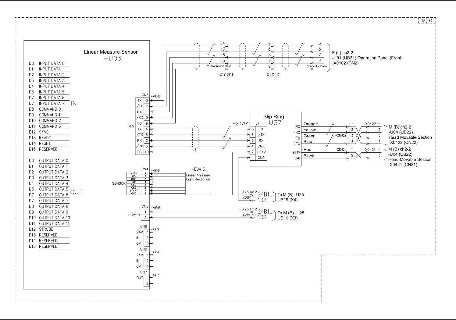
/LQHDU0HDVXUH&LUFXLW'LDJUDP%
/LQHDU0HDVXUH&LUFXLW'LDJUDP%

$-4(3(','
0:0
8%,2%RDUG+HDG0RYDEOH6HFWLRQ%
8%,2%RDUG+HDG0RYDEOH6HFWLRQ%

$-4(3(','
(0:1
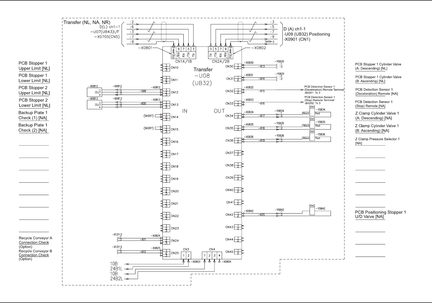
8%,2%RDUG7UDQVIHU/
8%,2%RDUG7UDQVIHU/