5OM-1286-007_w - 第148页
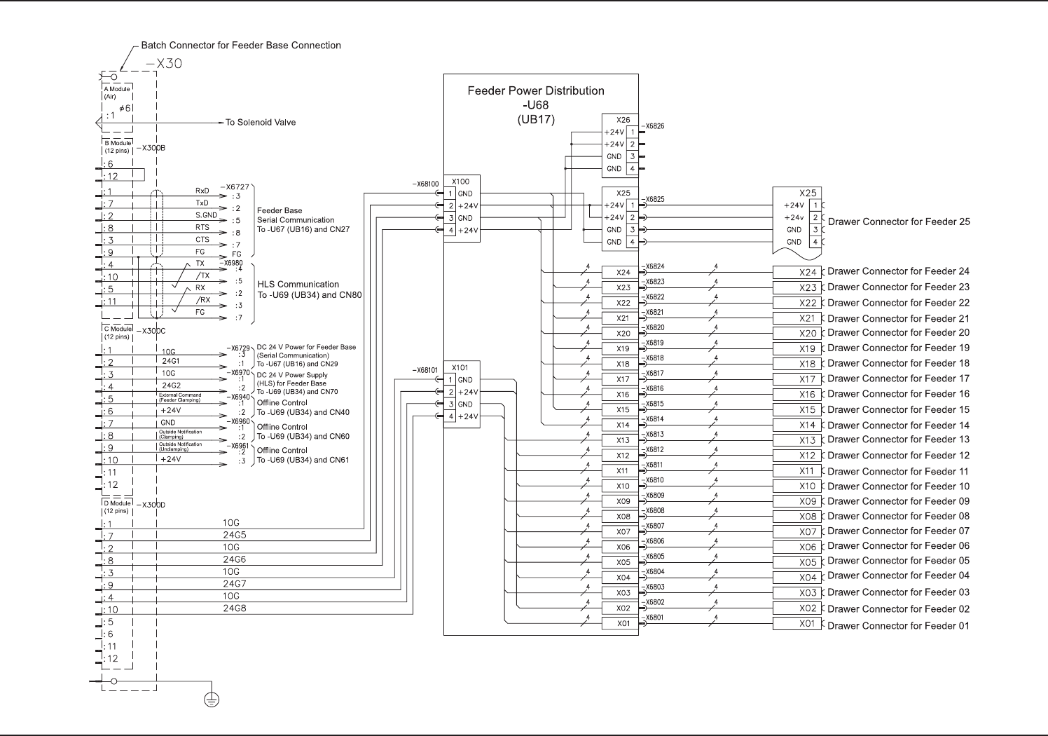
$-4(3(',' %0:4 8%3RZHU'LVWULEXWLRQ%RDUG)HHGHU%DVH $ 8%3RZHU'LVWULEXWLRQ%RDUG)HHGHU%DVH $

$-4(3(','
0:1
&RQYH\RU0RWRU&LUFXLW'LDJUDP
&RQYH\RU0RWRU&LUFXLW'LDJUDP

$-4(3(','
%0:4
8%3RZHU'LVWULEXWLRQ%RDUG)HHGHU%DVH$
8%3RZHU'LVWULEXWLRQ%RDUG)HHGHU%DVH$

$-4(3(','
$0:4
8%,2%RDUG)HHGHU%DVH$
8%,2%RDUG)HHGHU%DVH$