5OM-1286-007_w - 第150页
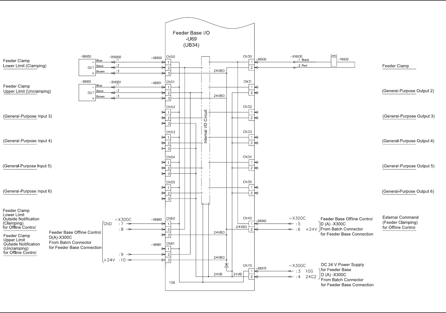
$-4(3(',' $0:4 8%,2%RDUG)HHGHU%DVH $ 8%,2%RDUG)HHGHU%DVH $

$-4(3(','
$0:4
8%,2%RDUG)HHGHU%DVH$
8%,2%RDUG)HHGHU%DVH$

$-4(3(','
$0:4
8%,2%RDUG)HHGHU%DVH$
8%,2%RDUG)HHGHU%DVH$

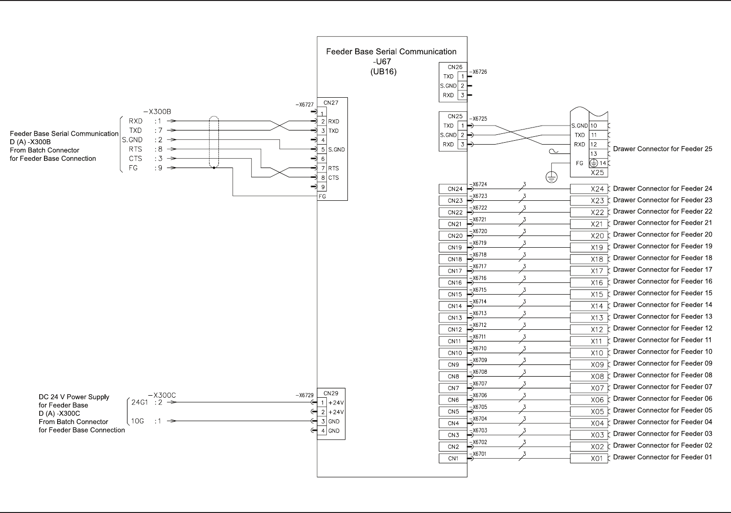
$-4(3(','
0:4
8%6HULDO&RPPXQLFDWLRQ)HHGHU%DVH$
8%6HULDO&RPPXQLFDWLRQ)HHGHU%DVH$