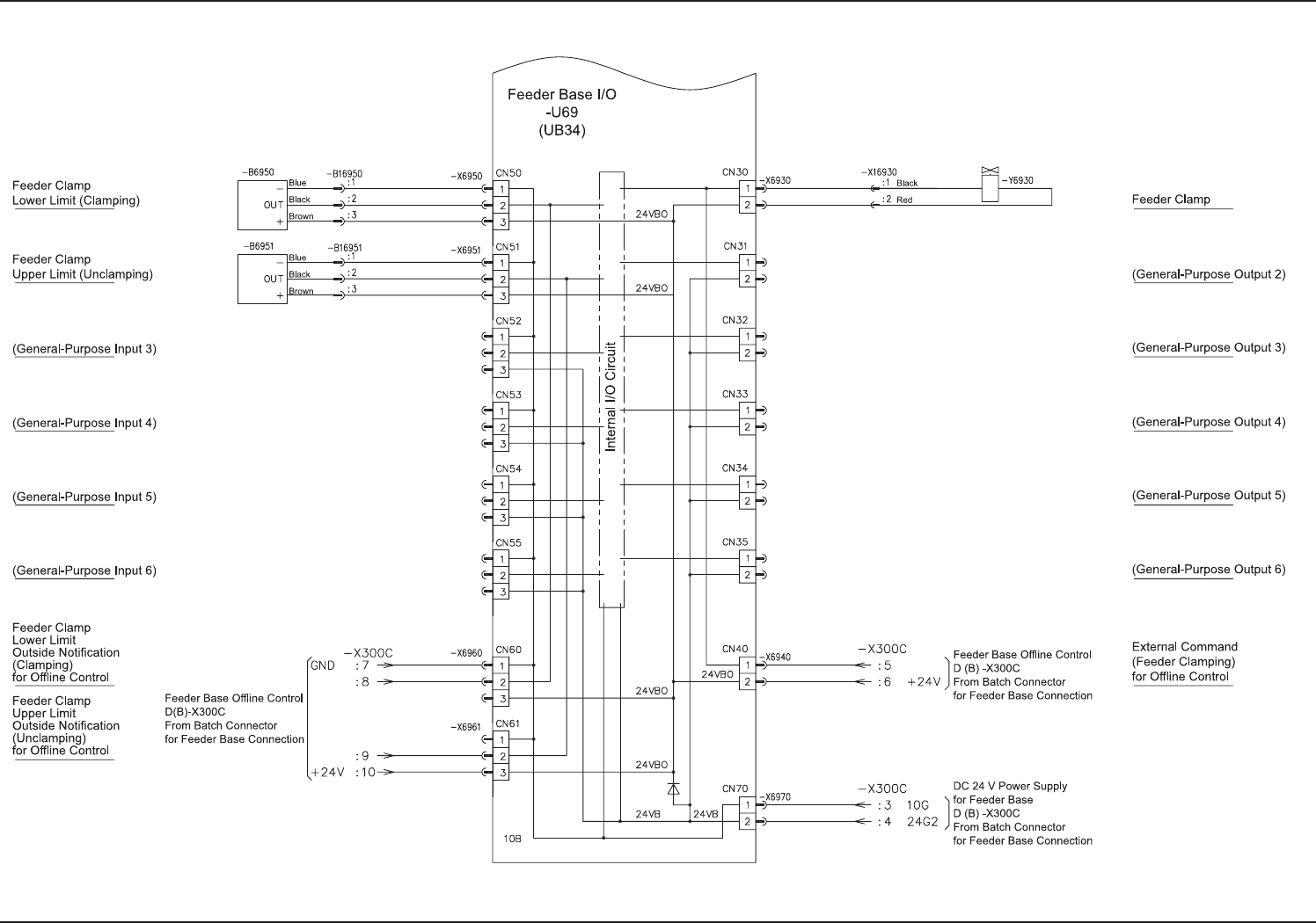
5OM-1286-007_w - 第154页
$-4(3(',' $0:4 8%,2%RDUG)HHGHU%DVH% 8%,2%RDUG)HHGHU%DVH%

$-4(3(','
$0:4
8%,2%RDUG)HHGHU%DVH%
8%,2%RDUG)HHGHU%DVH%

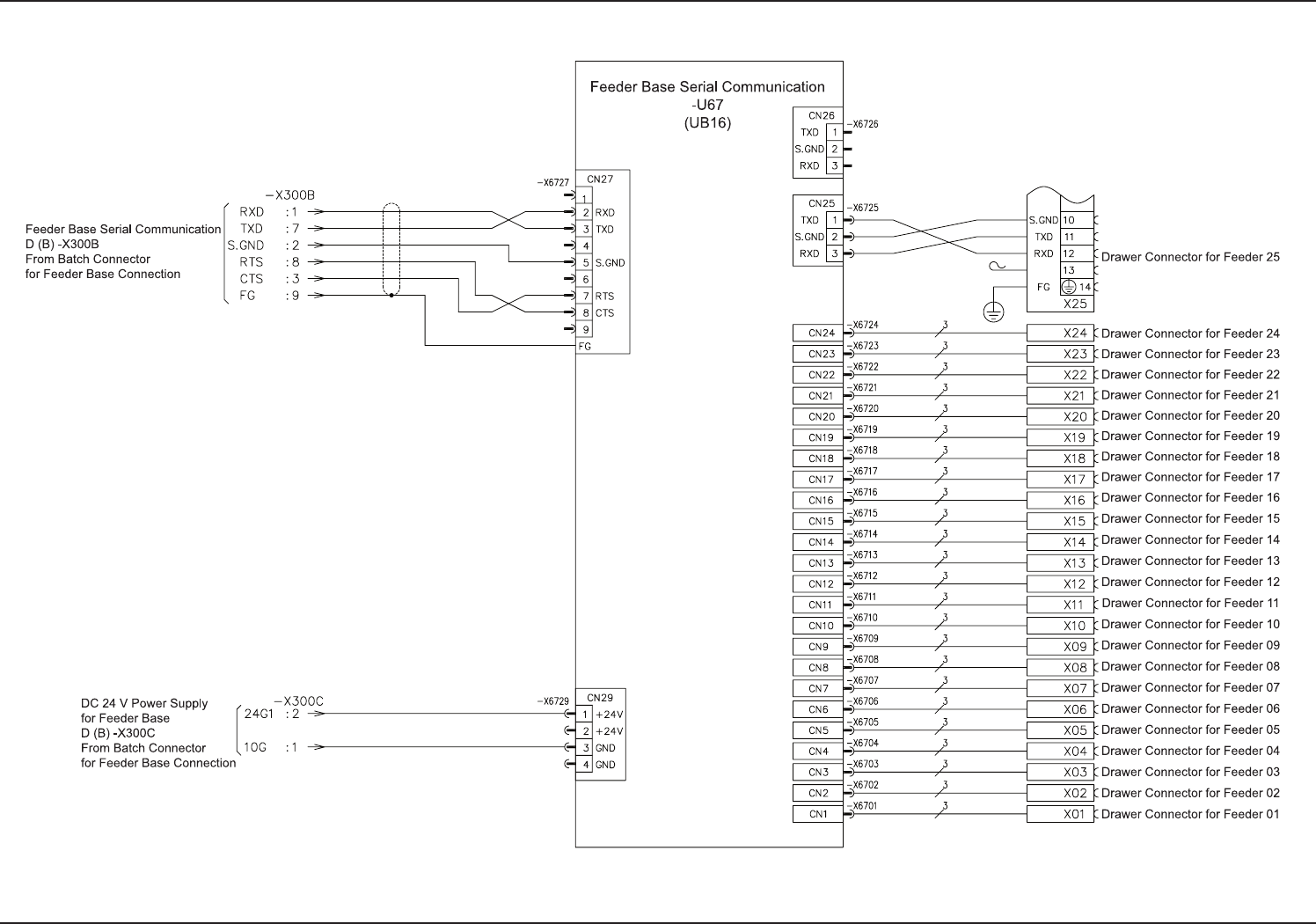
$-4(3(','
$0:4
8%,2%RDUG)HHGHU%DVH%
8%,2%RDUG)HHGHU%DVH%

$-4(3(','
0:4
8%6HULDO&RPPXQLFDWLRQ)HHGHU%DVH%
8%6HULDO&RPPXQLFDWLRQ)HHGHU%DVH%