5OM-1286-007_w - 第169页
Copying Prohibited 1st Edition Issued Feb., 2005 7th Edition Issued Sep., 2009 Compiled and Distributed by 0909-007 AJQEPED-ID 6, Menuma-nishi 1-chome, Kumagaya-shi, Saitama 360-0238, Japan TEL : +81-48-506-6086 F AX : +…

5-4
AJQEPED-ID
0909-006 C(M829JSB-0006)
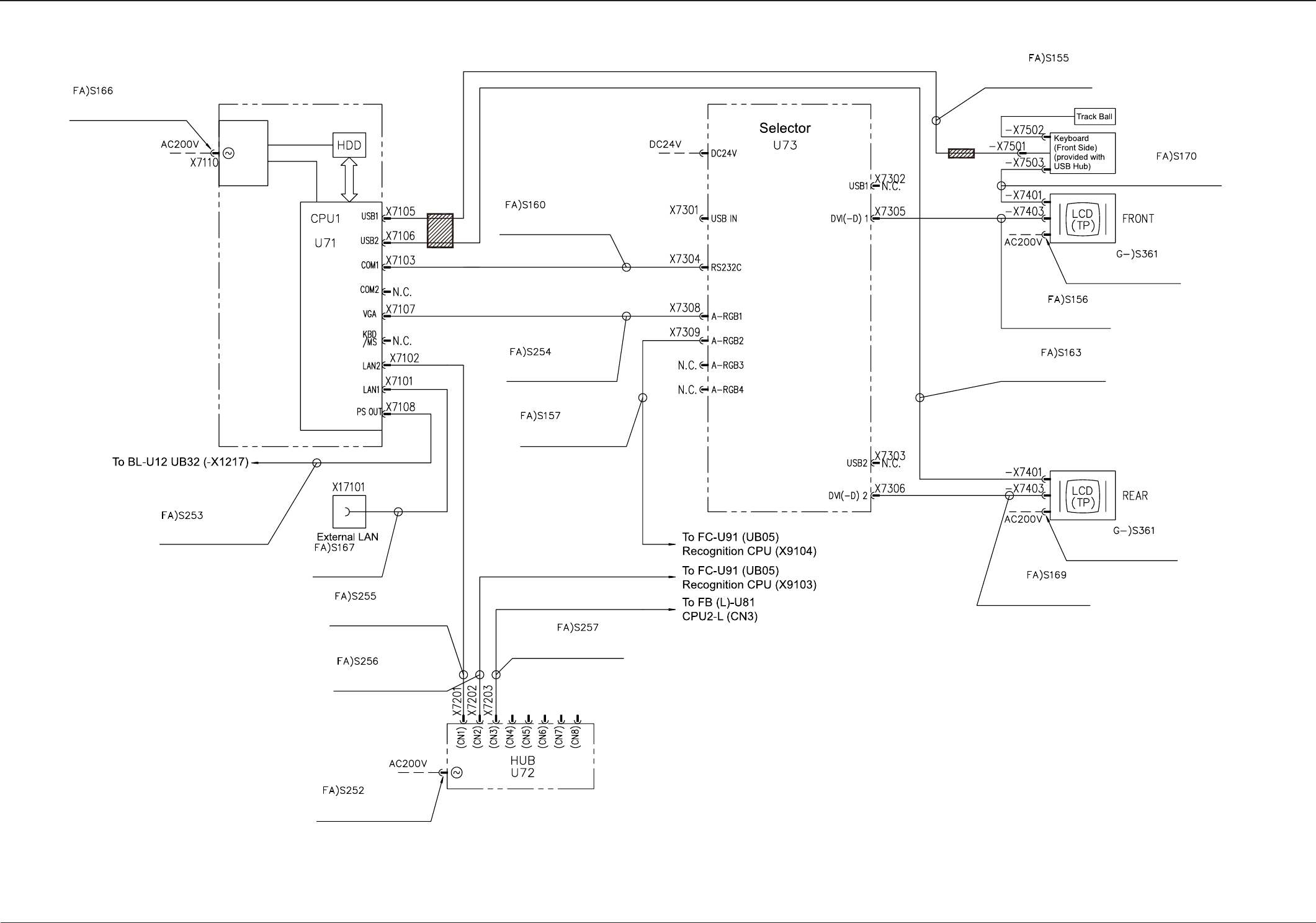
CPU1 Cabele Connection
CPU1 Cabele Connection
4J100867
(630 124 1722)
4J202997
(630 133 8316)
4J200889
(630 071 9925)
4J203058
(630 134 0210)
4J203059
(630 134 0227)
4J202121
(630 108 1861)
4J203060
(630 134 0234)
4J202725
(630 124 3948)
4J202725
(630 124 3948)
4J202121
(630 108 1861)
4J203134
(630 135 9830)
4J202726
(630 124 4242)
4J202121
(630 108 1861)
4J203134
(630 135 9830)
4J203133
(630 135 9823)
4J203057
(630 134 0203)
4J202692
(630 123 7510)
4W202997
(630 133 8316)
4W203058
(630 134 0210)
4W203059
(630 134 0227)
4W202121
(630 108 1861)
4W203060
(630 134 0234)
4W203134
(630 135 9830)
4W202121
(630 108 1861)
4W203133
(630 135 9823)
4W203134
(630 135 9830)
4W202121
(630 108 1861)
4W202726
(630 124 4242)
4W203057
(630 134 0203)
4W202725
(630 124 3948)
4W202725
(630 124 3948)
4W202692
(630 123 7510)
4W200889
(630 071 9925)

5-5
AJQEPED-ID
0606-005

Copying Prohibited
1st Edition Issued Feb., 2005
7th Edition Issued Sep., 2009
Compiled and Distributed by
0909-007
AJQEPED-ID
6, Menuma-nishi 1-chome, Kumagaya-shi, Saitama 360-0238, Japan
TEL : +81-48-506-6086 FAX : +81-48-567-0084