5OM-1286-007_w - 第57页
1-B AJQEPED-ID 0606-005

1-A
AJQEPED-ID
0606-005
Chapter 1
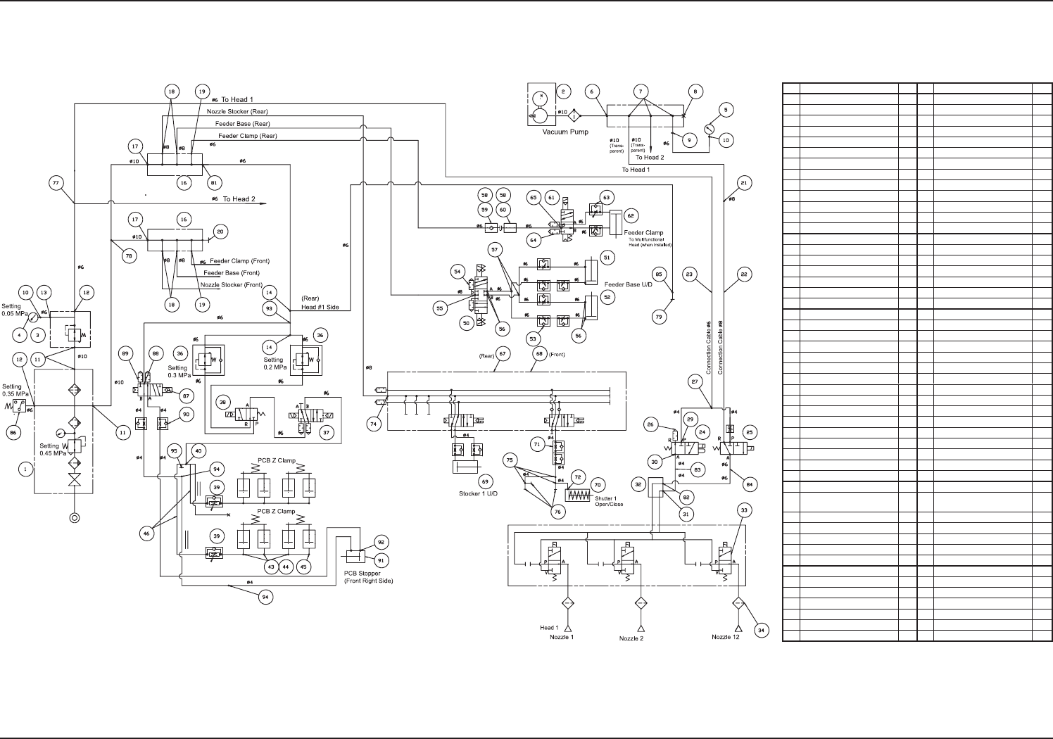
Pneumatic Diagram
This chapter describes the pneumatic diagram.
As this contains highly sophisticated contents, it should
carefully be referred to.

1-B
AJQEPED-ID
0606-005

$-4(3(','
3QHXPDWLF'LDJUDP
$0;$
3QHXPDWLF'LDJUDP
1R 1DPH 4W\ 1R 1DPH 4W\
&RPELQDWLRQ8QLW &\OLQGHU
9DFXXP3XPS &\OLQGHU
5HJXODWRU 6SHHG&RQWUROOHU
3UHVVXUH*DXJH 6LOHQFHU
9DFXXP*DXJH 8QLYHUVDO(OERZ
%XVKLQJ 8QLYHUVDO(OERZ
4XLFN8QLYHUVDO-RLQW &KHHVH
3OXJ 0RGXODU8QLW
5HGXFHU $LU&RQWDFWLQJ3LQ
+DOI8QLRQ $LU&RQWDFWLQJ3LQ
(OERZ8QLRQ 6ROHQRLG9DOYH
(OERZ8QLRQ &\OLQGHU
+DOI8QLRQ 6SHHG&RQWUROOHU
8QLRQ< 6LOHQFHU
(OERZ8QLRQ
0DQLIROG
6WUHHW(OERZ 6ROHQRLG9DOYH8QLW
6WUHHW(OERZ 6ROHQRLG9DOYH8QLW
5HGXFHU(OERZ &\OLQGHU8QLW
3OXJ &\OLQGHU
'LIIHUHQW8QLRQ 6SHHG&RQWUROOHU
%XONKHDG8QLRQ %DUEHG(OERZ
%XONKHDG8QLRQ
6ROHQRLG9DOYH +DOI8QLRQ
6ROHQRLG9DOYH 8QLRQ<
6LOHQFHU 3OXJ
'LIIHUHQW8QLRQ< &KHHVH
&KHHVH
(OERZ8QLRQ 3OXJ
+DOI8QLRQ
+DOI8QLRQ 5HGXFHU(OERZ
5RWDU\-RLQW +DOI8QLRQ
6ROHQRLG9DOYH (OERZ
)LOWHU (OERZ
6WUDLJKW8QLRQ
3UHVVXUH*DXJH8QLW 3UHVVXUH6ZLWFK
6ROHQRLG9DOYH8QLW 6ROHQRLG9DOYH
6ROHQRLG9DOYH8QLW +DOI8QLRQZLWK+H[DJRQDO
+HDG
6SHHG&RQWUROOHU 6LOHQFHU
'LIIHUHQW'RXEOH8QLRQ< 6SHHG&RQWUROOHU
&\OLQGHU
%DUEHG(OERZ
8QLYHUVDO7 8QLRQ<
%DUEHG)LWWLQJ +DOI8QLRQ
%DUEHG(OERZ 3OXJ
)ODW7XEH
6ROHQRLG9DOYH