SIPLACE D系列Servicemanual - 第79页
Service Work D4 Gantry Servicemanual (internal version) SIPLACE D Series 79 Switch the adhesive device over to the right-hand side of the gantries. X Extract the long pin from the adhesive de vice. X Lift the adhesive de…

Service Work
Gantry D4
78 Servicemanual (internal version) SIPLACE D Series
Fitting the Y-axis scale
Inserting the adhesive device
X Extract the long pin from the adhesive device.
X Fit the adhesive device onto the guide rail of the Y ball bearing unit, on the left side.
X Insert the long pin into the adhesive device so that the scale is between the two guide pins of the
adhesive device and the long pin.
X Place the protective sheet from the scale adhesive strip around the long pin, pull tightly to the right
and hold in this position with the right hand. Pull the protective sheet off the scale front, as far as the
adhesive device.
Fixing the scale
X Press down with the left hand onto the adhesive device and the press roller.
X Guide the scale with the right hand and pull the protective sheets off up to the adhesive device. At
the same time, move the adhesive device to the right.
X Move both gantries to the right.
CAUTION:
Make sure that you do not scratch or
twist the incremental scale!
X Place the scale on a clean and even surface.
X Attach the cover strip to the front side of the
scale (increments side).
X Attach the double-sided adhesive tape to the
back (center) of the new scale. Make sure that
the adhesive surface is clean. Do not use the
double-sided adhesive tape near the drilling.
X Insert the scale into the machine so that the
drilling in the scale is on the left.
X Pull the transparent cover strip slightly back.
X Pull the cover strip approx. 5 cm off the
adhesive strip on the back of the scale.
X Fit the scale so that the pin (3) slides into the
hole on the scale.
X Fit one of the two guides directly to the right of
the pin on the Y ball bearing unit (4) guidance
rail and fix this with a screw.
X Move both basic gantries approx. 10 – 20 cm
to the left.
X Pull the transparent cover off completely.
X Fit the second guide to the right side of the Y
ball bearing unit guide rail, fixing the scale into
the correct position.
CAUTION:
Make sure that you do not twist the
scale!
X Move both basic gantries as far to the right as
possible.

Service Work
D4 Gantry
Servicemanual (internal version) SIPLACE D Series
79
Switch the adhesive device over to the right-hand side of the gantries.
X Extract the long pin from the adhesive device.
X Lift the adhesive device off the Y ball bearing unit guide rail.
X Move both basic gantries as far as possible to the left.
X Place the adhesive device in the same position as it was before.
X Fit the adhesive device again as described above and continue with the fixture process.
X Remove the right guide and the rest of the protective sheet.
X Push the adhesive device as far as the right stop.
X Remove the adhesive device.
X Press the rest of the scale down with your hand and with the help of a tear-resistant cloth.
X Remove the centering pin from the left side of the scale.
X Clean the scale with a cloth and ethanol.
X Clean the reading surface of both Y incremental encoders with a cloth and ethanol.
Settings
X Check the track signals at the two incremental encoders.
X Calibrate the Y zero point correction values at the two gantries.
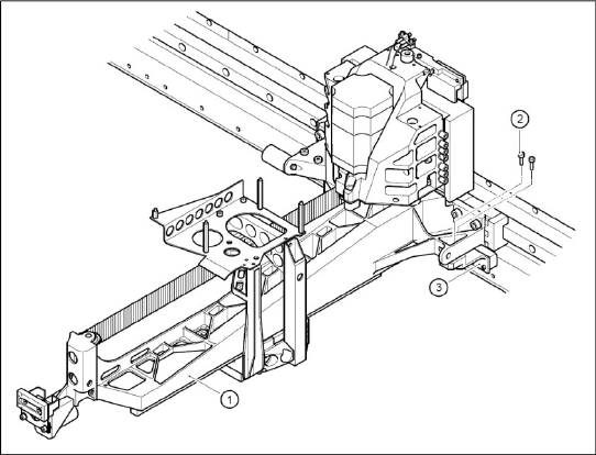
X Loosely screw the two Y incremental encoders
(3) to the basic gantry with two M3x10
hexagon sprocket-head screws (2), each.
X Use the feeler gauge to set the 0.4 mm gap
between the Y incremental encoder and scale
and then tighten the fastening screws.

Service Work
Gantry D4
80 Servicemanual (internal version) SIPLACE D Series
4.1.4.3 Replacing the Y Linear Motor - Secondary Part
Tools and Equipment
Set of DIN 911 Allen keys
SITEST program
Parts
Magnetic strips - secondary part of Y drive
Removal
X Switch off the machine and secure it to prevent unauthorized reactivation.
X Move the gantry in the PCB transport direction and position it so that the permanent magnets can be
removed:
Gantry 1 via the permanent magnets (1C)
Gantry 2 via the permanent magnets (2C)
Gantry 3 via the permanent magnets (2C)
Gantry 4 via the permanent magnets (1C)
X Remove the black cover strips on the crossbeam above the gantry concerned (3 M6 x 8 hexagon
socket-head screws).
DANGER: POWERFUL MAGNETIC FIELD
Always follow the special safety instructions when working in the vicinity of powerful magnetic
fields.