Q4X3C-E-EPA-45.pdf - 第58页
20 下流延長 コ ン ベ ア ユ ニ ット ( マシン 右側 ) Downstream Extension Conveyor (Right Side of Machine) パー ツレイ アウト Kit No. キ ット 品番 Kit Name キ ット 名称 N610006859AA セクション No . PARTS LAYOUT Section No. - - E39 ( KN610006859AA-02 )

Ref
No.
Remarks
R
1
Q'ty
19
下流延長
コンベアユニット
(
マシン
左側
)
Downstream Extension Conveyor Unit(Left Side of Machine)
イラスト
No.
Part No.
品 名品番 数量
R
2
パーツリスト
Kit No.
キット
品番
Kit Name
キット名称
N610004081AA
Part Name
備 考
セクション
No
.
PARTS LIST
Section No.
R
3
PCB
1
1 KXFE000JA00
EL1ACA_PbF: Conveyor motor (RS485) connection board
E38
-
-
( KN610004081AA-02 )

20
下流延長
コンベアユニット
(
マシン
右側
)
Downstream Extension Conveyor (Right Side of Machine)
パーツレイアウト
Kit No.
キット
品番
Kit Name
キット
名称
N610006859AA
セクション
No
.
PARTS LAYOUT
Section No.
-
-
E39
( KN610006859AA-02 )

Ref
No.
Remarks
R
1
Q'ty
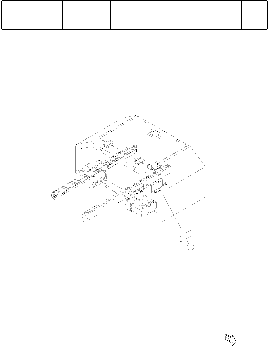
20
下流延長
コンベアユニット
(
マシン
右側
)
Downstream Extension Conveyor (Right Side of Machine)
イラスト
No.
Part No.
品 名品番 数量
R
2
パーツリスト
Kit No.
キット
品番
Kit Name
キット名称
N610006859AA
Part Name
備 考
セクション
No
.
PARTS LIST
Section No.
R
3
PCB
1
1 KXFE000JA00
EL1ACA_PbF: Conveyor motor (RS485) connection board
E40
-
-
( KN610006859AA-02 )