P-281-004e - 第27页
0712-002 Fig. G テープフィーダ T APE FEEDER GT -12161B GT -12161B G illust-1

MEMO

0712-002
Fig. G
テープフィーダ
TAPE FEEDER
GT-12161B GT-12161B
G illust-1

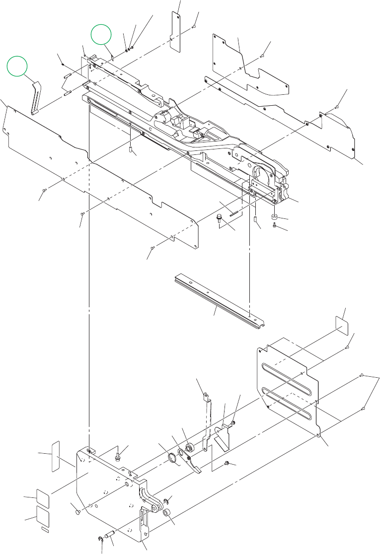
0909-003
テープフィーダ
TAPE FEEDER
GT-12161B
GT-12161B
Fig. G-1
フレーム部
Frame Section
29
27
1
20
20
28
25
43
41
33
5
28
28
4
3
42
40
30
.
.
14
10
11
26
19
37
12
8
28
28
9
28
28
28
See Fig.G-5
Key No.405
42
30
.
40
.
23
6
24
2
13
37
32
46
46
47
26
69
70
68
71
Key No.23,25(
Notice) The Key No. 23 and 25 (with a circle) are maintenance components.
For replacement timing, refer to the Instruction Manual or consult our service
personnel.
G-1 illust-1