Infinity Mechanical - 第7页
Mechanical Drawings 5 133560S1 Issue 2 Board Edge Location GA A A 18 6 3 13 19 11 16 17 9 4 10 SECTION A A 14 15 20 21 (ITEM 1 DEDICATED TO 1.0 THK BOARDS) (ITEM 2 DEDICATED TO 1.6 THK BOARDS) (ITEM'S 7 & 16 DED…

4 Mechanical Drawings
129307 Issue 2 Calibration Jig GA

Mechanical Drawings 5
133560S1 Issue 2 Board Edge Location GA
A
A
18
6
3
13
19
11
16
17
9
4
10
SECTION A A
14 15
20
21
(ITEM 1 DEDICATED TO 1.0 THK BOARDS)
(ITEM 2 DEDICATED TO 1.6 THK BOARDS)
(ITEM'S 7 & 16 DEDICATED TO 1.0 BOARD)
(ITEM'S 8 & 17 DEDICATED TO 1.6 THK BOARD)
MAIN RAIL-REAR SHOWN FOR REF ONLY
SECTION B B
B
B
MAIN RAIL-FRONT SHOWN FOR REF ONLY
22
FASTENERS
REAR RAIL
FRONT RAIL FIXED
133193
133192
PART NO. QTY.ITEM NO. DESCRIPTION
1
2
3
4
5
6
7
8
9
10
11
12
13
14
15
16
17
18
19
20
21
22
23
24
25
26
27
28
29
30
31
32
33
34
35
36
37
38
39
40
41
42
43
44
45
46
47
48
49
50
51
52
53
54
55
56
57
58
59
60
61
62
63
64
65
66
67
68
69
70
71
72
73
74
75
76
77
78
79
80
81
82
83
84
85
86
87
88
89
90
91
92
93
94
95
96
97
98
99
100
XX
X
XX
X
XX
X
XX
X
XX
X
XX
X
XX
X
XX
X
XX
X
XX
X
XX
X
XX
X
XX
X
XX
X
XX
X
XX
X
XX
X
XX
X
XX
X
XX
X
XX
X
XX
X
XX
X
XX
X
XX
X
XX
X
XX
X
XX
X
XX
X
XX
X
XX
X
XX
X
XX
X
XX
X
XX
X
XX
X
XX
X
XX
X
XX
X
XX
X
XX
X
XX
X
XX
X
XX
X
XX
X
XX
X
XX
X
XX
X
XX
X
XX
X
XX
X
XX
X
XX
X
XX
X
XX
X
XX
X
XX
X
XX
X
XX
X
XX
X
XX
X
XX
X
XX
X
XX
X
XX
X
XX
X
XX
X
XX
X
XX
X
XX
X
XX
X
XX
X
XX
X
XX
X
XX
X
54321
A
B
CC
B
A
12345
67
8
910
11 12
13
6
7
8
9
10 11
12
13
D
E
F
G
H
I
D
E
F
G
H
I
PROJECTION
DRAWN
APPROVED
DATE
C
COPYRIGHT
DO NOT SCALE
ORIGINAL SCALE
(CAD)
1:1
101
102
103
104
105
XX
X
XX
X
XX
X
XX
X
XX
X
A
OF
SH.
TITLE
DRAWING NUMBER
0
DATE INITIALDCR
LATEST
ISSUE
No.
1994
1
2
129111 REFERENCE
113903
113945
113983
113905
113906
113988
113907
113908
113909
113995
113910
113993
113987
113913
113946
113982
113984
113985
113994
107461
FIXED PLATE (1.0 THK.)
CYLINDER MOUNT
FIXED PLATE (1.6 THK.)
ADJ. SUPPORT PLATE
CYLINDER CONN.PLATE
REAR RAIL GUIDE(1.0 THK.)
REAR RAIL GUIDE(1.6 THK)
SUPPORT BRACKET
LEVELLING PLATE
LINEAR GUIDE (THK)
LINEAR GUIDE (THIN)
CYLINDER
SUPPORT RAIL,CENTRE
GUIDE BELT
ADJ.PLATE (1.6 BOARD)
ADJ.PLATE (1.0 BOARD.)
STOP MOUNT
STOP BLOCK
TOP HAT
FASTENERS BOM
CONNECTOR
1
1
2
1
2
1
1
1
2
2
2
2
1
1
1
1
1
2
2
2
2
133560
BOARD EDGE LOCATION
(265 GS)
1
2
RJM
23/02/95
114021 FIXED PLATE (0.8 THK.)
1
114020 REAR RAIL GUIDE(0.8THK)
1
114022 ADJ.PLATE (0.8 BOARD)
1
(ITEM'S 24 & 25 DEDICATED TO 0.8 THK BOARD)
(ITEM 23 DEDICATED TO 0.8 THK BOARDS)
23
25
24 7
8
133557
02
8380 NJP
01/08/95
PRINTING MACHINES LIMITED,
IT MAY NOT BE COPIED,REPRODUCED,
PUBLISHED OR DISCLOSED IN WHOLE
OR IN PART WITHOUT OUR WRITTEN
CONSENT.
IN IT, IS THE PROPERTY OF DEK
THIS DRAWING AND THE COPYRIGHT

6 Mechanical Drawings
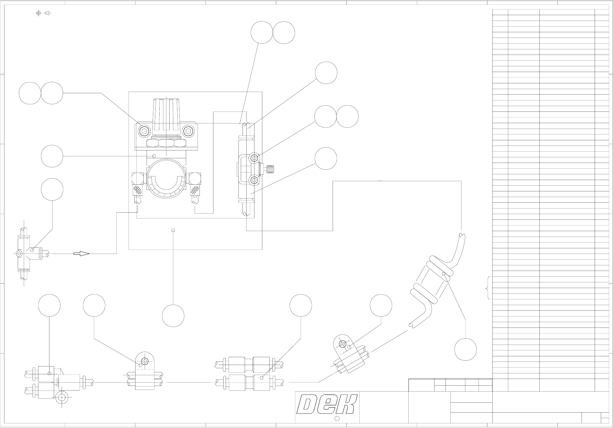
133560S2 Issue 2 Board Edge Location GA
PART NO. QTY.ITEM NO.
DESCRIPTION
1
2
3
4
5
6
7
8
9
10
11
12
13
14
15
16
17
18
19
20
21
22
23
24
25
26
27
28
29
30
31
32
33
34
35
36
37
38
39
40
41
42
43
44
45
46
47
48
49
50
51
52
53
54
55
56
57
58
59
60
F
E
D
C
B
A
654321
A
B
C
D
E
F
987
123456789
PROJECTION
TITLE
DRAWN
APPROVED
DATE
DRAWING NUMBER
A
OF
SH.
C
COPYRIGHT
DO NOT SCALE
ORIGINAL SCALE
(CAD)
1
61
62
63
64
65
DATE INITIALDCR
LATEST
ISSUE
No.
1993
2
2
0
5
10
SMC
kgf/cmý
2:1
1
2
3
5
7
8
700104
M3 X 14.0 SKT CAP SCR
2
700601
M3 WASHER FORM A
2
107524
SPEED CONTROLLER
1
9
700602
M4 WASHER FORM A
1
PRESS.REGULATOR PLATE
1
107520
REGULATOR ASSY.
1
700108
M4 X 6.0 SKT CAP SCR
2
10
G3215
BLUE TUBING OD 4.0
AR
11
101406
TEE PIECE
1
1
15 16
16
17
18
107499
107271
107650
1
2
1
1
'Y' UNION
TUBING CLIP-DOUBLE
STRAIGHT UNION
107264
TUBING COIL f4.0
117422
ACRYLIC TAPE
MAGNETIC SHEET
1
19
20
MOUNTED
ON REAR
RAIL
0.5
133560
BOARD EDGE LOCATION GA.
265 GS
23/02/95
RJM
2
02
010895 8380
NJP
137049
137050
PRINTING MACHINES LIMITED,
IT MAY NOT BE COPIED,REPRODUCED,
PUBLISHED OR DISCLOSED IN WHOLE
OR IN PART WITHOUT OUR WRITTEN
CONSENT.
IN IT, IS THE PROPERTY OF DEK
THIS DRAWING AND THE COPYRIGHT