Infinity Mechanical - 第23页
Mechanical Drawings 21 145370 Issue 3 T able Lif t G A 5 4 3 2 1 A B C C B A 123 45 67 8 9 10 11 12 13 6 7 8 9 10 11 12 13 D E F G H I D E F G H I PROJECTION DRAWN APPROVED DATE C COPYRIGHT DO NO T SCALE SCALE TITLE DRAW…

20 Mechanical Drawings
145300S3 Issue 1 Autoflex Tooling GA
54321
A
B
CC
B
A
12345
67
8
9 10
11 12
13
6
7
8
9
10 11
12
13
D
E
F
G
H
I
D
E
F
G
H
I
PROJECTION
DRAWN
APPROVED
DATE
C
COPYRIGHT
DO NOT SCALE
SCALE
TITLE
DRAWING NUMBER
1998
BOM NUMBER
ITEM PART NO. DESCRIPTION QTY.
1
117892 CRATE GUIDE, LH 1
2
117893 CRATE GUIDE, RH 1
3
117894 GUIDE BLOCK 2
THIS DRAWING AND THE COPYRIGHT
IN IT, IS THE PROPERTY OF
DEK PRINTING MACHINES LIMITED
IT MAY NOT BE COPIED, REPRODUCED,
PUBLISHED OR DISCLOSED IN WHOLE
OR IN PART WITHOUT OUR WRITTEN
CONSENT.
1:2
G. MARJASON
AUTOFLEX TOOLING GA
22-Jan-98
145300
145347
SH 3
OF 3
A
0
LATEST
ISSUE
No. DATE DCR INITIAL
1 22-Jan-98 - GSM
5($59,(:,1',&$7,1*
&5$7(326,7,21
6&$/(
6(('(7$,/ $
DETAIL A
SCALE 1:2
1
1
2
1
3
2
1
1
2
1
3
2

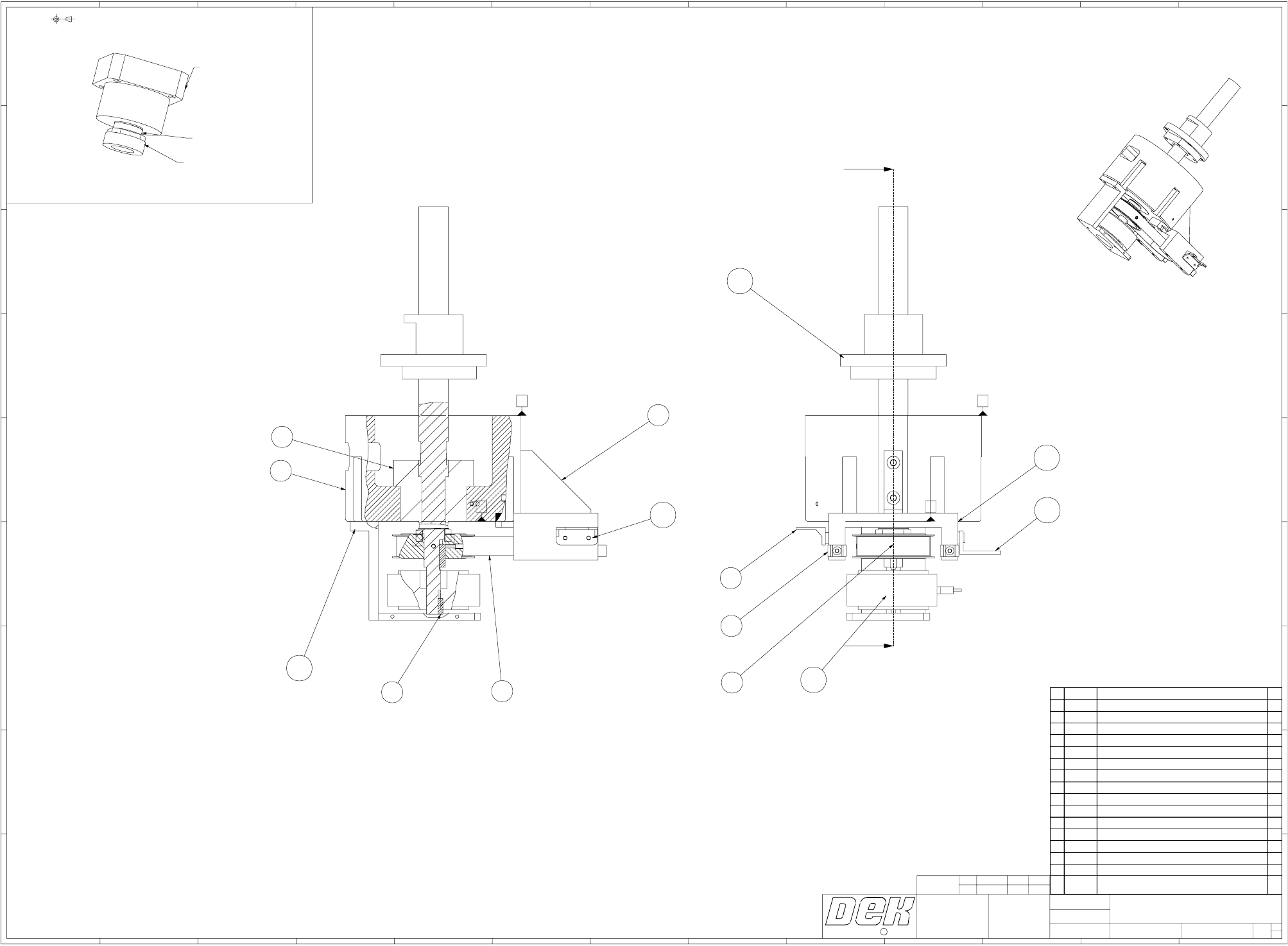
Mechanical Drawings 21
145370 Issue 3 Table Lift GA
54321
A
B
CC
B
A
12345
67
8
9 10
11 12
13
6
7
8
9
10 11
12
13
D
E
F
G
H
I
D
E
F
G
H
I
PROJECTION
DRAWN
APPROVED
DATE
C
COPYRIGHT
DO NOT SCALE
SCALE
TITLE
DRAWING NUMBER
2000
BOM NUMBER
C
A
C
A
A
A
ITEM PART NO. DESCRIPTION QTY.
1
107041 TIMING PULLEY 1
2
107044 BEARING HOUSING 1
3
107380 TABLE BOSS 1
4
107381 TABLE MOTOR WEB 1
5
107508 TIMING BELT 1
6
112020 KEY 5MM 1
7
112414 CABLE TIE CLAMP 2
8
112503 KEY 4X4X13.5 1
9
117076 BRACKET 9 WAY `D' 1
10
117131 4 WAY TRIAD 1
11
117980 MOTOR 'U' PLATE 1
12
145311 LINK COLLAR - BALL SCREW NUT 1
13
157111 TABLE BRAKE BRAKET 1
14
160457 WARNER BRAKE 1
15
700658 WASHER SHOULDERED,NYLON 2
16
MAX 28 CHARACTERS 1
ITEM PART NO. DESCRIPTION QTY.
1
107041 TIMING PULLEY 1
2
107044 BEARING HOUSING 1
3
107380 TABLE BOSS 1
4
107381 TABLE MOTOR WEB 1
5
107508 TIMING BELT 1
6
112020 KEY 5MM 1
7
112414 CABLE TIE CLAMP 2
8
112503 KEY 4X4X13.5 1
9
117076 BRACKET 9 WAY `D' 1
10
117131 4 WAY TRIAD 1
11
117980 MOTOR 'U' PLATE 1
12
145311 LINK COLLAR - BALL SCREW NUT 1
13
157111 TABLE BRAKE BRAKET 1
14
160457 WARNER BRAKE 1
15
700658 WASHER SHOULDERED,NYLON 2
16
MAX 28 CHARACTERS 1
ITEM PART NO. DESCRIPTION QTY.
1
107041 TIMING PULLEY 1
2
107044 BEARING HOUSING 1
3
107380 TABLE BOSS 1
4
107381 TABLE MOTOR WEB 1
5
107508 TIMING BELT 1
6
112020 KEY 5MM 1
7
112414 CABLE TIE CLAMP 2
8
112503 KEY 4X4X13.5 1
9
117076 BRACKET 9 WAY `D' 1
10
117131 4 WAY TRIAD 1
11
117980 MOTOR 'U' PLATE 1
12
145311 LINK COLLAR - BALL SCREW NUT 1
13
157111 TABLE BRAKE BRAKET 1
14
160457 WARNER BRAKE 1
15
700658 WASHER SHOULDERED,NYLON 2
16
MAX 28 CHARACTERS 1
ITEM PART NO. DESCRIPTION QTY.
1
107041 TIMING PULLEY 1
2
107044 BEARING HOUSING 1
3
107380 TABLE BOSS 1
4
107381 TABLE MOTOR WEB 1
5
107508 TIMING BELT 1
6
112020 KEY 5MM 1
7
112414 CABLE TIE CLAMP 2
8
112503 KEY 4X4X13.5 1
9
117076 BRACKET 9 WAY `D' 1
10
117131 4 WAY TRIAD 1
11
117980 MOTOR 'U' PLATE 1
12
145311 LINK COLLAR - BALL SCREW NUT 1
13
157111 TABLE BRAKE BRAKET 1
14
160457 WARNER BRAKE 1
15
700658 WASHER SHOULDERED,NYLON 2
16
MAX 28 CHARACTERS 1
ITEM PART NO. DESCRIPTION QTY.
1
107041 TIMING PULLEY 1
2
107044 BEARING HOUSING 1
3
107380 TABLE BOSS 1
4
107381 TABLE MOTOR WEB 1
5
107508 TIMING BELT 1
6
112020 KEY 5MM 1
7
112414 CABLE TIE CLAMP 2
8
112503 KEY 4X4X13.5 1
9
117076 BRACKET 9 WAY `D' 1
10
117131 4 WAY TRIAD 1
11
117980 MOTOR 'U' PLATE 1
12
145311 LINK COLLAR - BALL SCREW NUT 1
13
157111 TABLE BRAKE BRAKET 1
14
160457 WARNER BRAKE 1
15
700658 WASHER SHOULDERED,NYLON 2
16
MAX 28 CHARACTERS 1
THIS DRAWING AND THE COPYRIGHT
IN IT, IS THE PROPERTY OF
DEK PRINTING MACHINES LIMITED
IT MAY NOT BE COPIED, REPRODUCED,
PUBLISHED OR DISCLOSED IN WHOLE
OR IN PART WITHOUT OUR WRITTEN
CONSENT.
1:1
G. MARJASON
265 SERIES TABLE LIFT ASSY
14-Jan-98
145370
145371
SH 1
OF 1
A
0
LATEST
ISSUE
No. DATE DCR INITIAL
03
}
11-JUN-01 26522
MJP
}
PART No.: 107044
DESCRIPTION: BEARING HOUSING
6
7
9
10
11
12
14
SECTION A-A
4
8
15
2
3
5
13
SCALE 1:2
SCALE 1:1
BEARING (NSK WBK 20-11)
SPACER
LOCKING BUSH

22 Mechanical Drawings
145539 Issue 3 X - Y Rail Support Rail (AT) GA
54321
A
B
CC
B
A
12345
67
8
9 10
11 12
13
6
7
8
9
10 11
12
13
D
E
F
G
H
I
D
E
F
G
H
I
PROJECTION
DRAWN
APPROVED
DATE
C
COPYRIGHT
DO NOT SCALE
SCALE
TITLE
DRAWING NUMBER
2001
BOM NUMBER
ITEM PART NO. DESCRIPTION QTY.
1
107326 BEARING POST 1
2
107333 BEARING (SKF 608-2RS1) 3
3
112414 CABLE TIE CLAMP 2
4
112611 ROLLER BRACKET 1
5
117324 3 WAY BRACKET 1
6
117806 RAIL SUPPORT BRACKET 2
7
117809 RAIL SUPPORT L.H. 1
8
119499 SWITCH,SAFETY 1
9
119668 BRACKET, MAGNET 1
10
119802 BRACKET, REGULATOR 1
11
119847 RAIL SUPPORT RH 1
12
119858 RAIL SUPPORT REAR 2
13
119903 RH CLEAN HOME CLAMP LOOM 1
14
119904 LH CLEAN HOME CLAMP LOOM 1
15
129245 BEARING POST 2
16
129346 BALL BEARING - DEEP GROOVE 8
17
129358 BRACKET, H.E. 1
18
133167 LEFT HAND MAGNET BRKT 1
19
140432 BRACKET, SAFETY SWITCH 1
20
140781 SCREEN CLEAN HOME HALL EFFECT LOOM 1
21
140784 CAM Y HOME HALL EFFECT LOOM GA 1
22
145514 FRONT 'Y' TIMING PULLEY 2
23
145516 AXIS IDLE TIMING PULLEY 2
24
165248 LINEAR BEARING, CAGED-BALL, SR20. 2
25
165475 BELT TENSIONING BRACKET, 2
26
165477 IDLE BEARING POST 2
27
E0505 SMALL P CLIP 3
28
G1404 CLP EXT D1400/12 4
29
G1434 CLP EXT D1400/8 1
THIS DRAWING AND THE COPYRIGHT
IN IT, IS THE PROPERTY OF
DEK PRINTING MACHINES LIMITED
IT MAY NOT BE COPIED, REPRODUCED,
PUBLISHED OR DISCLOSED IN WHOLE
OR IN PART WITHOUT OUR WRITTEN
CONSENT.
11:20
N. PALMER
X-Y RAIL SUPPORT (AT) G.A.
01-Jul-98
145539
145186/139070
SH 1
OF 1
A
0
LATEST
ISSUE
No. DATE DCR INITIAL
.
13/07/01 26827 PH
03
1
2
3
4
5
6
7
8
9
10
11
12
13
14
1516
17
18
19
20
21
22
23
27
28
29
24
25
26