CWD_YSM10_sATS15_KMG&KMF-000_1704.pdf - 第12页

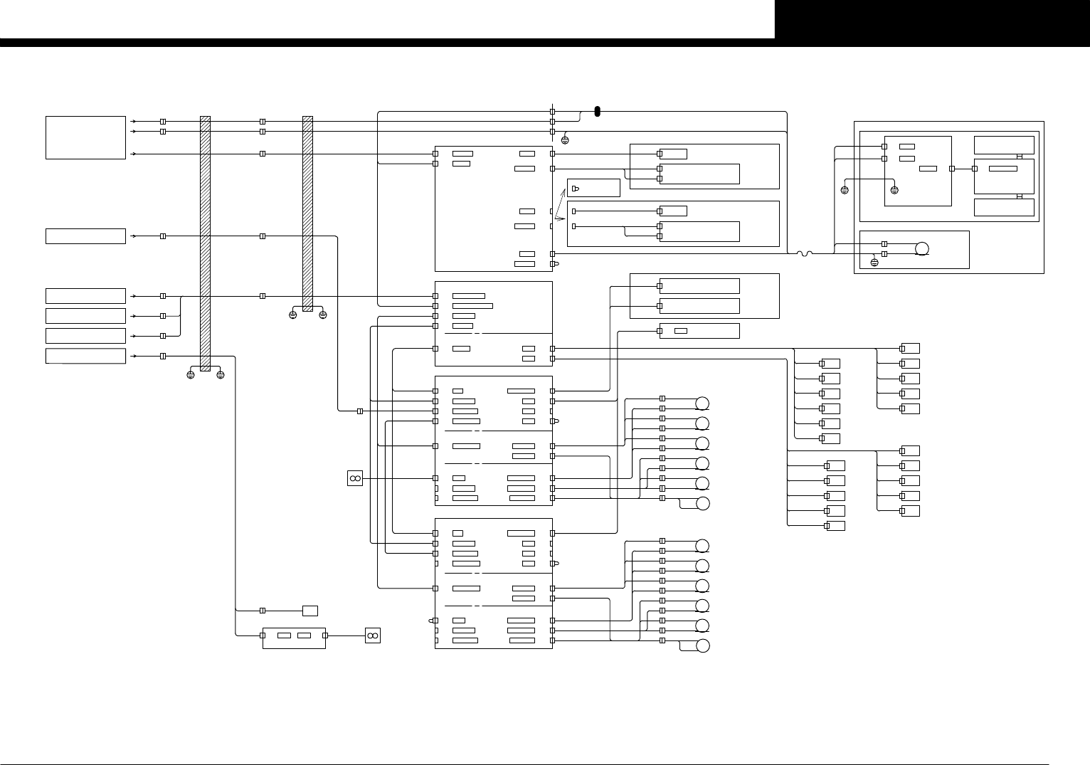
Confidential & P roprietary P A G E I/O CONVEYOR BOARD ASSY P021 J0307 CN14 I/O CONVEYOR -2- See Page 8 J0255 KM10 43 +24V KM10 33 +24V KM10 23 +24V KM10 13 +24V KM10 44 +24 C KM10 34 +24 E KM10 24 SRVO N KM10 14 +24…

100%1 / 32
Confidential & Proprietary
PAGE
I/O CONVEYOR BOARD ASSY P021
J0315
J0314
J0313
J0251CN31
CN31EMG6
ANC-4 CN30
ANC-3 CN29
ANC-2 CN28
ANC-1 CN27
DI19 CN26
CN25
CN25DI18,DO9
CN24
R.OPE.PANEL CN24
CN23
F.OPE.PANEL CN23
J0312
DI14,15 CN22
FES/CART CN21
CN21
C/R GOOD
J0261J0252
EMG5
CN33
CN33
EMG7 CN32
AMF1
T01000D6
T01000D5
AMF2
J0354CN34
CN34AMF
J0236
J0235
J0234
J0233
J0232
J0231
HL12
N0100483/T0100090
N0100482/T0100077
N0100481/T0100076
N0100480/T0100075
N0100477/T0100074
N0100476/T0100073
SB06
SB05
SB04
SB03
SB02
SB01
TAPE CUTTER F2 CLOSE
N0100455
F2 CUT CL
SQ114
TAPE CUTTER F2 OPEN
TAPE CUTTER F1 CLOSE
N0100454
F2 CUT OP
F1 CUT CL
SQ113
N0100451
SQ112
F CUT CL
F CUT OP
TAPE CUTTER F1 OPEN
F1 CUT OP
N0100450
SQ111
J0281
SQ105
COVER SW
F CUTTER
OPEN CLOSE
T0100080/T0100081
ACTIVE
READY
START
STOP
ERR.CLR
RESET
FRONT OPERATION PANEL
T0100092
FRONT ERROR LAMP(YELLOW/BLUE)
HL12
FRONT ACTIVE(WHITE)
FRONT RESET(WHITE)
FRONT READY(WHITE)
FRONT START(GREEN)
FRONT STOP(RED/WHITE)
FRONT ERROR CLEAR(YELLOW/BLUE)
FRONT TAPE CUTTER
FRONT TAPE CUTTER
FRONT CUTTER YV031
COMPONENT SUPPLY INDICATOR LAMP(Option)
TAPE CUTTER R2 CLOSE
N0100457
SQ118
R2 CUT CL
TAPE CUTTER R2 OPEN
TAPE CUTTER R1 CLOSE
N0100456
SQ117
N0100453
SQ116
R2 CUT OP
R1 CUT CL
R CUT CL
TAPE CUTTER R1 OPEN
N0100452
SQ115
SQ107
COVER SW
J0282
R CUT OP
R1 CUT OP
R CUTTER
OPEN CLOSE
T0100084/T0100085
REAR TAPE CUTTER
REAR CUTTER YV033
REAR TAPE CUTTER
TAPE CUTTER(Option)
I/O CONVEYOR -3-
F/R CAMERA
See Page 6
See Page 9
STP GOOD
CONV.DRIVER
REMOTE IF
CONVERTER
SERVO
See Page 5
See Page 4
CONTROL BOX -2-
CONTROL BOX -1-
H EMG
DIGITAL MULTI CAMERA(Option)
J0246
J0245
J0244
J0243
J0242
J0241
HL13
N0100496/T01000A1
N0100494/T0100097
N0100495/T01000A0
N0100493/T0100096
N0100492/T0100095
N0100491/T0100094
SB16
SB15
SB14
SB13
SB12
SB11
RESET
STOP
START
READY
ACTIVE
T01000A3
REAR ERROR LAMP(YELLOW/BLUE)
HL13
REAR RESET(WHITE)
REAR ACTIVE(WHITE)
REAR READY(WHITE)
REAR START(GREEN)
REAR STOP(RED/WHITE)
REAR ERROR CLEAR(YELLOW/BLUE)
ERR.CLR
REAR OPERATION PANEL(Option)
COMPONENT SUPPLY INDICATOR LAMP(Option)
HM HEAD See Page 10
HM5 HEAD See Page 11
CN1824E OUT2
24E OUT1 CN17
LIGHT
COM
J0102CN20
CN20
J0353
J0352
SIG.TOWER CN19
CN19
J0308
CN16
BLOW CN16
See Page 5
CONTROL BOX -2-
I/O A
J0309
T0100044
N0100434
BLOW STATION SIDE BLOW
BLOW NOZZLE
SQ161B
SQ161A
YV051
SIGNAL TOWER
EMERGENCY STOP(RED/WHITE)
T0100060
T0100054
T0100053
T0100052
HL11
BUZZER
ERROR(YELLOW/BLUE)
RUN(GREEN)
HL11
BLOW
BLOW POW
SIDE BLOW
CN16
BLOW STATION(Option)Standard
MAINTENANCE LIGHT(Option)
LIGHT R
LIGHT F
T0100064
T0100063
REAR MAINTENANCE LIGHT
HL32
FRONT MAINTENANCE LIGHT
HL31
J0275COVER
EMG DI:N01004F5
SQ102
REAR COVER SW
Standard
COVER
J0278
R COVER
R EMG SW
EMG SW
J0277
REAR SAFETY COVER(Option)
REAR2 SIDE
EMG DI:N01004F3
SB32
REAR EMG SW
EMG4 CN37
CN36EMG3
CN35EMG2
CN35 J0253
EMG SW J0272
F EMG SW
FRONT2 SIDE
EMG DI:N01004F2
SB31
FRONT EMG SWJ0271
SQ101
FRONT1 SIDE
EMG DI:N01004F4
J0273 FRONT COVER SW
F COVER
CC.V0
8
I/O CONVEYOR -2-
YSM10
Confidential & Proprietary
PAGE
I/O CONVEYOR BOARD ASSY P021
J0307
CN14
I/O CONVEYOR -2-
See Page 8
J0255
KM10 43 +24V
KM10 33 +24V
KM10 23 +24V
KM10 13 +24V
KM10 44 +24C
KM10 34 +24E
KM10 24 SRVON
KM10 14 +24B
J0015
NF11
See Page 2
POWER CIRCUIT
J0061
GS31
See Page 2
POWER CIRCUIT
J0256
J0017 CONTROL BOX
AC230V See Page 2
POWER CIRCUIT
J0064 QF51
QF52 See Page 2
POWER CIRCUIT
FDR
PITCH SET
PITCH DWN
PITCH UP
FDR
PITCH SET
PITCH DWN
PITCH UP
J1006
J1005
J1004
J1003
J1016
J1015
J1014
J1013
CN5
CN4
CN3
CN6
CN5
CN4
CN3
CN5
CN4
CN3
CN6
CN5
CN4
CN3
CN45
CN44
J0054CN44
DI30,31,DO14
+24V47,+24V48
J1002
J1001
J1012
J1011
P142
PITCH LED BOARD ASSY
P144
PITCH LED BOARD ASSY
FDR ST BOARD ASSY P141
FDR ST BOARD ASSY P143
LED OUT
+24V
LED OUT
+24V
CN2CN1
CN1
F FDR ST
LED IN CN1 CN2
CN1
CN2CN1
CN1
R FDR ST
LED IN CN1 CN2
CN1
FEEDER
FEEDER
SB48
SB47
SB46
PITCH SET SW
PITCH DOWN SW
PITCH UP SW
SB43
SB42
SB41
PITCH SET SW
PITCH DOWN SW
PITCH UP SW
REAR FEEDER SET STATION(Option)
FRONT FEEDER SET STATION(Option)
CN10
ANC+24V
CN11A
CN11
DO01/ANC
DO00/ANC
CN5A
DI01/ANC CN5
CN3A
DI00/ANC CN3
I/O ANC
I/O ANC
See Page 5
CONTROL BOX -2-
I/O A
J0391
J0392
ANC CTRL BOARD ASSY P160
COM2CN2
CN2
6543
DIP SW(SW2)
21
ON
OFF
CN10
CN1 COM1
CN1
DC24V IN
J0052
+24V43,+24V44 CN42
CN42
J0107
ANC OP
J0393
ANC OP
J0394
T0100280
N0100951
N0100950
ANC OPEN
YV041
ANC CLOSE
SQ152
ANC OPEN
SQ151
KM11 54 KMON1
S11
W52
V52
U52
KM11 A1 +24B
KM11 61 FB1
KM11 53 +24V
KM11 21 FB1
KM11 62 FB2
KM11 22 FB2
KM11 A2 0V
KM11/KM11A
21 22
73 74
83 84
53 54
A1 A2
1/L1
3/L2
5/L3
2/T1
4/T2
6/T3
61 62
W54
V54
U54
KM12 61 FB2
KM12 21 FB2
KM12 62 FB3
KM12 22 FB3
KM12 54 KMON2
S12
KM12 A1 +24C KM12 A2 0V
21 22
73 74
83 84
53 54
A1 A2
1/L1
3/L2
5/L3
2/T1
4/T2
6/T3
61 62
KM12/KM12A
KM12 53 +24V
+48V +48VB
KM10 T31 FB0
Set time 0.5sec
1
2
3 5
6
7
Control
Circuit
13
23
33
43
53
61
14
24
34
44
54
Off
Delay
Timer
K1K2
K3K4
62
*OFF-delay time setting switch
DC
LOGIC
AC
A1
A2
T11
T12
4
PE
B
A
T21
T22
T31
T32
T23
KM10
KM10 A2 0V
KM10 A1 +24V
KM10T11 SAFE0
KM10T12 SAFE1
KM10 T32 FB3
J0254CN38
CN38EMG1
HEAD
DC24V
See Page 4
CONTROL BOX -1-J0053CN43
+24V45,+24V46 CN43 C/R DC24V
HM HEAD See Page 10
HM5 HEAD See Page 11
J0257
KM10T23 SAFE1
NOZZLE CHANGER(Option)
SRV2 BK+24V
See Page 4
CONTROL BOX -1-J0316CN39
+24V39 CN39
sATS15(Option)
R LIGHT LO
R LIGHT UP
R LIGHT UP
F LIGHT LO
F LIGHT UP
SIDE LIGHT UP
F LIGHT UP
YV061
YV062
SIDE LIGHT UP
CONVEYOR I/O -2-
CN25
J0315
See Page 4
CONTROL BOX -1-
VIS1 CAM3
VIS1 CAM1
J0707
J0706
+24V
POCL
MULTI CAM2 BRD.ASSY P112
SQ183
SQ184
SIDE LIGHT LOWER
SIDE LIGHT UPPER
R MULTI
R MULTI
CN4
CN8
J0317
+24V40,+24V41
CN40
CN40
+24V
POCL
MULTI CAM2 BRD.ASSY P111
SIDE LIGHT UPPER
SIDE LIGHT LOWER
SQ181
SQ182
F MULTI
F MULTI
CN4
CN8
See Page 8
N01004A4
N01004A5
N01004A6
N01004A7
T01000A6
T01000A5
FRONT DIGITAL MULTI CAMERA(Option)
REAR DIGITAL MULTI CAMERA(Option)
STP DC24V
J0051
CN41
CN41
+24V42
See Page 6
CONV.DRIVER
CC.V0
9
I/O CONVEYOR -3-
YSM10
Confidential & Proprietary
PAGE
J0181
H LAN
J0182CONTROL BOX -2-
See Page 5
SYSTEM LAN3
SER ENC2 CN4SER ENC1CN3
CN7 DO
CN6 S-POWER
OPTION IF
ETHER INCN8A
ETHER OUTCN8B
VAC
DI2
DI1
MOTOR 1MOTOR POW
MOTOR 2
INC ENC 1
INC ENC 2BATTERYCN8
CN5
CN5 FAN
HS2 CN7
HD2 CN5
HE2 CN5
HSA2 CN6
J0455
CN1
CN2
CN5
CN3
CN1
CN1
CN2
CN4
HEAD SERVO UNIT ASSY-2
HS CN5
J0507
SER ENC2 CN4SER ENC1CN3
CN7 DO
CN6 S-POWER
OPTION IF
ETHER INCN8A
ETHER OUTCN8B
HS1 CN7
MOTOR 1MOTOR POW
MOTOR 2
INC ENC 1
INC ENC 2BATTERYCN8
CN5
CN5 FAN
HD1 CN5
HSA1 CN6
DI2
DI1
VAC
FAN
J0185
J0184
CN5
CN2
CN3
CN1
CN1
CN2
CN4
CN1
HEAD SERVO UNIT ASSY-1
HS CN5
J0506
HS1 CN1 J0503
J0504HS1 CN2
HS2 CN2
HD2 CN1
HE2 CN1
HE2 CN2
J0516
J0517
J0518
J0519
HD2 CN4
HE2 CN4
HD1 CN1
HD1 CN4
HE1 CN1
HE1 CN2
J0512
J0513
J0514
J0515
HE1 CN4
LAN
FAN 42
HEAD FAN
J0183
LAN
X ORG
NPN CN1CN2 PNP
PNP CHANGER BRD ASSY
FAN 21
X FAN
X-AXIS ORIGIN
X MOTOR
X FAN
P031
SQ002
FLEXIBLE
DUCT Y
SCP
SCM
J0112 J0124
J0157
CONTROL BOX -1-
See Page 4
SERVO1 ENCODER2
SERVO1 M3
SCP
SC+24V
H PANEL
SCM
SC+24V
SCP
SCM
E16
FLEXIBLE
DUCT X
J0125
J0158
SCP
SCM
CAM2 CN6
LIGHT2 CN9
CAM2
LIGHT2
J0722
J0727
FIDUCIAL CAMERA
FIDUCIAL LIGHT
EL02
P072
CN43
POWER CIRCUIT
See Page 2
QF51/XT31
I/O CONVEYOR -1-
H+48V
H+24V
H EMG
J0053
I/O CONVEYOR -2-
CN33
J0252
I/O CONVEYOR -3-
X DI
J0321
J0664
CN2 48V/24V/EMG
CN4
HP CN4
CAMERA SEL POW
HP CN2
HP CN1
48V POW
IC POW
CN1
CN3
CN6 DO IN
HI CN6
DO1
DO0
HPA CN3
J0452
J0453
J0454
J0451
CN8
CN7
HEAD I/O UNIT ASSY
HI CN8
HI CN7 J0501
J0502
J0665
H POW/EMG
CAM3
LIGHT3 CN10
CN8
CAM3
LIGHT3
CN1 LIGHT I/F
OF.SV.LIGHT BRD ASSY
OF.LIGHT BRD.ASSY.
P077
P078
P079
OF.CX.LIGHT BRD.ASSY
SCAN CAM.ASSY,CX
SCAN UNIT ASSY
SCM
M43
SC+24V
CN3 +24V
CN1 POCL
SCCAM
SCP
SC MOTOR ASSY
J0678
SCAN CAM.SUB ASSY
P076
SCAN
CN4LIGHT
J0511
J0521
SC-AXIS
J0732
AIR MACS
J0701
CAM1 CN4
LIGHT1 CN7
CN11 DC24V
CSEL CN11
CAMOUT
CN5 CAMOUT
LIGHT1 J0726
J0702
H CAM
J0731
LIGHT2
FIDUCIAL CAMERA
EL01
FIDUCIAL LIGHT
FIDUCIAL CAMERA1
P071
Standard Spec.
CAM1 J0721
HEAD6 BLOW
HEAD7 BLOW
HEAD8 BLOW
HEAD9 BLOW
HEAD10 BLOW
YV211
YV213
YV215
YV217
YV219
H6 BLOW
H7 BLOW
H8 BLOW
H9 BLOW
H10 BLOW
HEAD1 BLOW
HEAD2 BLOW
HEAD3 BLOW
HEAD4 BLOW
HEAD5 BLOW
YV201
YV203
YV205
YV207
YV209
H1 BLOW
H2 BLOW
H3 BLOW
H4 BLOW
H5 BLOW
SHAFT BLOW
YV221
SH BLOW
HEAD1 VACUUM
HEAD2 VACUUM
HEAD3 VACUUM
HEAD4 VACUUM
HEAD5 VACUUM
YV202
YV204
YV206
YV208
YV210
H1 VAC
H2 VAC
H3 VAC
H4 VAC
H5 VAC
HEAD6 VACUUM
HEAD7 VACUUM
HEAD8 VACUUM
HEAD9 VACUUM
HEAD10 VACUUM
YV212
YV214
YV216
YV218
YV220
H6 VAC
H7 VAC
H8 VAC
H9 VAC
H10 VAC
M36
M37
M38
M39
M40
M42
Z6M
Z6P
Z7M
Z7P
Z8M
Z8P
Z9M
Z9P
R2M
Z10M
Z10P
M32
M31
M33
M34
M35
M41
Z2P
Z2M
Z1P
Z1M
Z3P
Z3M
Z4P
Z4M
Z5P
Z5M
R1M
HEAD CAMERA SELECTOR P041
I/O BOARD ASSY P043
POW BOARD ASSY P042
ENC BOARD ASSY P046
DRV BOARD ASSY P045
SRV BOARD ASSY P044
ENC BOARD ASSY P049
DRV BOARD ASSY P048
SRV BOARD ASSY P047
P074
P075
D.CAM2
FID.CAM2
CN1
CN2
TEMP
LIGHT
MACS1
CN1
MACS2
CN1
VAC
VACCN1
D.CAM1
CN1
CN2
FID.CAM1
TEMP
LIGHT
AIR MACS BOARD ASSY
AIR MACS BOARD ASSY
VAC SENSOR BRD ASSY
P073
FID.LIGHT BRD.ASSY
FID.LIGHT BRD.ASSY
N01003C4
N01003C5
HEAD RIGHT
HEAD LEFT
J0065
J0066 J0067
See Page 7
See Page 9
See Page 8
J0154
CN4
J0302
VISION1 CAM2
T1300701
T1300703
T1300705
T1301701
T1301703
T1302701
T1302703
T1302705
T1303701
T1303703
T1301702
T1301700
T1300704
T1300702
T1300700
T1301704
T1303702
T1303700
T1302704
T1302702
T1302700
FIDUCIAL CAMERA2(Option)
Z1-AXIS
Z2-AXIS
Z3-AXIS
Z4-AXIS
Z5-AXIS
R1-AXIS
□40 30W
□40 30W
R2-AXIS
Z6-AXIS
Z7-AXIS
Z8-AXIS
Z9-AXIS
Z10-AXIS
SC-AXIS
CC.V0
10
HM HEAD
YSM10