CWD_YSM10_sATS15_KMG&KMF-000_1704.pdf - 第22页
Confidential & P roprietary P A G E A1 A2 1/L1 2/T1 13 14 61 62 51 52 71 81 72 82 4/T2 3/L2 5/L3 6/T3 KM21/KM21A KM21 14 KMON1 KM21 A 1 +24B KM21 A2 0V KM21 1 3 +24V AZ U5 0 S21 AZ V5 0 AZ W5 0 KM21 81 FB1 KM20 A2 0V…

Confidential & Proprietary
PAGE
BANK1 CN1
CUnet2CN7
CUnet1CN6
DC24VCN5
DIP SW(S1)
1 2 3 4 5 6
ON
OFF
1
ON
OFF
DIP SW(S2)
INDI CTRL BOARD ASSY P216
PL CN1
PL CN2
PL CN2
PL CN1
J0887
J0886
J0871
J0883
J0882
J0881
J0881
CN27
CN27DI6
CN2 PLT LED
CUnet2 CN15
DO1 CN19
CN19
CN27
CN27DI6
INDICATOR BOARD ASSY P217
INDICATOR BOARD ASSY P217
FDR.CTRL.BOARD ASSY P211
FDR.CTRL.BOARD ASSY P211
PLT S/WCN1
CN2 PLT LED
PLT S/WCN1
INDI CN6
INDI CN5
ATS COVER
ATS COVER
INDI CN1
CN30POWER
CN30
CUnet2 CN15
CN15
DI5 CN26
CN26
INDICATOR ASSY(THREE COLORS(RED/GREEN/YELLOW))
DI5 CN26
CN26
INDICATOR ASSY(SINGLE COLOR(RED))
FDR CN15
See Page 2
See Page 2
CC.V0
18
INDICATOR ASSY SEL.
sATS15

Confidential & Proprietary
PAGE
A1 A2
1/L1 2/T1
13 14
61 62
51 52
71
81
72
82
4/T23/L2
5/L3 6/T3
KM21/KM21A
KM21 14 KMON1
KM21 A1 +24B KM21 A2 0V
KM21 13 +24V
AZ U50
S21
AZ V50
AZ W50
KM21 81 FB1
KM20 A2 0V
KM20 A1 +24V
KM20 14 +24B
KM20 T31 FB0
KM20 24 SRVON
KM20 13 +24V
KM20 23 +24V
14
24
34
42
T32
T31
T12
T11
A1
33
23
13
41
A2
K2 K1CH2 CH1
LOGIC
DC
AC
KM20
T22
T21
AZM
・
A10
・
B9
A1
・
A10
・
B9
A1
CN18CN18
B17B17
+24V_B
A1
B1
A2
B2
A3
B3
A1
B1
A2
B2
A3
B3
CN23CN23
FDR.CTRL.BOARD ASSY P211
KM21 82 FB2
KM20 T32 FB2
44
33
22
11
COVER2
・
B20
・
B20
DI
8 8
・・
2
1
2
1
・ ・
A1
B1
A1
B1
+24V_C
CN24 CN24
B20 B20
-+ E2E1
52
32
51
31
11 12
KEY
21 22
SQ361
COVER SWITCH 1
44
33
22
11
COVER1
E1
51
11
21
E2
52
12
22
22
11
BK PWR
A1
B1
B10
・
A1
B1
B10
・
+24V_I
CN30 CN30
R3R2R1
2
1
3
AZM
AZ-AXIS
M71
2 2
11
AZBK
2
1
3
KA21
3
2
4
5
1KA21 1 GND
KA21 5 SIG
KA21 4 BKOUT
KA21 3 BKPWR
AZ BK
1
4
3
2
BK OFF
See Page 1
INTERFACE CIRCUIT
KM20T22 SAFE1
KM20T12 SAEF1
KM20T11 SAFE0
COVER SW/N0110B25
CONTACTOR ON/N0110B11
SERVO ON/N0110B10
COVER LOCK/T0110290
AZ W52
AZ V52
AZ U52
AZ W52
AZ V52
AZ U52
AZ W54
AZ V54
AZ U54
See Page 2
CC.V0
19
AZ INTERLOCK CIRCUIT
sATS15

SC4-M3MA
SGDAQ8x15-ZE135A2
S0715-5M
SC4-M3MA
S0715-5M
SC4-M3MA
プラグ1/8
M U LTI CAMER A
(OPTI ON)
SC4-M3MA
KM-11
AN10-01
AN10-01
SLH6-02
RDQB63-45-M9BM
SLH6-02
SLH6-02
SLH6-02
TL8-02
UYD10-8
CUTTER R 2
OPTI ON
CUTTER R 1
OPTI ON
CUTTE R F 2
CUTTER F 1
AUK8
P
ISE30A-C4L-B-MD
PPP
VHS30-03B-X2119A
IR2220-02H-R-A-X1001
AUY12
UY4
AC30X-03D-A-X2649A
φ12 ORANGE
FUV10-10
UY10
UEDW8-6
φ12 ORANGE
φ10 ORANGE
φ8 ORANGE
φ4 ORANGE
φ6 ORANGE
φ6 BLACK
φ8 BLACK
φ8 ORANGE
Φ8 ORANGE
Φ6 ORANGE
Φ8 ORANGE
Φ10 ORANGE
Φ8 ORANGE
UY6
φ12 ORANGE
US10
UY10
US10
φ10 ORANGE
φ10 ORANGE
TO HEAD A
US10
US10
φ10 ORANGE
φ10 ORANGE
UP8
ATSH6-01
プラグ1/8
UP6
VQZ332B-5G1-C6
VFU2-66P-NH
TL6-01M
TL6-02
UTD6-4
UYD6-4
KCALB6ΦKCALB6Φ
φ6 ORANGE
φ6 ORANGE
Φ4 ORANGE
Φ4 ORANGE
Φ6 ORANGE
φ4 BLACK
φ4 ORANGE
φ4 ORANGE
φ4 BLACK
TAPE CUTTE R
UC4
BLOW S T .
COVER
COVER 1
NOTE
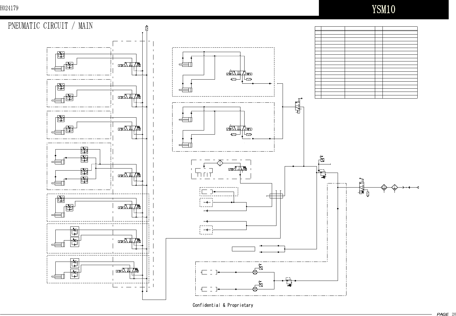
1. 本図は YSM10 の空気圧回路図である。
2. ヘッド部の空気圧回路図は KLW-M8500-100 を参照のこと。
⑥
⑥
⑬
⑮
⑲
⑲
⑲
④
③
②
①
⑫
⑤
⑯
Φ10 ORANGE
SGDAQ8x15-ZE135A2
USD10-8
UP6
USD6-4
PSM4M-4
PSM4M-4
PSM4M-4
PSM4M-4
Φ6 ORANGE
Φ4 ORANGE
COVER 2
COVER 4
⑲
CJ2YE16-10Z
SL4-M5
SC3W-M5-4-0
SC4-M5A
PBDAS10x10-A-ZC230A2
ANC
(OPTI ON)
φ4 ORANGE
SL4-M5
SC4-M5A
φ4 BLACK
S0715-5M
UY4
SL4-M5
UY4
φ4 ORANGE
SL4-M5
φ4 ORANGE
SC3W-M5-4-0
φ4 BLACK
SC3W-M5-4-0
φ4 ORANGE
SC3W-M5-4-0
φ4 BLACK
φ4 ORANGE
CLAMP BOARD
CJ2YE16-10Z
φ4 BLACK
φ4 BLACK
CVS T 3
SS0755-AWR12
CV T2
CVS T 1
KQ2T06-08A
SC3W-M5-4
RDQB63-45-M9BM
KQ2T06-08A
SC3W-M5-4
SLH6-02
AN10-01
SSD-KL-16-40-T2H3-R
SLH6-02
SLH6-02
RDQB63-45-M9BM
AN10-01
⑫
KQ2T06-08A
RDQB63-45-M9BM
φ4 BLACK
KQ2T06-08A
φ4 ORANGE
AUK8
TL8-02
SLH6-02
φ8 ORANGE
Φ8 ORANGE
φ8 BLACK
φ6 ORANGE
φ6 BLACK
FFF
PFM711S-C6L-H-M-V
R151-01
F
PFM711S-C6L-H-M-V
FF
⑦
⑨
⑨
⑧
⑧
⑧
⑧
φ6 BLACK
φ6 BLACK
φ6 ORANGE
φ6 ORANGE
⑱
⑱
⑰
USD12-10
TL10-01TL6-01
US6
US6
I O N I Z E R
I O N I Z E R
I ONI Z E R ( OPTI ON)
⑪
⑪
⑩
VQZ3221-5M1-C8
VQZ3221-5M1-C8
AUK8
AUK8
Φ8 ORANGE
Φ8 ORANGE
⑭
⑭
⑭
⑭
M U LTI CAMER A
(OPTI ON)
オプション時追加
オプション時追加
オプション時追加
⑳
⑳
⑳
SSD-KL-16-40-T2H3-R
SC3W-M5-4
SC3W-M5-4
⑪
⑩
⑪
φ4 BLACK
φ4 ORANGE
SSD-KL-16-40-T2H3-R
SC3W-M5-4
SC3W-M5-4
⑪
⑩
⑪
φ4 BLACK
φ4 ORANGE
⑬
⑬
⑬
UC8
標準は UC8
後カッター付は UC8 を外し接続する
UC4
UC4
ATS
ATS
OP T I ON
⑲ はカバー仕様で取付
⑲ はカバー仕様で取付
UP6
UP6
ATS 有は USD6-4 を外し
ATS 側の継手を接続する
ATS側配管Φ6 ORANGE
AN10-01
PPPP
3
⑲
⑲
SC3W-M5-4-0
SC3W-M5-4-0
S
φ6 BLACK
FFF
FFF
⑧
⑧
⑧
NO.
KLW-M8502-010
FILTER ASSY1
PARTS NO.
1
VHS30-03B-X2119A
2
3
KLW-M8501-000
REGULATORKMC-M8504-000
1
1 IR2220-02H-R-A-X1001
4
5
6
7
8
9
10
11
12
13
14
15
16
17
18
19
20
QTY. DESCRIPTIONPARTS NAME
AC30X-03D-A-X2649A
VALVE,EXHAUST
PRESSURE GAUGEKKX-M8596-000 ISE30A-C4L-B-MD
VALVE ASSY.KLW-M91VB-000 SS0755-AWR12
CYLINDERKMG-M7523-000 SGDAQ8x15-ZE135A2
1
1
2
CYLINDERKHY-M9605-100 PBDAS10x10-A-ZC230A21
SPEED CONTROLLERKHW-M9285-000 SC3W-M5-4-04
CYLINDERKLT-M9263-000 CJ2YE16-10Z2
CYLINDERKMG-M9166-000 SSD-KL-16-40-T2H3-R3
SPEED CONTROLLERKHW-M916L-000 SC3W-M5-46
VALVE CUTTERKMG-M3TV1-000 VQZ3221-5M1-C82
CYL.,TAPE CUTTERKMG-M3T10-000 RDQB63-45-M9BM4
JOINTKMG-M3TV3-000 KQ2T06-08A4
VALVEKHW-M9906-000 VQZ332B-5G1-C61
INLINE FILTERKGR-M9934-010 VFU2-66P-NH1
REGULATORSKGS-M8305-000 R151-011
FLOWE METERKMG-M8309-000 PFM711S-C6L-H-M-V2
STOP FITTING90990-42J047 PSM4M-44
VALVEKLW-M91V1-000 V463